PXH-1 5OM-1321-002_w.pdf - 第100页
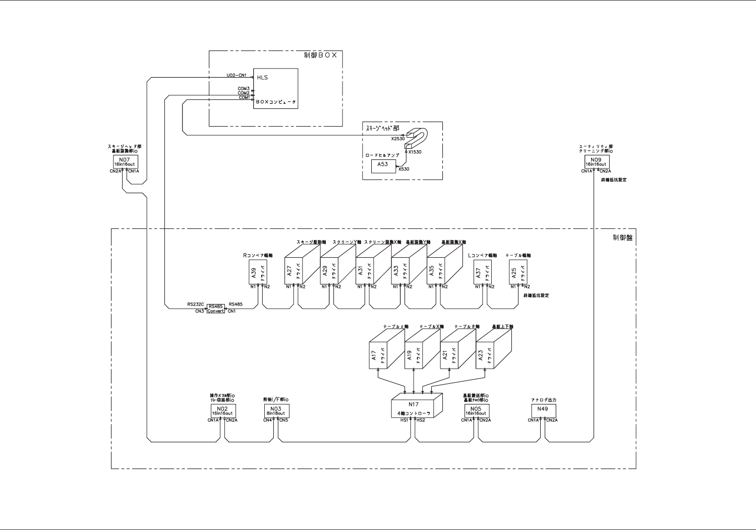
Tg1301-ID-MD 3-7 ฦㇱߩ㔚᳇࿁〝࿑ ✚วࡉࡠ࠶ࠢ࿑ ฦㇱߩ㔚᳇࿁〝࿑ 0602-001-(M831W A---1001)

3-6
Tg1301-ID-MD
0602-001

Tg1301-ID-MD
3-7
ฦㇱߩ㔚᳇࿁〝࿑
✚วࡉࡠ࠶ࠢ࿑
ฦㇱߩ㔚᳇࿁〝࿑
0602-001-(M831WA---1001)

Tg1301-ID-MD
3-8
⋭㈩✢ࡀ࠶࠻ࡢࠢ࿑
⋭㈩✢ࡀ࠶࠻ࡢࠢ࿑
0602-001-(M831WA---1002)