PXH-1 5OM-1321-002_w.pdf - 第115页
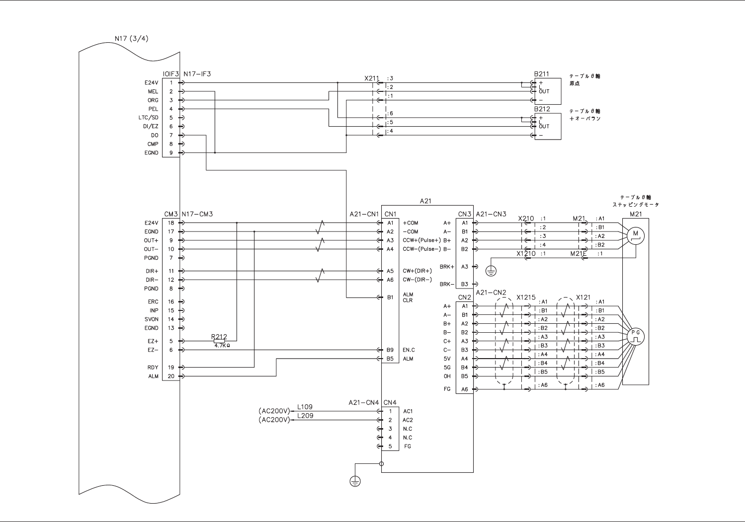
Tg1301-ID-MD 3-22 ࠹ࡉ࡞ㇱ θ ゲࠨࡏࡕ࠲ ࠹ࡉ࡞ㇱ θ ゲࠨࡏࡕ࠲ 0602-001-(M831WBB--1014)

Tg1301-ID-MD
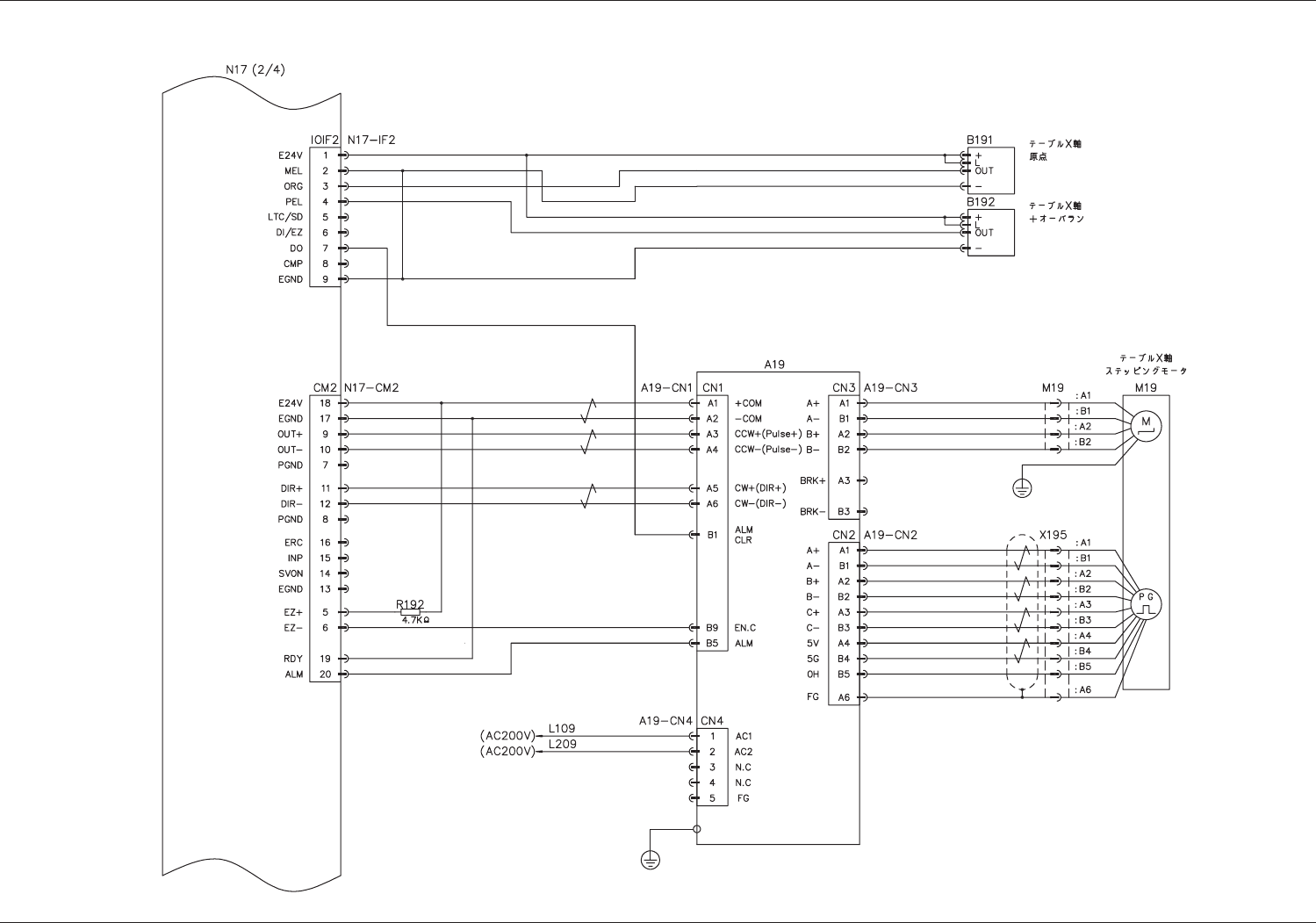
3-21
࠹ࡉ࡞ㇱ : ゲࠨࡏࡕ࠲
࠹ࡉ࡞ㇱ : ゲࠨࡏࡕ࠲
0602-001-(M831WBB--1013)

Tg1301-ID-MD
3-22
࠹ࡉ࡞ㇱ
θ
ゲࠨࡏࡕ࠲
࠹ࡉ࡞ㇱ
θ
ゲࠨࡏࡕ࠲
0602-001-(M831WBB--1014)

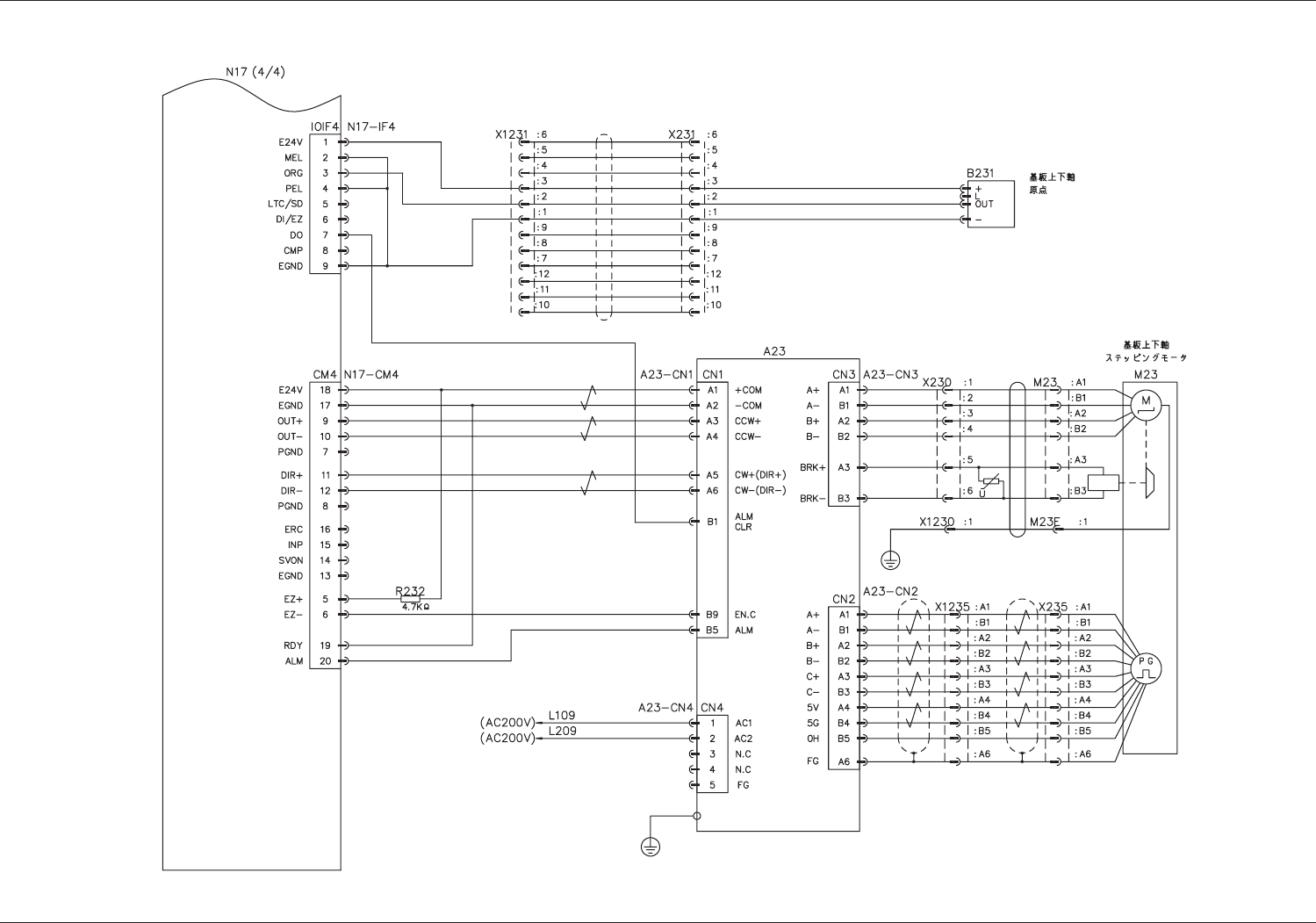
Tg1301-ID-MD
3-23
࠹ࡉ࡞ㇱၮ᧼ਅゲࡕ࠲
࠹ࡉ࡞ㇱၮ᧼ਅゲࡕ࠲
0602-001-(M831WBB--1015)