PXH-1 5OM-1321-002_w.pdf - 第129页
Tg1301-ID-MD 3-36 ࠢ࠾ࡦࠣㇱ+1 ࠢ࠾ࡦࠣㇱ+1 0602-001-(M831WM---1001)

Tg1301-ID-MD
3-35
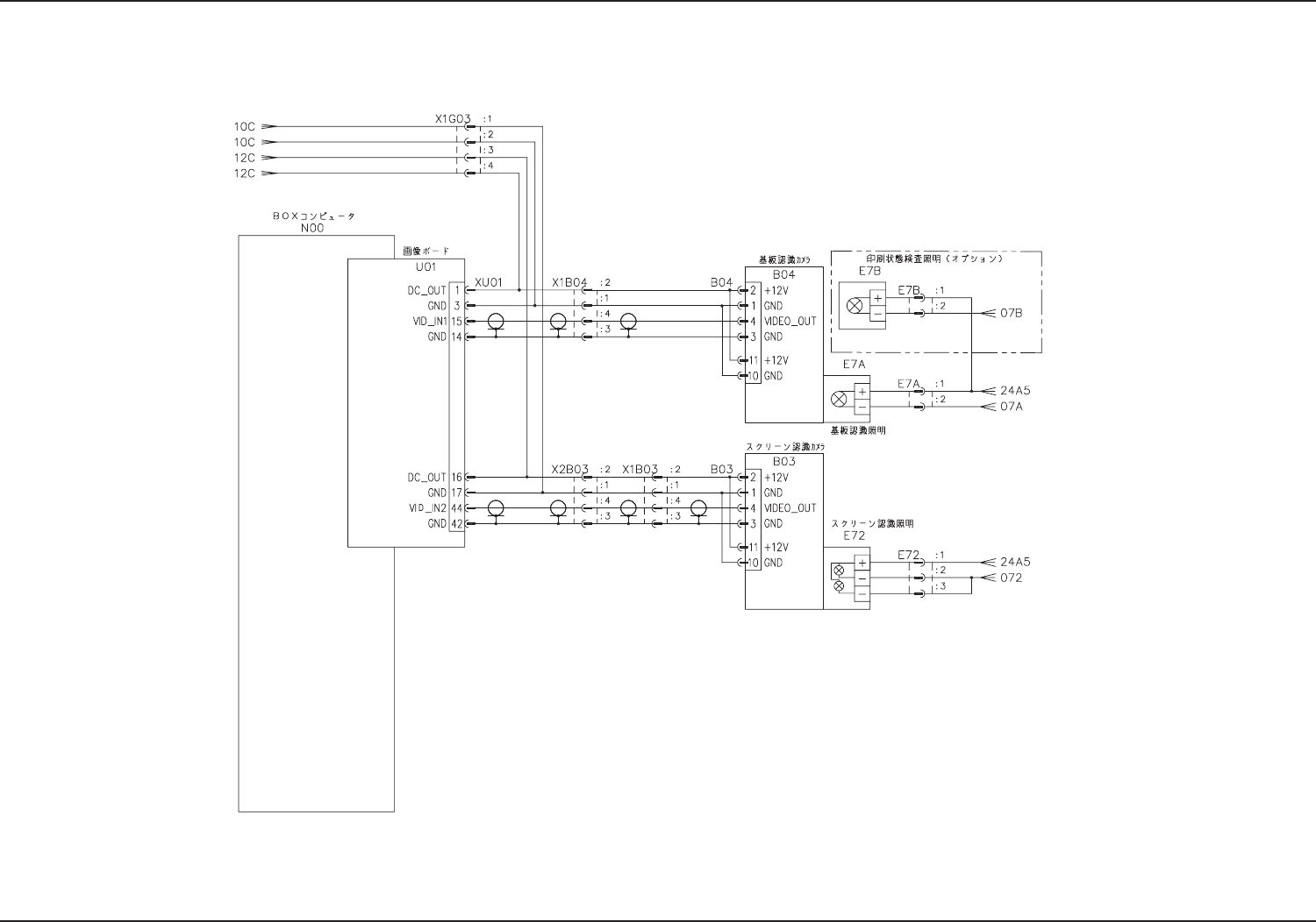
⼂ࠞࡔធ⛯࿑
⼂ࠞࡔធ⛯࿑
0607-002 A(M831WG---1001)

Tg1301-ID-MD
3-36
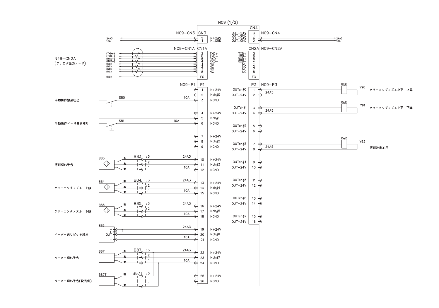
ࠢ࠾ࡦࠣㇱ+1
ࠢ࠾ࡦࠣㇱ+1
0602-001-(M831WM---1001)

Tg1301-ID-MD
3-37
࡙࠹ࠖ࠹ࠖㇱ+1
࡙࠹ࠖ࠹ࠖㇱ+1
0602-001-(M831WM---1002)