PXH-1 5OM-1321-002_w.pdf - 第103页
Tg1301-ID-MD 3-10 㔚᳇࿁〝࿑ 㔚᳇࿁〝࿑ 0602-001-(M831WBB--1002)

Tg1301-ID-MD
3-9
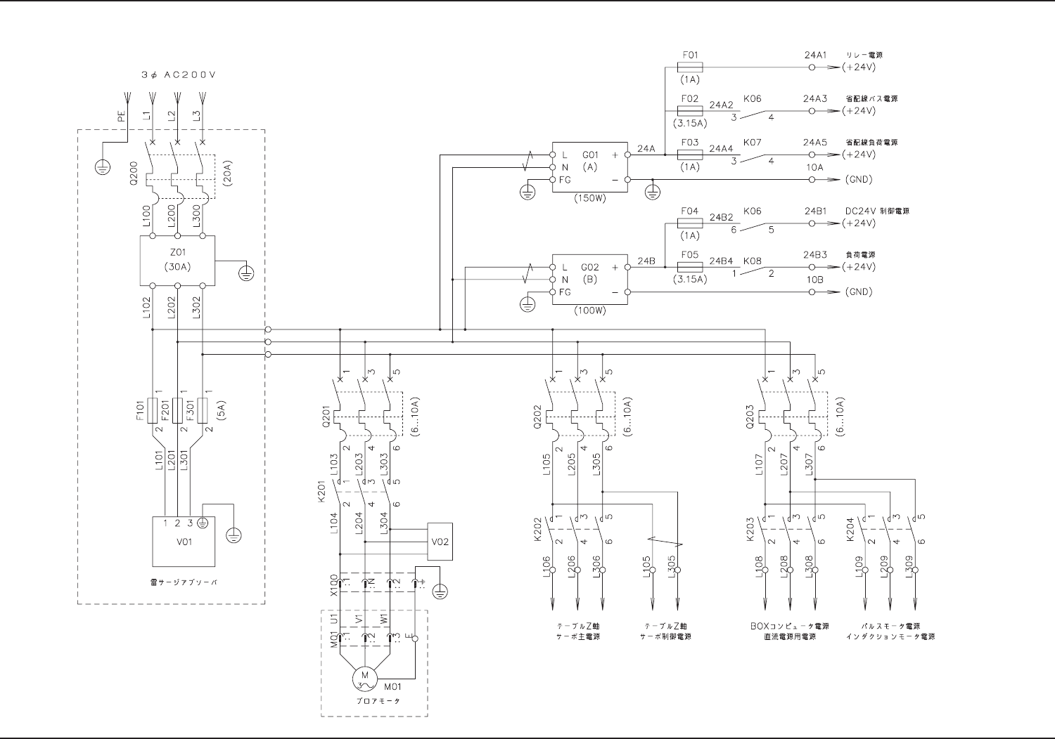
㔚Ḯ࿁〝࿑
㔚Ḯ࿁〝࿑
0607-002 A(M831WBB--1001)

Tg1301-ID-MD
3-10
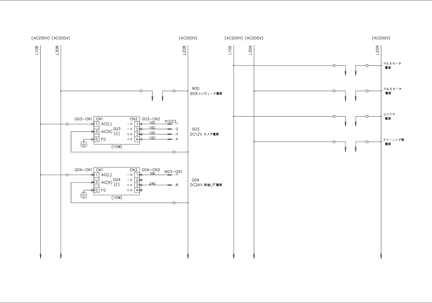
㔚᳇࿁〝࿑
㔚᳇࿁〝࿑
0602-001-(M831WBB--1002)

Tg1301-ID-MD
3-11
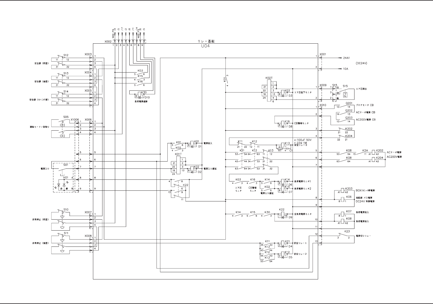
࿁〝࿑
࿁〝࿑
0607-002 A(M831WBB--1003)