AVK3参考手册.pdf - 第31页
AVK3 参考手册 2.5 插入限制 D77RCC-12-150-A0 2.5-4

AVK3
参考手册
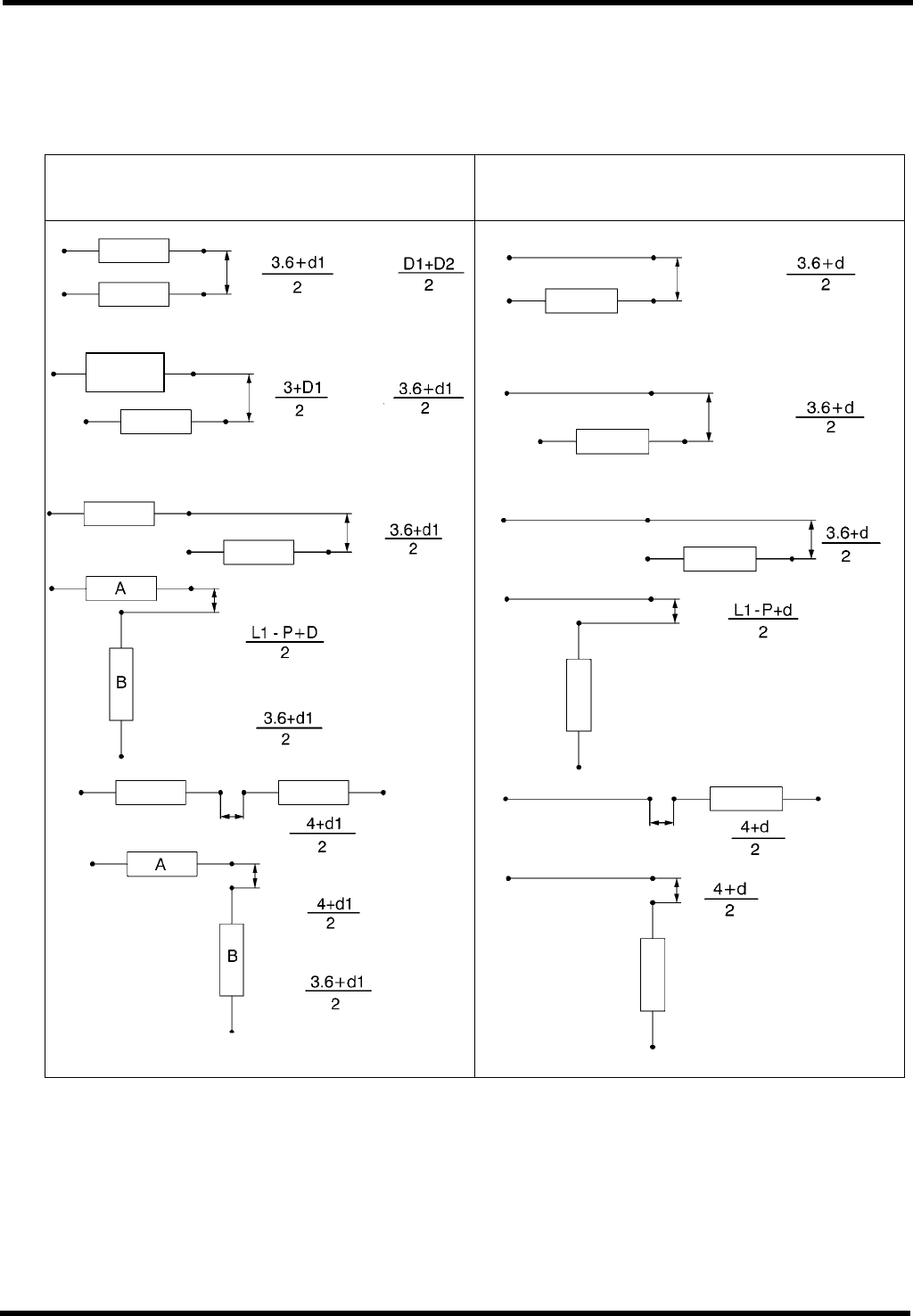
2.5 插入限制
计算相邻元件之间需留的间隙
对以下计算所得的数值应再加 0.2 mm 的余量。
跳线直径:d,先前插入元件的引脚直径:d1 先前插入元件的直径:D1,正要插入元件
的直径:D2。
轴向元件和轴向元件
轴向元件与 JW
(跳线先插入时)
或
先前插入
元件
或
取任何一个比较大的数值
先插入 A :
先插入 B :
先插入 A:
先插入 B:
D77RCC-12-150-A0
2.5-3

AVK3
参考手册
2.5 插入限制
D77RCC-12-150-A0
2.5-4

AVK3
参考手册
3. 各种功能
3. VARIOUS FUNCTIONS
D77RCC-33-000-A0
3-1