JM-100使用说明书.pdf - 第696页
第 2 部 功能详解篇 第 8 章 手动控制 8- 15 8- 4 传送系 8-4- 1 传送控制 从下拉菜单中选 择 [ 传 送系 (C ) ]-[ 传送控制 (V) ] 、或点击命令按钮 中的 [ 传送控制 ] 后 ,可显示传 送控制画 面。 选择菜单的 [ 传 送系 ] → [ 传送控制 ] 后,即显示 传送控制的对 话框。 ○ 未安装弯脚固定单元 时 在画面上部显示 各传送 传感器·传送马 达 的 状态 。 把光标对准传感 器 …

第 2 部 功能详解篇 第 8 章 手动控制
8-14
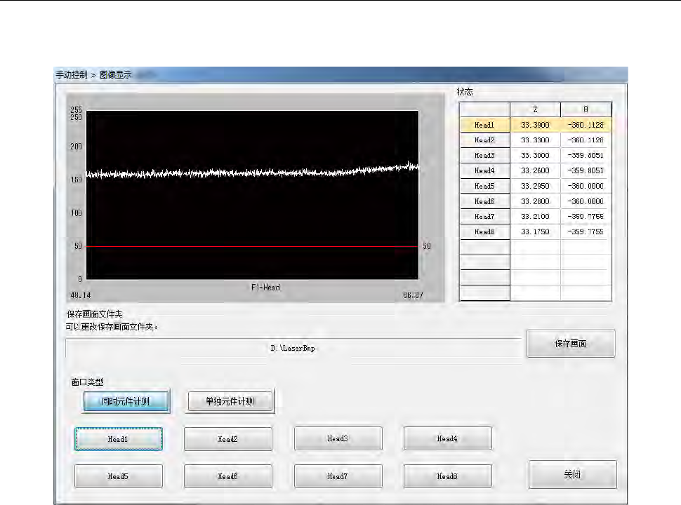
8-3-3-7 控制项目:图像显示
显示所选 Head 的激光传感器的图像数据。
选择控制项目的[图像显示]时,按[执行]按钮进行控制。

第 2 部 功能详解篇 第 8 章 手动控制
8-15
8-4 传送系
8-4-1 传送控制
从下拉菜单中选择[传送系(C)]-[传送控制(V)]、或点击命令按钮中的[传送控制]后,可显示传送控制画
面。
选择菜单的[传送系]→[传送控制]后,即显示传送控制的对话框。
○ 未安装弯脚固定单元时
在画面上部显示各传送传感器·传送马达的状态。
把光标对准传感器显示图上时,即可显示工具提示。上图显示的是各停止传感器,马达传感器有关情
况。

第 2 部 功能详解篇 第 8 章 手动控制
8-16
○ 安装了弯脚固定单元时
各传送传感器、传送马达的状态,显示在画面上部。
将光标放置在传感器显示图上,会显示对工具的说明。
传送控制画面上的各传感器的显示图,请参见如下列表。