N7202A029B40_SPG_Parts List_零件部品一覽表.pdf - 第103页
Ref No. Remarks R 1 Q'ty 14-G 基板位置決めリフト:SPG PCB POSITIONING LIFT:SPG イラスト No. Part No. 品 名 品 番 数量 R 2 パーツリスト Kit No. キット品番 Kit Name キット名称 N610140071AA Part Nam e 備 考 セク ション No . PARTS LIST Section No. R 3 THE-TABLE …

14-G
基板位置決めリフト:SPG
PCB POSITIONING LIFT:SPG
パーツレイアウト
Kit No.
キット品番
Kit Name
キット名称
N610140071AA
セクションNo.
PARTS LAYOUT
Section No.
--
S75
( KN610140071AA-15-7 )

Ref
No.
Remarks R
1
Q'ty
14-G
基板位置決めリフト:SPG
PCB POSITIONING LIFT:SPG
イラスト
No.
Part No.
品 名品 番 数量
R
2
パーツリスト
Kit No.
キット品番
Kit Name
キット名称
N610140071AA
Part Name
備 考
セクションNo.
PARTS LIST
Section No.
R
3
THE-TABLE
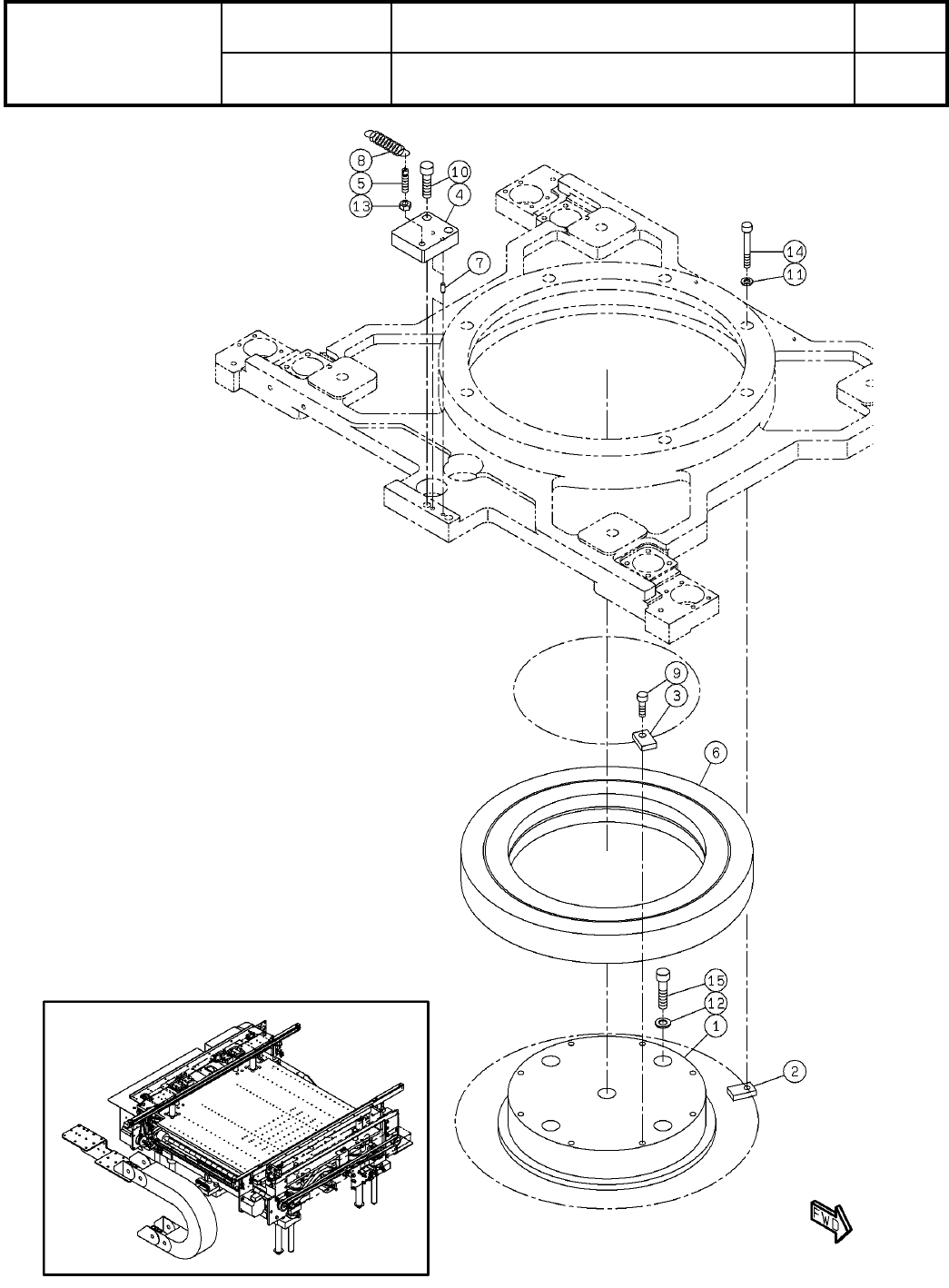
1
1 N610146728AC
LIFT-TABLE
1
2 N610146729AB
PLATE
1
3 N210172333AC
BRACKET
1
4 N210172334AA
DOG
1
5 N210172338AB
DOG
1
6 N210172345AB
DOG
1
7 N210172346AA
SENSOR
4
8 MTNS000241AA EE-SX953-C2J-R 0.2M
SPACER
4
9 N510029513AA ASF-410E
SENSOR
1
10 MTNS000239AA EE-SX951-C2J-R 0.5M
BOLT
2
11 N510017514AA
SSS 003 Hexagon socket button head screw M3X8-10.9 A2J (Trivalent)
LINEAR-WAY
2
12 N510063930AA SSR15XW1UU+520LY-II(02811419G000)
PIN
2
13 N510006098AA 1017003-40010
BOLT
4
14 N510017341AA
Hexagon socket head cap screw M3X8-10.9 A2J (Trivalent)
BOLT
10
15 N510017376AA
Hexagon socket head cap screw M4X6-10.9 A2J (Trivalent)
BOLT
4
16 N510017344AA
Hexagon socket head cap screw M4X10-10.9 A2J (Trivalent)
BOLT
18
17 N510017351AA
Hexagon socket head cap screw M4X16-10.9 A2J (Trivalent)
WASHER
6
18 N510018478AA
Small round-plain washer 3 10H A2J (Trivalent)
WASHER
6
19 N510018479AA
Small round-plain washer 4 10H A2J (Trivalent)
WASHER
4
20 N510018497AA
Round finish plain washer 4 10H A2J (Trivalent)
WASHER
8
21 N510020099AA Thick washer M4
WASHER
6
22 N510018327AA Spring lock washer No.2 3 S A2J (Trivalent)
BOLT
4
23 N510017346AA
Hexagon socket head cap screw M4X12-10.9 A2J (Trivalent)
S76
--
( KN610140071AA-15-7 )

14-H
基板位置決めリフト:SPG
PCB POSITIONING LIFT:SPG
パーツレイアウト
Kit No.
キット品番
Kit Name
キット名称
N610140071AA
セクションNo.
PARTS LAYOUT
Section No.
--
S77
( KN610140071AA-15-8 )