N7202A029B40_SPG_Parts List_零件部品一覽表.pdf - 第475页
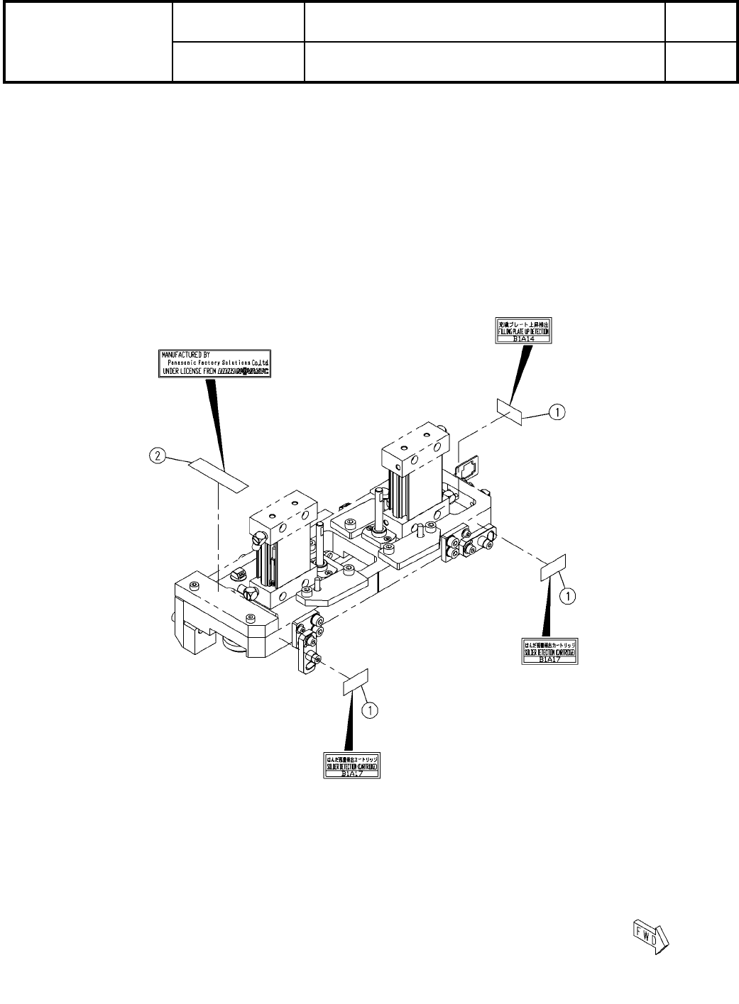
Ref No. Remark s R 1 Q'ty 100 銘板・警告ラベル( 密閉ヘッド 充填ユニット) :SPG Label(Closed H ead Filling Unit) :SPG イラスト No. Part No. 品 名 品 番 数量 R 2 パーツリスト Kit No. キット品 番 Kit Name キット名称 MTKA011254AA Part Nam e 備 考 セクションNo. PARTS LIST …

100
銘板・警告ラベル(密閉ヘッド 充填ユニット):SPG
Label(Closed Head Filling Unit):SPG
パーツレイアウト
Kit No.
キット品番
Kit Name
キット名称
MTKA011254AA
セクションNo.
PARTS LAYOUT
Section No.
-
-
O219
( KMTKA011254AA-00 )

Ref
No.
Remarks R
1
Q'ty
100
銘板・警告ラベル(密閉ヘッド 充填ユニット):SPG
Label(Closed Head Filling Unit):SPG
イラスト
No.
Part No.
品 名品 番 数量
R
2
パーツリスト
Kit No.
キット品番
Kit Name
キット名称
MTKA011254AA
Part Name
備 考
セクションNo.
PARTS LIST
Section No.
R
3
LABEL
1
1 MTPL000610AA
LABEL
1
2 KXF0DYA7A01 NP(DA KXF0DYA7A01)
O220
-
-
( KMTKA011254AA-00 )

101
密閉ヘッド用Mサイズカセットホルダ:SPG
M-size Cassette Holder for Closed Head:SPG
パーツレイアウト
Kit No.
キット品番
Kit Name
キット名称
N610138845AB
セクションNo.
PARTS LAYOUT
Section No.
-
-
O221
( KN610138845AB-03 )