N7202A029B40_SPG_Parts List_零件部品一覽表.pdf - 第84页
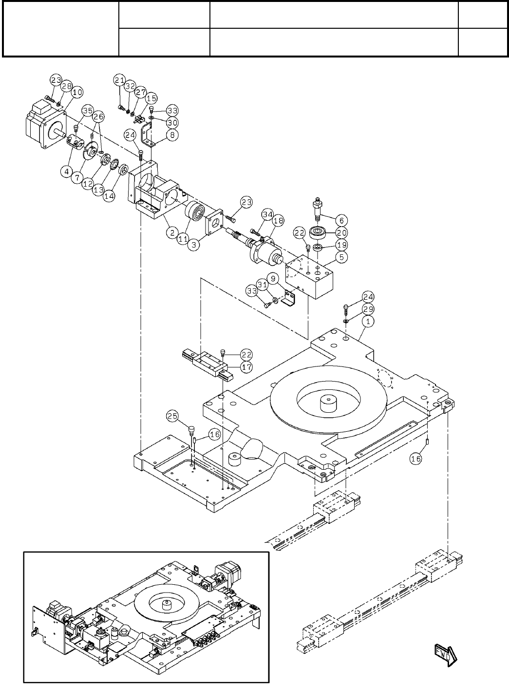
12-B XYθテーブル:SPG XY Theta Table:SPG パーツレイアウト Kit No. キット 品番 Kit Name キット名称 N610140069AA セクションNo. PARTS LAYOUT Section No. - - S57 ( KN610140069AA-09-2 )

Ref
No.
Remarks R
1
Q'ty
12-A
XYθテーブル:SPG
XYTheta Table:SPG
イラスト
No.
Part No.
品 名品 番 数量
R
2
パーツリスト
Kit No.
キット品番
Kit Name
キット名称
N610140069AA
Part Name
備 考
セクションNo.
PARTS LIST
Section No.
R
3
PLATE
1
1 N210171453AC
PLATE
1
2 N210025238AA
COUPLING
1
3 N210039713AA
DOG
1
4 N210143135AB
BRACKET
1
5 N610154090AA
BRACKET
1
6 N210180973AA
BRACKET
1
7 N210180974AA
MOTOR
1
8 N510049340AA
S
PK564PMB-A1
LINEAR-WAY
2
9 N510056869AA SSR20XW2UUC1E+420L-II(02523538G000)
BALL-SCREW
1
10 N510065690AA BTK1605-2.6ZZG0+148LCp5R(B)(32889844K000)
BEARING
1
11 KXF0A1QAA00 7201T2DF/GNP5
BEARING-NUT
1
12 KXF0E3M2A00 AN01
WASHER
1
13 KXF0E3LDA00 AW01
WASHER
1
14 N510020756AA KK20
JOINT
5
15 N510066663AA KQ2L04-M6A
PIN
4
16 N986MMS410 MMS4-10
PIN
1
17 KXF052NAA00 SPP4-10
SENSOR
1
18 MTNS000241AA EE-SX953-C2J-R 0.2M
TUBE
1
19 KXF0E0D4A00 TU0425C-20
BOLT
1
20 N510017341AA
Hexagon socket head cap screw M3X8-10.9 A2J (Trivalent)
BOLT
4
21 N510017305AA
Hexagon socket head cap screw M3X10-10.9 A2J (Trivalent)
BOLT
2
22 N510017376AA
Hexagon socket head cap screw M4X6-10.9 A2J (Trivalent)
BOLT
12
23 N510017351AA
Hexagon socket head cap screw M4X16-10.9 A2J (Trivalent)
BOLT
18
24 N510017395AA
Hexagon socket head cap screw M5X16-10.9 A2J (Trivalent)
BOLT
16
25 N510017398AA
Hexagon socket head cap screw M5X20-10.9 A2J (Trivalent)
SCREW
2
26 N510018372AA
Hexagon socket set screw Cup point M4X5-45H A2J (Trivalent)
WASHER
1
27 N510018478AA
Small round-plain washer 3 10H A2J (Trivalent)
WASHER
4
28 N510018479AA
Small round-plain washer 4 10H A2J (Trivalent)
WASHER
16
29 N510018480AA
Small round-plain washer 5 10H A2J (Trivalent)
WASHER
4
30 N510018497AA
Round finish plain washer 4 10H A2J (Trivalent)
WASHER
1
31 N510018327AA Spring lock washer No.2 3 S A2J (Trivalent)
BOLT
2
32 N510017381AA
Hexagon socket head cap screw M4X8-10.9 A2J (Trivalent)
S56
--
( KN610140069AA-09-1 )

12-B
XYθテーブル:SPG
XYTheta Table:SPG
パーツレイアウト
Kit No.
キット品番
Kit Name
キット名称
N610140069AA
セクションNo.
PARTS LAYOUT
Section No.
--
S57
( KN610140069AA-09-2 )

Ref
No.
Remarks R
1
Q'ty
12-B
XYθテーブル:SPG
XYTheta Table:SPG
イラスト
No.
Part No.
品 名品 番 数量
R
2
パーツリスト
Kit No.
キット品番
Kit Name
キット名称
N610140069AA
Part Name
備 考
セクションNo.
PARTS LIST
Section No.
R
3
X-TABLE
1
1 N610146082AC
BRACKET
1
2 N610120589AA
PLATE
1
3 N210025238AA
COUPLING
1
4 N210039713AA
HOLDER
1
5 N210171466AB
SHAFT
1
6 N210162590AA
DOG
1
7 N210143135AB
BRACKET
1
8 N210142687AA
DOG
1
9 N210171502AA
MOTOR
1
10 N510049340AA
S
PK564PMB-A1
BEARING
1
11 KXF0A1QAA00 7201T2DF/GNP5
BEARING-NUT
1
12 KXF0E3M2A00 AN01
WASHER
1
13 KXF0E3LDA00 AW01
WASHER
1
14 N510020756AA KK20
SENSOR
1
15 MTNS000243AA EE-SX953-C2J-R 0.5M
PIN
4
16 N986MMS410 MMS4-10
LINEAR-WAY
1
17 MTNB000120AA SRS15NUUC1E+120LM(03139759K000)
BALL-SCREW
1
18 N510058862AA BTK1605E-2.6ZZG0+140LCp5R(32524292K001)
WASHER
1
19 N510020766AA KK16
BEARING
1
20 KXF0E3L8A00 6200ZZCM
BOLT
1
21 N510017341AA
Hexagon socket head cap screw M3X8-10.9 A2J (Trivalent)
BOLT
7
22 N510017308AA
Hexagon socket head cap screw M3X12-10.9 A2J (Trivalent)
BOLT
8
23 N510017351AA
Hexagon socket head cap screw M4X16-10.9 A2J (Trivalent)
BOLT
20
24 N510017395AA
Hexagon socket head cap screw M5X16-10.9 A2J (Trivalent)
BOLT
2
25 N510017424AA
Hexagon socket head cap screw M6X10-10.9 A2J (Trivalent)
SCREW
2
26 N510018372AA
Hexagon socket set screw Cup point M4X5-45H A2J (Trivalent)
WASHER
1
27 N510018478AA
Small round-plain washer 3 10H A2J (Trivalent)
WASHER
4
28 N510018479AA
Small round-plain washer 4 10H A2J (Trivalent)
WASHER
16
29 N510018480AA
Small round-plain washer 5 10H A2J (Trivalent)
WASHER
2
30 N510018497AA
Round finish plain washer 4 10H A2J (Trivalent)
WASHER
2
31 N510020099AA Thick washer M4
WASHER
1
32 N510018327AA Spring lock washer No.2 3 S A2J (Trivalent)
BOLT
2
33 N510017381AA
Hexagon socket head cap screw M4X8-10.9 A2J (Trivalent)
BOLT
4
34 N510017346AA
Hexagon socket head cap screw M4X12-10.9 A2J (Trivalent)
BOLT
4
35 N510017305AA
Hexagon socket head cap screw M3X10-10.9 A2J (Trivalent)
S58
--
( KN610140069AA-09-2 )