SM411_TRM(Ver12.0_CS16.50).pdf - 第125页
Page HANWHA TECHWIN 11 3 SM411 Blank

Page
HANWHA TECHWIN
112
SM411
Electric Control Part

Page
HANWHA TECHWIN
113
SM411
Blank

Page
HANWHA TECHWIN
114
SM411
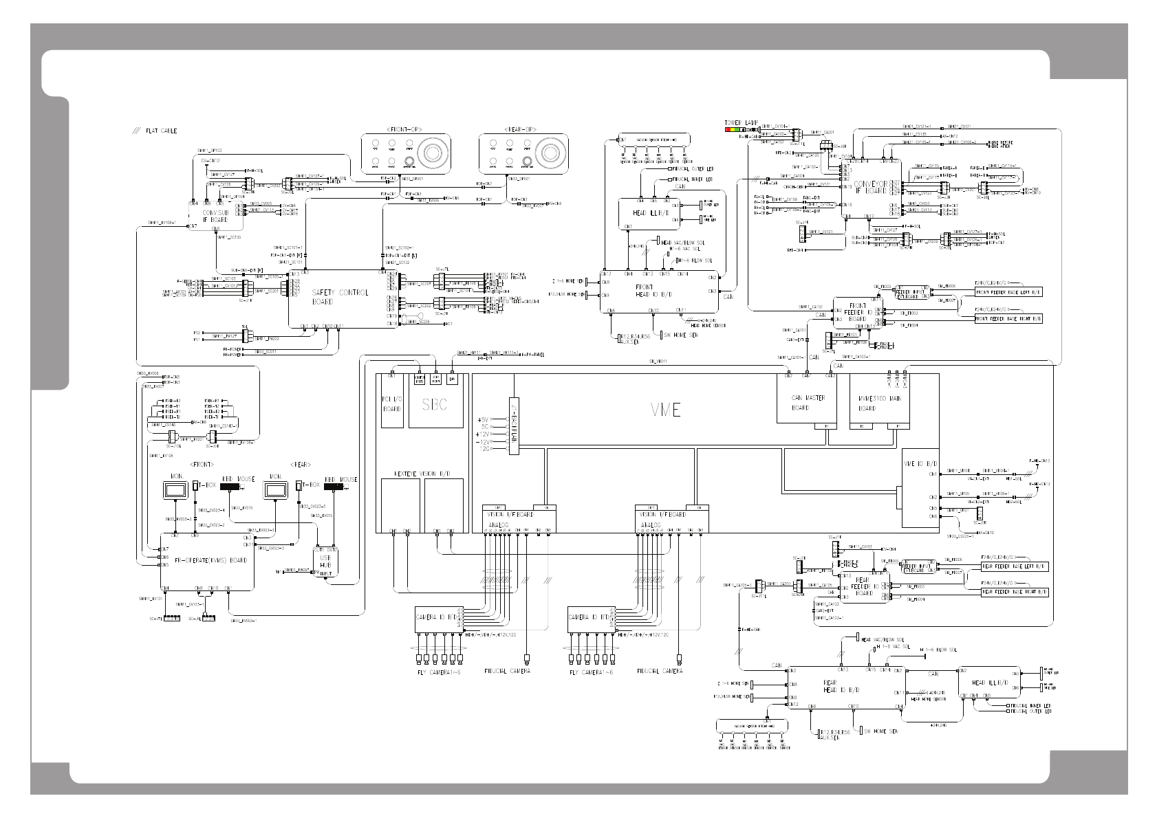
SM411 Wiring Diagram (1/2)
Y
C
G
M
E
R
E
E
N
Y
C
N
E
G
R
E
M
E
SM33_VIS011
SM33_VIS009
SM33_VIS008
SM33 _VIS002
SM33 _VIS001 SM3 3_VIS005
SM33_VIS006
SM33_VIS004(SM33_VIS012)
SM33_CA006
SM33_HD005
SM33_HD005
SM33_HD006
SM33_HI001
SM33_HD004
SM33_HD003
SM33_HD007
SM33_HD001
SM33
_HD008
(TO VME IO B/D CN9)
SM33_VIS011
SM33_VIS009
SM33_VIS010
SM33_VIS002
SM33_VIS003
SM33_VIS007
SM33_VIS006
SM33_VIS004(SM33_VIS012)
SM33_CA006
SM33_HD005
SM33_HD005
SM33_HD006
SM33_HI001
SM33_HD004
SM33_HD003
SM33_HD007
SM33_HD001
SM33_HD008
(TO VME IO B/D CN9)
적색
EM
녹색 백색
황색 백색백색
적색
EM
녹색 백색
황색 백색백색
VGA-IN
MONITOR-A
MONITOR-B
JOG/A
JOG/B