SM411_TRM(Ver12.0_CS16.50).pdf - 第174页
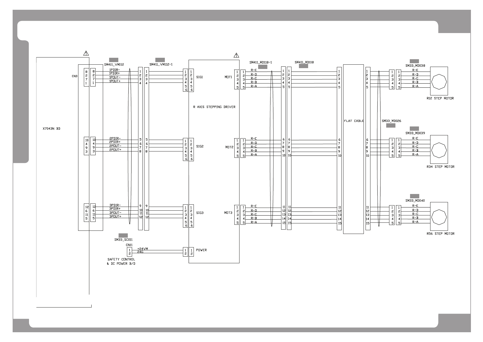
Page HANWHA TECHWIN 162 SM411 Step Motor Interface (R 1-2, R3-4, R5-6) (2/2) [1 ] [2 ] [3 ] [4 ] [5 ] [6 ] [7 ] [8 ] [9 ]

Page
HANWHA TECHWIN
161
SM411
Step Motor Interface (R1-2, R3-4, R5-6) (1/2)
NO. PART NO. PART NAME Q'TY Old No. Stock Apply Reference
1 AM03-004408A CABLE ASSY-FR_STEP_DRV_CMD_RACK 1
2 AM03-004412A CABLE ASSY-FR_STEP_DRV_CMD_EXT 1
3 J90831062E FR_RR_STEP_DRV_PW_CABLE_ASSY 1
4 AM03-004431A CABLE ASSY-FR_STEP_MOTOR_PW 1
5 J90831182D R_STEP_MOTOR_PWR_EXT_CABLE_ASSY 1
6 J90830190B R12_MOTOR_CABLE_ASSY 1
7 J90831009B R34_MOTOR_CABLE_ASSY 1
8 J90831010B R56_MOTOR_CABLE_ASSY 1

Page
HANWHA TECHWIN
162
SM411
Step Motor Interface (R1-2, R3-4, R5-6) (2/2)
[1] [2]
[3]
[4]
[5]
[6]
[7]
[8]
[9]

Page
HANWHA TECHWIN
163
SM411
Step Motor Interface (R1-2, R3-4, R5-6) (2/2)
NO. PART NO. PART NAME Q'TY Old No. Stock Apply Reference
1 AM03-004414A CABLE ASSY-RR_STEP_DRV_CMD_RACK 1
2 AM03-004416A CABLE ASSY-RR_STEP_DRV_CMD_EXT 1
3 J90831062E FR_RR_STEP_DRV_PW_CABLE_ASSY 1
4 AM03-004475A CABLE ASSY-RR_STEP_MOTOR_PW_EXT 1
5 AM03-004474A CABLE ASSY-RR_STEP_MOTOR_PW 1
6 J90831182D R_STEP_MOTOR_PWR_EXT_CABLE_ASSY 1
7 J90830190B R12_MOTOR_CABLE_ASSY 1
8 J90831009B R34_MOTOR_CABLE_ASSY 1
9 J90831010B R56_MOTOR_CABLE_ASSY 1