SM411_TRM(Ver12.0_CS16.50).pdf - 第134页
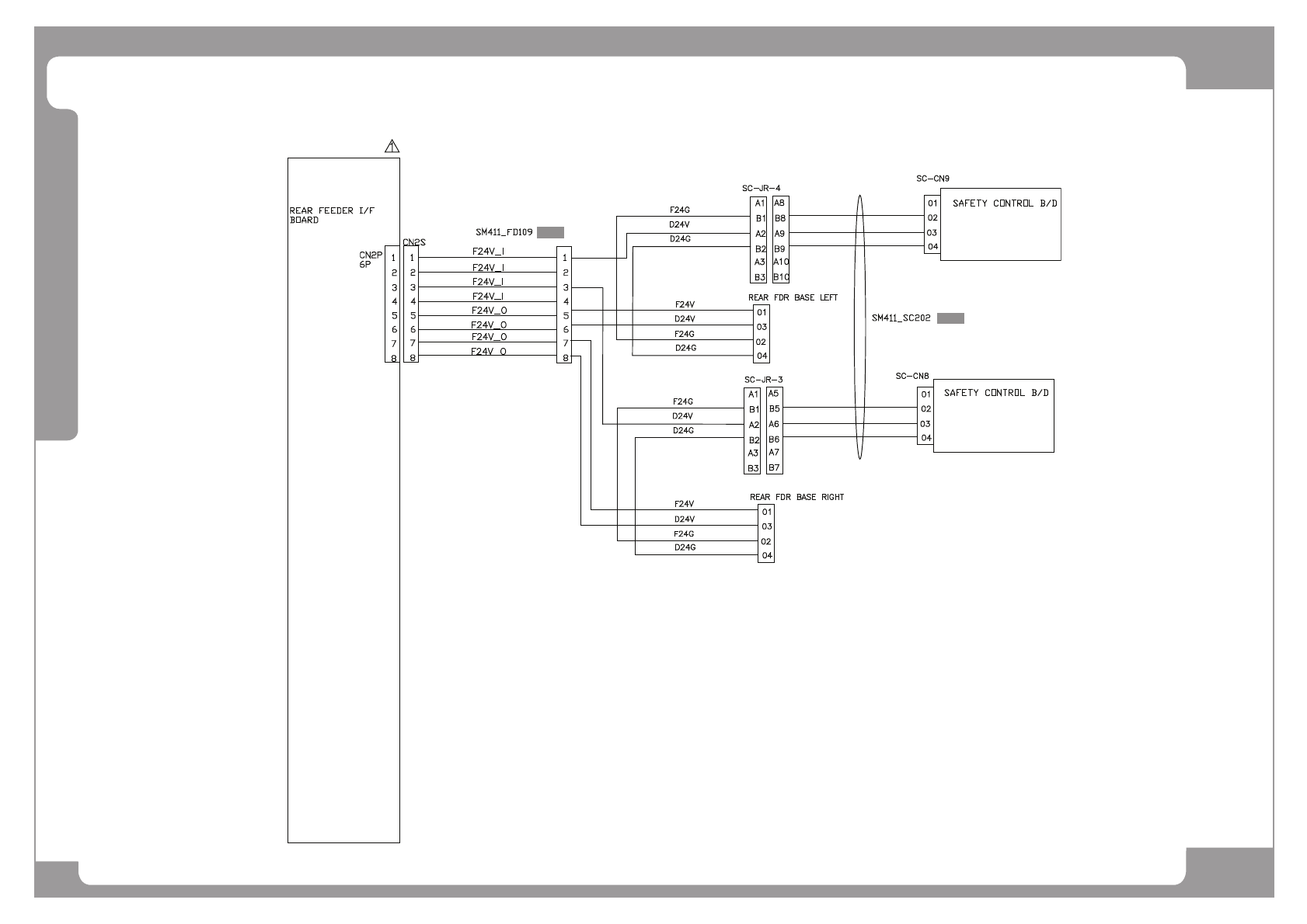
Page HANWHA TECHWIN 122 SM411 Rear Feeder Board Interface (1/2) [1 ] [2 ]

Page
HANWHA TECHWIN
121
SM411
Front Feeder Board Interface (2/2)
NO. PART NO. PART NAME Q'TY Old No. Stock Apply Reference
1 AM03-004456A CABLE ASSY-F_FDR_BASE_PW_J7L 1
2 AM03-004455A CABLE ASSY-FFDB_KV_SS_PW_SC_J7L 1

Page
HANWHA TECHWIN
122
SM411
Rear Feeder Board Interface (1/2)
[1]
[2]

Page
HANWHA TECHWIN
123
SM411
Rear Feeder Board Interface (1/2)
NO. PART NO. PART NAME Q'TY Old No. Stock Apply Reference
1 J90800840B FDR INPUT EXT CABLE ASSY SM_FD005 1
2 AM03-004346A CABLE ASSY-RFDR-RFL_CAN_J6R 1
3 AM03-004341A CABLE ASSY-CAN_TW_LAMP_J6R_J11L 1
4 AM03-004347A CABLE ASSY-RFDR-RFL_CAN_J11L 1
5 AM03-004343A CABLE ASSY-MASTER2_RFDR_CAN 1
6 AM03-004344A CABLE ASSY-MASTER2_RFDR_CAN_EXT 1
7 AM03-004338A CABLE ASSY-MASTER1_FFDR_CAN 1
8 AM03-004334A CABLE ASSY-BD_PW_SC_J1R 1
9 J90800838D LEFT FDR SOL OUTPUT CABLE ASSY 1
10 J90800839D RIGHT FDR SOL OUTPUT CABLE ASSY 1
11 J90800841C LEFT FDR SENSOR INPUT CABLE ASS 1
12 J90800842C RIGHT FDR SENSOR INPUT CABLE AS 1