SM411_TRM(Ver12.0_CS16.50).pdf - 第209页
Page HANWHA TECHWIN 197 SM411 Electric Circuit Diagram - SM411N (4/6) NO. PA R T N O . P ART NAME Q'TY Old No. Sto ck Apply Reference 1 EP0 2-000599A PS5 ,PS6 AC POWER CABLE ASSY 1 2 EP0 2-000595A PS5 DC24V POWER CA…

Page
HANWHA TECHWIN
196
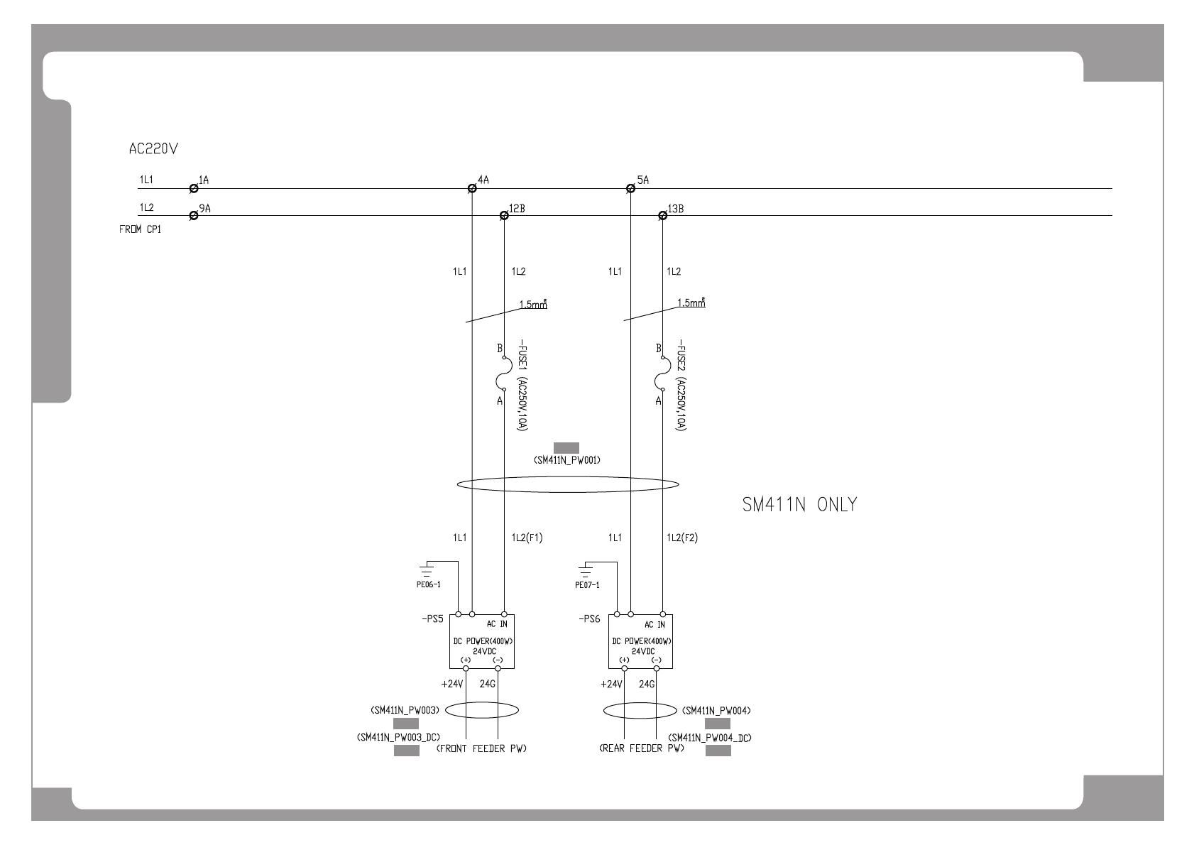
SM411
Electric Circuit Diagram - SM411N (4/6)
^4`
^5` ^6`
^7` ^8`

Page
HANWHA TECHWIN
197
SM411
Electric Circuit Diagram - SM411N (4/6)
NO. PART NO. PART NAME Q'TY Old No. Stock Apply Reference
1 EP02-000599A PS5,PS6 AC POWER CABLE ASSY 1
2 EP02-000595A PS5 DC24V POWER CABLE ASSY 1
3 EP02-000596A PS6 DC24V POWER CABLE ASSY 1
4 AM03-001727A PS5 DC24V POWER CABLE ASSY 1 SM411N DC ONLY
5 AM03-001728A PS6 DC24V POWER CABLE ASSY 1 SM411N DC ONLY

Page
HANWHA TECHWIN
198
SM411
Electric Circuit Diagram - SM411N (5/6)
^44`
^4`
^6`
^5`
^7`
^8`
^9`
^:`
^;`
^<`
^43`
^45`
^46`
^47`
^48` ^49`
^4:` ^4;`