SM411_TRM(Ver12.0_CS16.50).pdf - 第129页
Page HANWHA TECHWIN 11 7 SM411 VME IO Board Interface NO. P ART NO. P ART NAME Q'TY Old No. Stoc k Apply Reference 1 AM03-00437 3A CA BLE ASSY -HD1_V AC _BLOW_CTRL 1 2 AM03-00437 8A CA BLE ASSY -HD1_V AC -BLOW_CTRL_…

Page
HANWHA TECHWIN
116
SM411
VME IO Board Interface
[1] [2]
[3] [4]
[5] [6]
[7]

Page
HANWHA TECHWIN
117
SM411
VME IO Board Interface
NO. PART NO. PART NAME Q'TY Old No. Stock Apply Reference
1 AM03-004373A CABLE ASSY-HD1_VAC_BLOW_CTRL 1
2 AM03-004378A CABLE ASSY-HD1_VAC-BLOW_CTRL_EXT 1
3 AM03-004381A CABLE ASSY-HD2_VAC-BLOW_CTRL 1
4 AM03-004383A CABLE ASSY-HD2_VAC-BLOW_CTRL_EXT 1
5 AM03-004468A CABLE ASSY-VME_IO_BD_PW_J2R 1
6 AM03-004464A CABLE ASSY-RACK_BD_RFDR_PW_SC_J2R 1
7 J90831288A AXIS_SENSOR_BD_DATA_CABLE_ASSY SM33-CS03 1

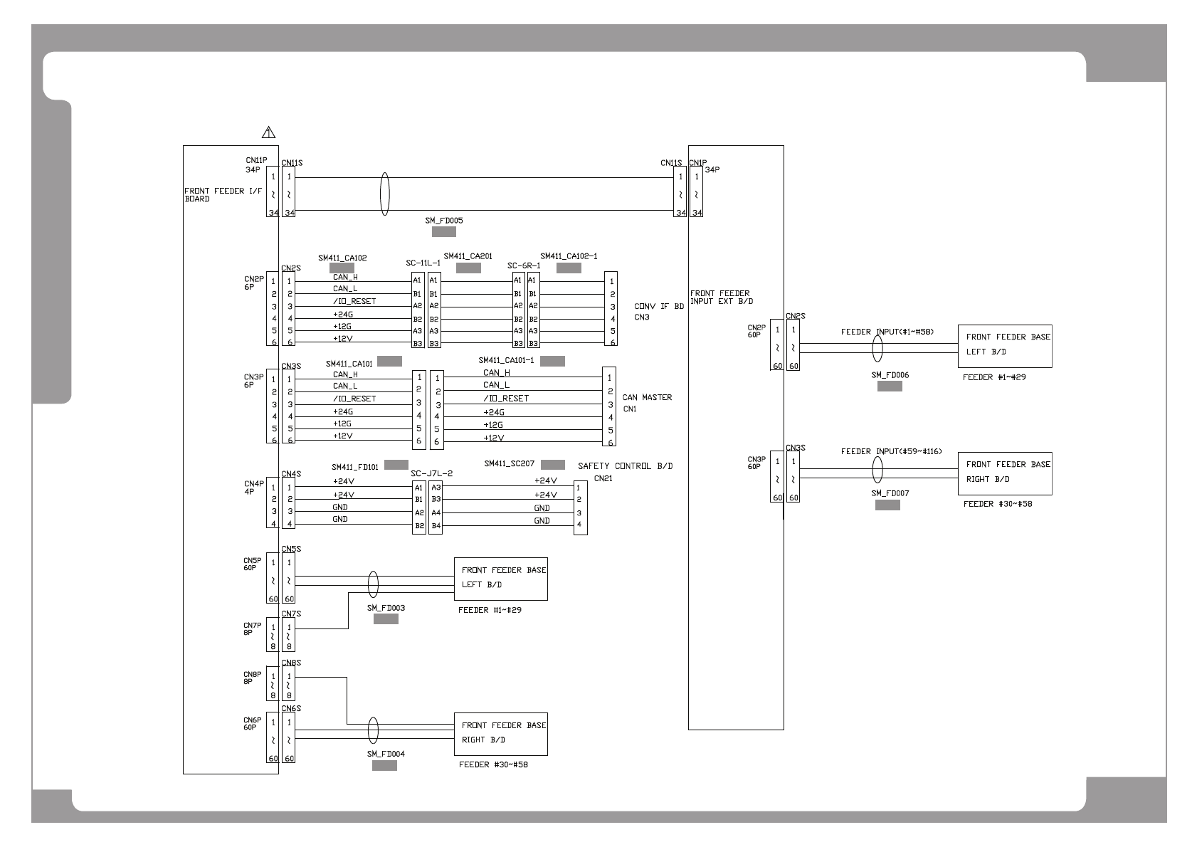
Page
HANWHA TECHWIN
118
SM411
Front Feeder Board Interface (1/2)
[2] [3]
[4]
[1]
[5] [6]
[7] [8]
[9]
[10]
[11]
[12]