SM411_TRM(Ver12.0_CS16.50).pdf - 第211页
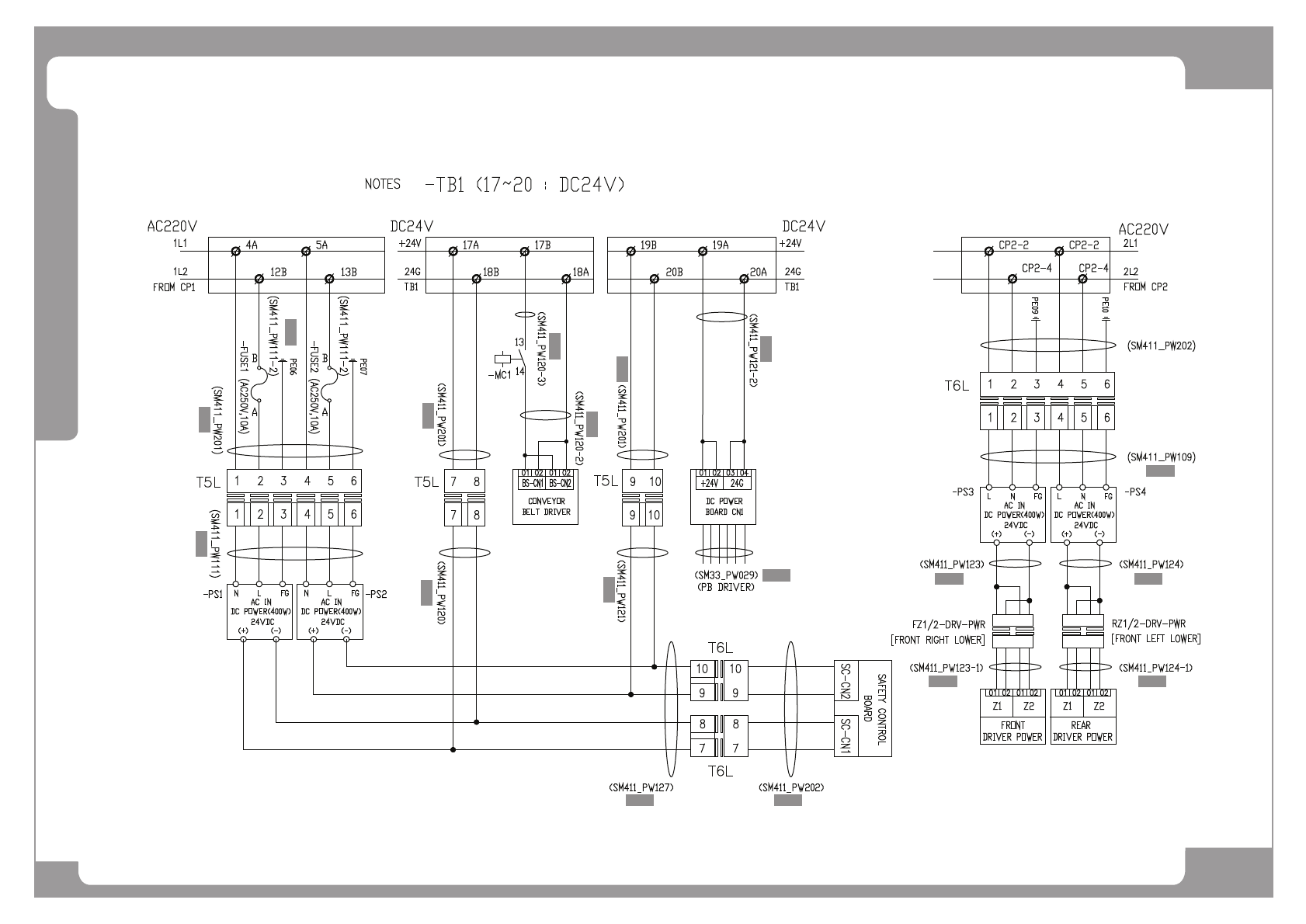
Page HANWHA TECHWIN 199 SM411 Electric Circuit Diagram - SM411N (5/6) NO. PA R T N O . P ART NAME Q'TY Old No. Sto ck Apply Reference 1 A M03-004461A CABLE ASSY -PS12_AC_ DC_PW_T5L 1 2 A M03-004481A CABLE ASSY -TB1_…

Page
HANWHA TECHWIN
198
SM411
Electric Circuit Diagram - SM411N (5/6)
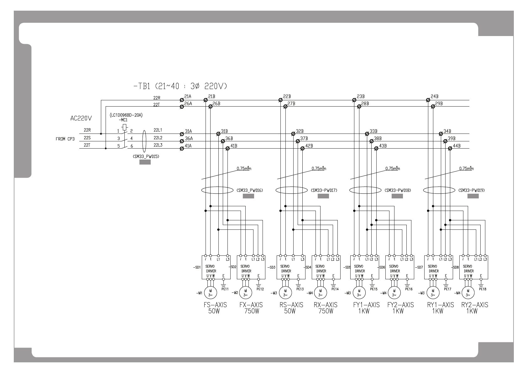
^44`
^4`
^6`
^5`
^7`
^8`
^9`
^:`
^;`
^<`
^43`
^45`
^46`
^47`
^48` ^49`
^4:` ^4;`

Page
HANWHA TECHWIN
199
SM411
Electric Circuit Diagram - SM411N (5/6)
NO. PART NO. PART NAME Q'TY Old No. Stock Apply Reference
1 AM03-004461A CABLE ASSY-PS12_AC_DC_PW_T5L 1
2 AM03-004481A CABLE ASSY-TB1_PS1_PS2_PW_T5L 1
3 AM03-004482A CABLE ASSY-TB1_FS1_FS2 2
4 AM03-004461A CABLE ASSY-PS12_AC_DC_PW_T5L 1
5 AM03-004483A CABLE ASSY-PS1_1_DC_PW_BD_T5L 1
6 AM03-004485A CABLE ASSY-TB1_MC1 1
7 AM03-004484A CABLE ASSY-BELT_DRV_PW 1
8 AM03-004461A CABLE ASSY-PS12_AC_DC_PW_T5L 1
9 AM03-004486A CABLE ASSY-PS1_2_DC_PW_BD 1
10 AM03-004487A CABLE ASSY-DC_PW_BD 1
11 J90831091C SHUTTLE_WIDTH_PW_CABLE_ASSY 1
12 AM03-004494A CABLE ASSY-PS1_PS2_SACO_T6L 1
13 AM03-004462A CABLE ASSY-PS34_AC_PS12_DC_PW_T6L 2
14 AM03-004480A CABLE ASSY-PS3_PS4_PW_T6L 1
15 AM03-004488A CABLE ASSY-FZ1-FZ6_DC24V_PW 1
16 AM03-004490A CABLE ASSY-RZ1-RZ6_DC24V_PW 1
17 AM03-004489A CABLE ASSY-FZ1-FZ6_DC24V_PW_EXT 1
18 AM03-004491A CABLE ASSY-RZ1-RZ6_DC24V_PW_EXT 1

Page
HANWHA TECHWIN
200
SM411
Electric Circuit Diagram - SM411N (6/6)
^4`
^5`
^6` ^7`
^8`