SM411_TRM(Ver12.0_CS16.50).pdf - 第204页
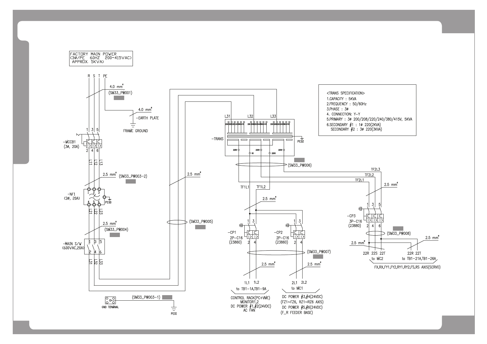
Page HANWHA TECHWIN 192 SM411 Electric Circuit Diagram - SM411N (2/6) ^4` ^5` ^6` ^7` ^8` ^9` ^:` ^;`

Page
HANWHA TECHWIN
191
SM411
Electric Circuit Diagram - SM411N (1/6)
NO. PART NO. PART NAME Q'TY Old No. Stock Apply Reference

Page
HANWHA TECHWIN
192
SM411
Electric Circuit Diagram - SM411N (2/6)
^4`
^5`
^6`
^7`
^8`
^9`
^:`
^;`

Page
HANWHA TECHWIN
193
SM411
Electric Circuit Diagram - SM411N (2/6)
NO. PART NO. PART NAME Q'TY Old No. Stock Apply Reference
1 J90831063A MAIN_POWER_CABLE_ASSY SM33-PW001 1
2 J90831253C MCCB_NF1_EARTH_CABLE_ASSY 1
3 J90831066D NF1_MAIN_SWITCH_CABLE_ASSY 1
4 AM03-013512A MAIN_SWITCH_TB2_CABLE_ASSY 1 AM03-900132
5 AM03-001211A CABLE ASSY-TRANS_CP1,2,3 CABLE ASSY 1
6 J90831069C CP1_TB1_MC1_CABLE_ASSY 1
7 J90831070C CP2_TB1_MC2_CABLE_ASSY 1
8 J90831252A REAR_ELEC_PANEL_EARTH_CABLE_ASSY SM33-PW 1