SM411_TRM(Ver12.0_CS16.50).pdf - 第159页
Page HANWHA TECHWIN 147 SM411 Servo Interface (Y1, Y2) (1/2) NO. PA R T N O . P ART NAME Q'TY Old No. Sto ck Apply Reference 1 J 90831 1 14D R Y1_RY2_DR V_COMMAND_CABLE_ ASSY 1 2 J9 0831080B FY1_FY2_S ERVO_POWER_CAB…

Page
HANWHA TECHWIN
146
SM411
Servo Interface (Y1, Y2) (1/2)
^5`
^6`
^7`
^8`
^9`
^:`
^;`
^<`
^4`

Page
HANWHA TECHWIN
147
SM411
Servo Interface (Y1, Y2) (1/2)
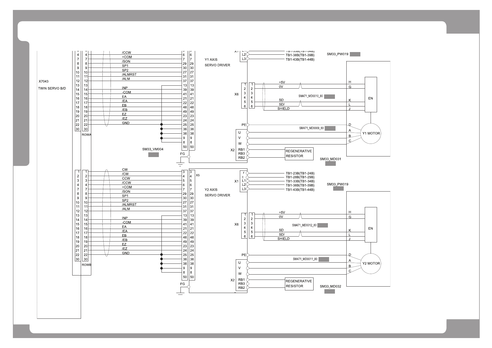
NO. PART NO. PART NAME Q'TY Old No. Stock Apply Reference
1 J90831114D RY1_RY2_DRV_COMMAND_CABLE_ASSY 1
2 J90831080B FY1_FY2_SERVO_POWER_CABLE_ASSY 2
3 AM03-008736A CABLE ASSY-FY1_MOTOR_ENC_80 1 J90831162C
4 AM03-008735A CABLE ASSY-FY1_MOTOR_PWR_80 1 AM03-001871B
5 J90831184A FY1_REGEN_RESISTOR_CABLE_ASSY SM33-MD028 1
6 AM03-008739A CABLE ASSY-FY2_MOTOR_ENC_80 1
7 AM03-008744A CABLE ASSY-FY2_MOTOR_PWR_80 1 AM03-001870B
8 J90831185A FY2_REGEN_RESISTOR_CABLE_ASSY SM33-MD029 1

Page
HANWHA TECHWIN
148
SM411
Servo Interface (Y1, Y2) (2/2)
^5`
^6`
^7`
^8`
^9`
^:`
^;`
^<`
^4`