SM411_TRM(Ver12.0_CS16.50).pdf - 第189页
Page HANWHA TECHWIN 177 SM411 Safety Control Boar d Interface (5/5) NO. PA R T N O . P ART NAME Q'TY Old No. Sto ck Apply Reference 1 A M03-004464A CABLE ASSY -RACK_BD_RFD R_PW_SC_J2R 1 2 A M03-004468A CABLE ASSY -V…

Page
HANWHA TECHWIN
176
SM411
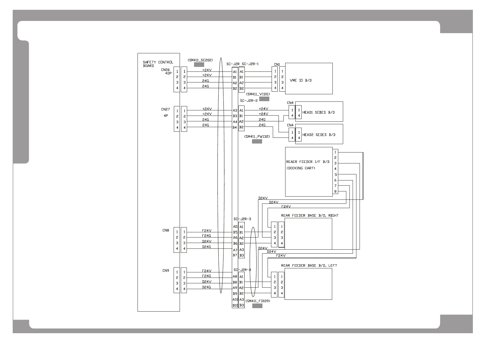
Safety Control Board Interface (5/5)
[2]
[1]
[3]
[4]

Page
HANWHA TECHWIN
177
SM411
Safety Control Board Interface (5/5)
NO. PART NO. PART NAME Q'TY Old No. Stock Apply Reference
1 AM03-004464A CABLE ASSY-RACK_BD_RFDR_PW_SC_J2R 1
2 AM03-004468A CABLE ASSY-VME_IO_BD_PW_J2R 1
3 AM03-004495A CABLE ASSY-SEDES_BD_PW_J2R 1
4 AM03-004467A CABLE ASSY-R_FDR_BASE_PW_J2R 1

Page
HANWHA TECHWIN
178
SM411
Front Operate Board Interface
[1]
[2]
[3]
[4]
[5]
[6]
[7]
[8]
[9]
[10]
[11] [12] [13]
[14] [15]
[16] [17]