SM411_TRM(Ver12.0_CS16.50).pdf - 第162页
Page HANWHA TECHWIN 150 SM411 Servo Interface (X, SW) [1 ] [2 ] [4 ] [3 ] [5 ] [6 ] [7 ] [8 ] [9 ] [ 10] [ 11] [ 12] [1 3 ] [1 4 ]

Page
HANWHA TECHWIN
149
SM411
Servo Interface (Y1, Y2) (2/2)
NO. PART NO. PART NAME Q'TY Old No. Stock Apply Reference
1 J90831113D FY1_FY2_DRV_COMMAND_CABLE_ASSY 1
2 J90831081B RY1_RY2_SERVO_POWER_CABLE_ASSY 2
3 AM03-008746A CABLE ASSY-RY1_MOTOR_ENC_80 1
4 AM03-008745A CABLE ASSY-RY1_MOTOR_PWR_80 1 AM03-001869B
5 J90831187C RY1_REGEN_RESISTOR_CABLE_ASSY 1
6 AM03-008748A CABLE ASSY-RY2_MOTOR_ENC_80 1 J90831168C
7 AM03-008747A CABLE ASSY-RY2_MOTOR_PWR_80 1 AM03-001872B
8 J90831188A RY2_REGEN_RESISTOR_CABLE_ASSY SM33-MD032 1

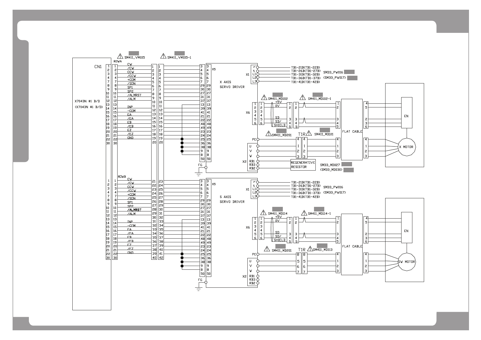
Page
HANWHA TECHWIN
150
SM411
Servo Interface (X, SW)
[1]
[2]
[4]
[3]
[5] [6]
[7]
[8]
[9]
[10]
[11] [12]
[13]
[14]

Page
HANWHA TECHWIN
151
SM411
Servo Interface (X, SW)
NO. PART NO. PART NAME Q'TY Old No. Stock Apply Reference
1 AM03-004398A CABLE ASSY-FX_FS1_DRV_CMD_RACK 1
2 AM03-004400A CABLE ASSY-FX_FS1_DRV_CMD_EXT 1
3 AM16-000014A ASSY,CABLE-FX,FS SERVO POWER CABLE ASS'Y 2
4 AM16-000015A ASSY,CABLE-RX,RS SERVO POWER CABLE ASS'Y 2
5 AM03-004544A CABLE ASSY-FX_MOTOR_ENC 1
6 AM03-004545A FX_MOTOR_ENC_EXT 1
7 AM03-004458A CABLE ASSY-FX_FS_F_MOT_PW_T1R 1
8 AM03-004434A CABLE ASSY-FX_MOTOR_PWR_T1R 1
9 J90831183A FX_REGEN_RESISTOR_CABLE_ASSY SM33-MD027 1
10 J90831186A RX_REGEN_RESISTOR_CABLE_ASSY SM33-MD030 1
11 AM03-004550A CABLE ASSY-FS_MOTOR_ENC 1
12 AM03-004551A CABLE ASSY-FS_MOTOR_ENC_EXT 1
13 AM03-004458A CABLE ASSY-FX_FS_F_MOT_PW_T1R 1
14 AM03-004470A CABLE ASSY-FS_MOTOR_PWR_T1R 1