SM411_TRM(Ver12.0_CS16.50).pdf - 第173页
Page HANWHA TECHWIN 161 SM411 Step Motor Interface (R 1-2, R3-4, R5-6) (1/2) NO. PA R T N O . P ART NAME Q'TY Old No. Sto ck Apply Reference 1 A M03-004408A CABLE ASSY -FR_STEP_D RV_CMD_RACK 1 2 A M03-004412A CABLE …

Page
HANWHA TECHWIN
160
SM411
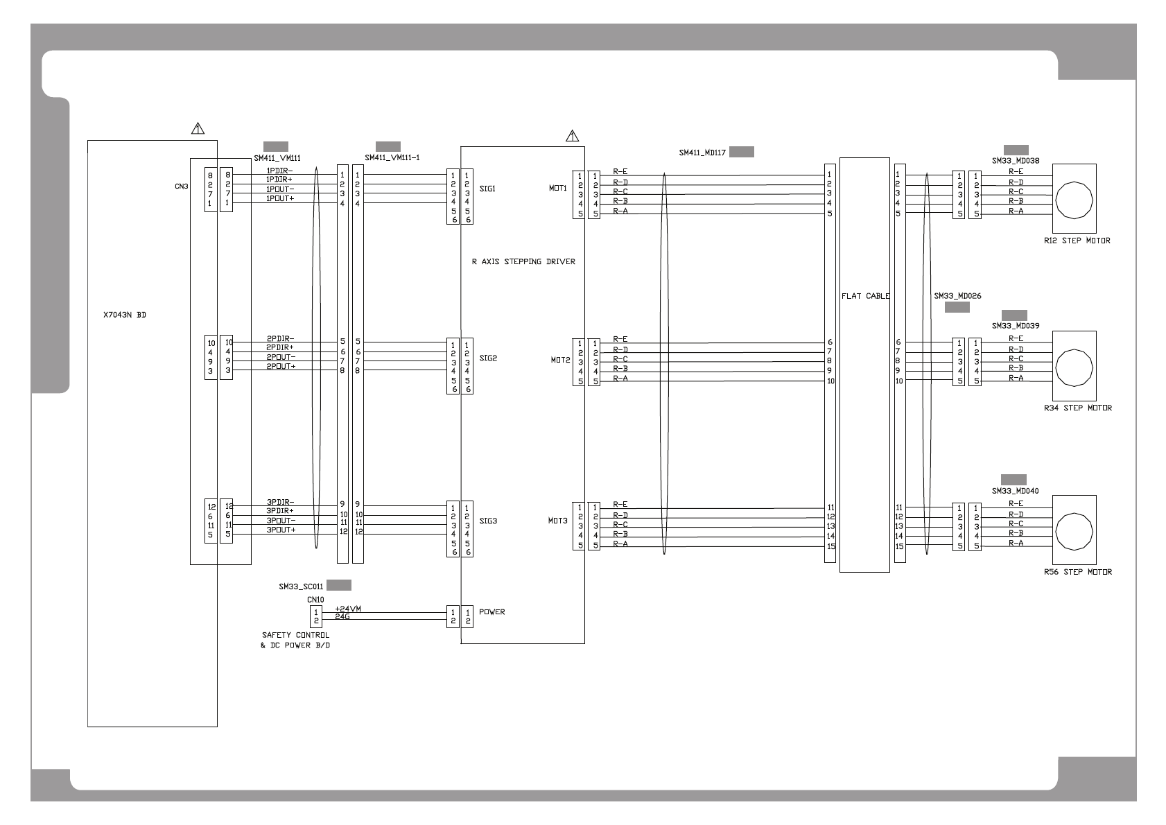
Step Motor Interface (R1-2, R3-4, R5-6) (1/2)
[1] [2]
[3]
[4]
[5]
[6]
[7]
[8]

Page
HANWHA TECHWIN
161
SM411
Step Motor Interface (R1-2, R3-4, R5-6) (1/2)
NO. PART NO. PART NAME Q'TY Old No. Stock Apply Reference
1 AM03-004408A CABLE ASSY-FR_STEP_DRV_CMD_RACK 1
2 AM03-004412A CABLE ASSY-FR_STEP_DRV_CMD_EXT 1
3 J90831062E FR_RR_STEP_DRV_PW_CABLE_ASSY 1
4 AM03-004431A CABLE ASSY-FR_STEP_MOTOR_PW 1
5 J90831182D R_STEP_MOTOR_PWR_EXT_CABLE_ASSY 1
6 J90830190B R12_MOTOR_CABLE_ASSY 1
7 J90831009B R34_MOTOR_CABLE_ASSY 1
8 J90831010B R56_MOTOR_CABLE_ASSY 1

Page
HANWHA TECHWIN
162
SM411
Step Motor Interface (R1-2, R3-4, R5-6) (2/2)
[1] [2]
[3]
[4]
[5]
[6]
[7]
[8]
[9]