YAMAHA高级培训.pdf - 第7页
Y AMAHA Xg 高级维护指导 - 7 -

YAMAHA Xg 高级维护指导
Chapter B电路控制结构
Part1. 电器控制基本结构
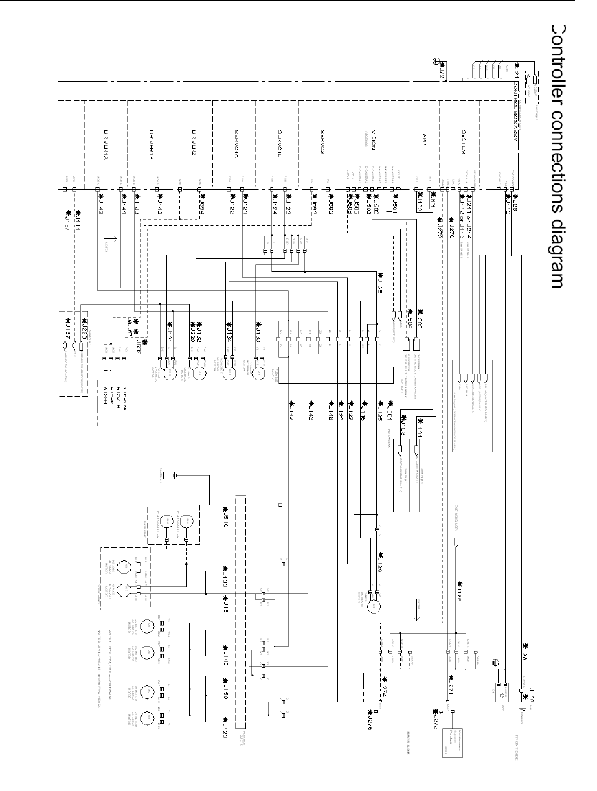
A.YAMAHA Xg 设备内为机器的主要电器控制单元,包含电脑主板,Flash 卡,
视觉板(通常为一块,YG 设备为两块)APPL 板(负责与 I/O 板通讯),伺服
板,驱动板,电源板,光驱。
B.其中电脑主板包含主板,CPU,内存,其各部分的配置随设备时期不同而有所
不同,理论上讲在 Xg 设备之间可以进行互换(Xg 设备与 YG 设备之间不可以
互换)。
C.Flash 卡为系统意义上的硬盘,Xg 设备 256Mb,YG 设备 512Mb,Flash 卡出现
一般性损坏时(如系统提示有坏道),可以通过磁盘扫描(Scandisk)的方法
进行处理,如果完全损坏或系统损坏,请参照 Chapter A Part4.2 的步骤进
行安装处理。
D.伺服及驱动板的数量随机器的配置不同而不同,最多时为 3 对,特别需要注
意的是设备内的伺服及驱动板之间不可以随意互换,更换这两类电路板时需
要注意版本号(电路板上贴有版本标签)。对应电路控制图可知相应的控制板
来控制相应的伺服马达。
- 6 -

YAMAHA Xg 高级维护指导
- 7 -

YAMAHA Xg 高级维护指导
- 8 -
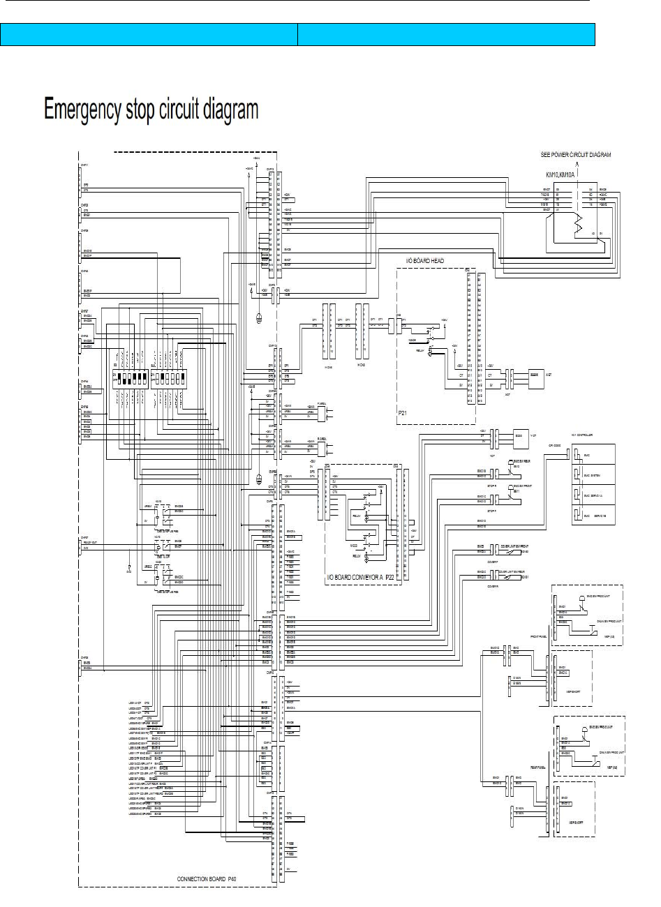
Part2 急停控制
A.急停控制电路
B.急停控制信号在设备后部的 CONNECT Board 控制机器的急停及安全信号,查
找相应的 LED 灯的开关,可以诊断相应的急停或安全条件是否已经触发,如
下列表。