03229208-01-01 All Purpose Clamping (APC) Manual DE.PDFA.pdf - 第29页
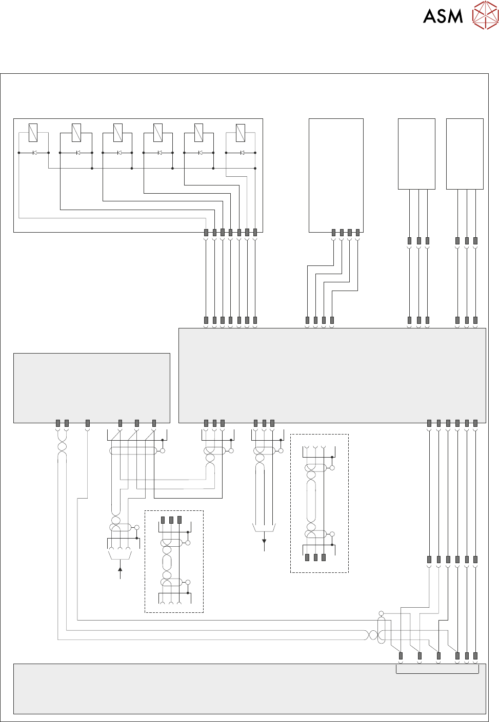
2 UNIVERSALKLEMMEN (APC) 2.4 ELEKTROSCHALTPLAN EIGENSTÄNDIGES HANDBUCH UNIVERSALKLEMMEN (APC) 12/2019 29 2.4 ELEKTROSCHALTPLAN Part N2P L3B Part N9S K4A GE MI NI OP TI ON ON L Y M37S K07A Part M37 Power Supply Enclosure …

2 UNIVERSALKLEMMEN (APC)
2.3 APC-STEUERUNG
28 EIGENSTÄNDIGES HANDBUCH UNIVERSALKLEMMEN (APC) 12/2019
2.3.4 IO Knoten 5
Knoten 5 bietet die elektrische Verbindung zu den Solenoids, dem CAN Bus und dem ITV Ventil.
NODE 5 OTS & HTC BOARD
198769 ISSUE
N5SK9
N5SK11
N5SK7
N5PL2
N5PL3
N5SK6
N5SK10
N5SK8
N5SK5
N5SK3
N5PL14
N5SK2
N5SK1
N5SK12
N5PL1
N5SK4
N5PL1 +12/+24 V Leistungsaufnahme
N5PL2 CAN Ein
N5PL3 CAN Aus
N5SK6 Digital Aus 0-4 ~ APC Solenoid Bank
N5SK7 Obere Platte Einfahren vorne (induktiver Näherungssensor)
N5SK8 Obere Platte Einfahren hinten (induktiver Näherungssensor)
N5SK10 Analog ~ Klemmendruckregler

2 UNIVERSALKLEMMEN (APC)
2.4 ELEKTROSCHALTPLAN
EIGENSTÄNDIGES HANDBUCH UNIVERSALKLEMMEN (APC) 12/2019 29
2.4 ELEKTROSCHALTPLAN
Part N2PL3BPart N9SK4A
GEMINI OPTION ONLY
M37SK07A
Part M37
Power Supply
Enclosure
M37SK07
+24V US
0V
+24V SW
0V
+12V
0V
APC
Moving Rail Motor
Node 20
N20PL02 - P1
0V
+24V SW
Part N20PL02 - P2B
+24V US
Part N20PL01 - P3
CAN H
CAN L
CAN GND
Part N20SK01
Part N20SK02 - P2B
N20SK02 - P1
Node 5
Part N5PL2
CAN H
CAN L
CAN GND
Part N5SK2
Part N5PL3
CAN H
CAN L
CAN GND
Part N5SK3
Part N5SK3Part N9PL4
GEMINI OPTION ONLY
Part N2SK3
CAN IN
FROM
NODE 2
CAN OUT
M37PL07 N5SK1 N5PL1
+24V US
0V
+24V SW
+12V
0V
0V
N5SK08
N5PL08
DIG IN 7
+12V
0V
8SE100
TOP PLATE
RETRACT
REAR
INDUCTIVE
PROXIMITY
SWITCH NC
8SK236 8PL236
N5SK07
N5PL07
DIG IN 5
+12V
0V
8SE98
TOP PLATE
RETRACT
FRONT
INDUCTIVE
PROXIMITY
SWITCH NC
8SK235 8PL235
CLAMP PRESSURE
REGULATOR
+24V
PRESSURE DEMAND INPUT
0V
PRESSURE MONITOR OUTPUT
N5SK10
N5PL10
+24V US
ANALOGUE OUT1
0V
ADC IN1
N5SK06
N5PL06
DIG OUT 0
DIG OUT 1
DIG OUT 2
DIG OUT 3
DIG OUT 4
DIG OUT 5
8SOL10
MIDDLE
PLATE UP
8SOL11
MIDDLE
PLATE
DOWN
8SOL12
OVERTOP
PLATE
EXTEND
8SOL13
OVERTOP
PLATE
RETRACT
8SOL14
Z LOCKS
0V
NOT
USED
APC-Schaubild

2 UNIVERSALKLEMMEN (APC)
2.4 ELEKTROSCHALTPLAN
30 EIGENSTÄNDIGES HANDBUCH UNIVERSALKLEMMEN (APC) 12/2019
Machine PC
Motherboard
Machine Control Enclosure
NextMove
Interface Card
X4
NextMove ES
(I/O Node 1)
X5
USB
Board at Left
Sensor (8SE
8)
8PL
10
8PL
04
Sig
+12V
0V
8PL22
M36PL18
Moving Rail
Home (8SE
6)
8PL26
M36PL
19
+12V
0V
Sig
Rail Lift Right
(8SE
4)
+12V
Sig
0V
(L)
8SK23 8PL29
Rear Belt
Drive (8M04)
Dual Speed
Motor
Dual Speed
Motor
Controller
8SK21 8PL29
Front Belt
Drive (8M03)
Dual Speed
Motor
Dual Speed
Motor
Controller
8PL15
Rail Lift Left
(8
SE
5)
+12V
Sig
0V
8PL12
Board at Right
Sensor (8SE
7)
8PL
03
Sig
+12V
0V
modulare Transportschienen Plan