KE-3010_EPU使用说明.pdf - 第302页

EPU 使用说明书 第 7 章 程序补充 7-7 J 形引脚 插座 外型尺寸 横 外型尺寸 纵 元件高度 引脚间距 引脚长度 鸥翼式 插座 外型尺寸 横 外型尺寸 纵 元件高度 引脚间距 引脚长度 带减震 器的插座 外型尺寸 横 外型尺寸 纵 元件高度 引脚间距 引脚长度

100%1 / 320
EPU 使用说明书 7 程序补充
7-6
网络电
外形尺寸
元件高度
外型尺寸
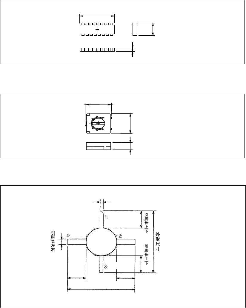
微调电容器
外型尺寸
元件高度
外型尺寸
GaAsFET(仰视图)
外形尺寸
Source
Gate
Source
Drain
引脚长左右
引脚长左右
引脚宽上下
EPU 使用说明书 7 程序补充
7-7
J 形引脚插座
外型尺寸
外型尺寸
元件高度
引脚间距
引脚长度
鸥翼式插座
外型尺寸
外型尺寸
元件高度
引脚间距
引脚长度
带减震器的插座
外型尺寸
外型尺寸
元件高度
引脚间距
引脚长度
EPU 使用说明书 7 程序补充
7-8
单向引脚连接器
双向引脚连接器
Z 引脚连接器
外形尺寸
元件高度
引脚长度
引脚间距
外形尺寸
引脚间距
元件高度
外形尺寸
外形尺寸
引脚长度
外形尺寸
下边引脚向右侧移动半个引脚间距
外形尺寸
元件高度
引脚长度
引脚间距