P-185-003e.pdf - 第153页
Key No. P AR T No. P AR T NAME Q’ty REMARKS NOTE MODEL TCM-X210 0306-001 151 JE-6 551 630 091 3569 ASSY ,CORD X200J10 1 XNC182,183,184,185,-XNC60,64,61, 68(XY) 801JE-1 10-551 552 630 091 3576 ASSY ,CORD X200J1 1 1 XNC183…

MODEL TCM-X210
0306-001
150
XY
テーブル配管、配線
XY TABLE PIPING,WIRING
Fig. JE-6
ケーブル配線
Cable Wiring
See Fig.JD-1
Key No.33
See Fig.JD-1
Key No.1
See Fig.JE-3
Key No.209
See Fig.JB-4
Key No.301
See Fig.JE-3
Key No.209
See Fig.JB-4
Key No.31
6
See Fig.JC-5
Key No.412
See Fig.JE-2
Key No.103
See Fig.JD-6
Key No.504
MPM14(CHW)
See Fig.JC-1
Key No.4
561
555
552
554
563
568
571
558
557
553
565
560
See Fig.JE-3
Key No.20
6
See Fig.JB-1
Key No.16
MSVM6(X)
MSVM7(Y)
MPM19(BPC)
MSVM8(XYTR)
574
575
551
565
569
564
560
563
562
559
570
554
553
569
572
See Fig.JD-5
Key No.414

Key No. PART No. PART NAME Q’ty REMARKS
NOTE
MODEL TCM-X210
0306-001
151
JE-6
551 630 091 3569 ASSY,CORD X200J10 1 XNC182,183,184,185,-XNC60,64,61,
68(XY) 801JE-110-551
552 630 091 3576 ASSY,CORD X200J11 1 XNC183- 801JE-110-552
553 630 091 3583 ASSY,CORD X200J12 1 XNC182- 801JE-110-553
554 630 091 3590 ASSY,CORD X200J13 1 XNC184- 801JE-110-554
555 630 110 3761 ASSY,CORD (X200J14) 1 XNC188- 801JE-110-555
557 630 091 3668 ASSY,CORD X200J18 1 XNC182A- 801JE-110-557
558 630 091 3675 ASSY,CORD X200J19 1 XNC184A- 801JE-110-558
559 630 091 3682 ASSY,CORD X200J20-1 1 XNC181-XNC65(XY) 801JE-110-559
560 630 091 3699 ASSY,CORD X200J20-2 1 XNC181-XNC191 801JE-110-560
561 630 091 3705 ASSY,CORD X200J20-3 1 XNC191-MPM14 801JE-110-561
562 630 091 3712 ASSY,CORD X200J20-4 1 XNC180-XNC66(XY) 801JE-110-562
563 630 091 3729 ASSY,CORD X200J20-5 1 XNC180-MPM18 801JE-110-563
564 630 091 3736 ASSY,CORD X200J20-6 1 XNC186-XNC67(XY) 801JE-110-564
565 630 091 3743 ASSY,CORD X200J20-7 1 XNC186-MPM19 801JE-110-565
568 630 091 3798 ASSY,CORD X200J23 1 XNC121- 801JE-110-568
569 630 091 3811 ASSY,CORD X200J25 1 XNC187- 801JE-110-569
570 630 091 3804 ASSY,CORD X200J24 1 XNC187- 801JE-110-570
571 630 086 8197 CORD 1 XCN123-XCN122 801JE-110-571
572 630 092 4381 ASSY,CORD (X200PG XYTR) 1 XCN165-XCN164 801JE-110-572
574 630 092 4152 ASSY,CORD (X200MOT X) 1 XCN125- 801JE-110-574
575 630 086 8203 CORD 1 -XCN126 801JE-110-575

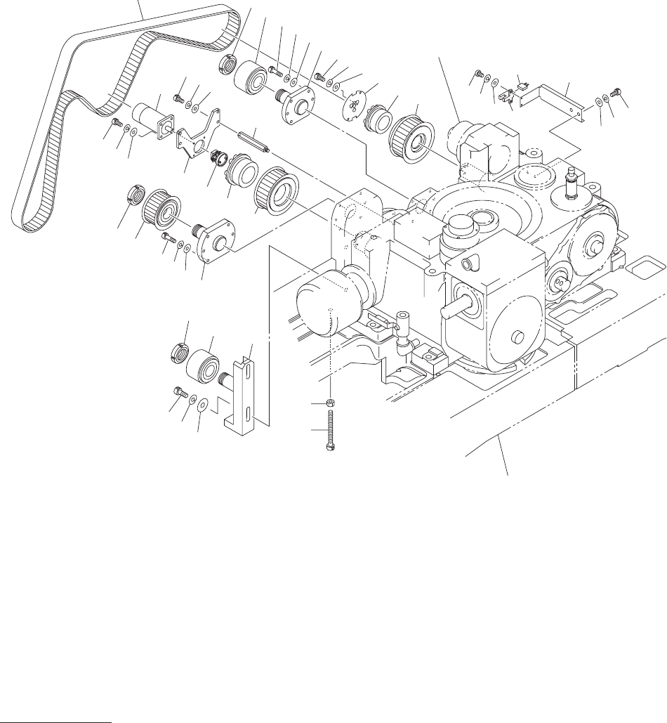
MODEL TCM-X210
0506-002
152
ヘッド駆動部
HEAD DRIVING SECTION
Fig. K-1
メイン駆動部
Main Driver
26
33
32
31
20
19
17
16
18
8
9
7
6
12
11
10
47
22
17
46
45
44
17
16
21
See Fig.B-1
Key No.1
See Fig.L-1
Key No.12
25
24
23
43
28
5
3
2
1
4
15
30
14
13
39
38
37
35
36
40
41
34
42