P-185-003e.pdf - 第36页
MODEL TCM-X210 0306-001 34 1 18 15 35 17 16 9-20 9 A B 9-10 9-11 21 21 21 20 22 25 2 8 7 6 5 4 3 11 12 13 14 10 34 See Fig.L-1 Key No.9 23 24 29 B A See Fig.B-1 Key No.45 空圧制御部 PNEUMA TIC SECTION Fig. D-1 真空ポンプ V acuum P…

Key No. PART No. PART NAME Q’ty REMARKS
NOTE
MODEL TCM-X210
0306-001
33
601 630 116 0443 SUPPORT 1 801C--110-601
602 630 116 0450 SUPPORT 1 801C--110-602
603 411 141 4305 WASHER V 6X12.5X1.6 16 801C--110-603
604 411 141 3001 WASHER SPR 6 16 801C--110-604
605 630 000 7886 BOLT,HEX-SCT 16 801C--110-605
606 411 088 1702 WASHER V 5X10X1 36 801C--110-606
607 411 008 2109 WASHER SPR 5 36 801C--110-607
608 411 140 5006 BOLT HEX 5X16 36 801C--110-608
609 630 086 2720 SUPPORT 13 801C--110-609
610 411 141 4305 WASHER V 6X12.5X1.6 32 801C--110-610
611 411 141 3001 WASHER SPR 6 32 801C--110-611
612 630 000 7879 BOLT,HEX-SCT 32 801C--110-612
613 630 089 2284 NAME PLATE,INDEX 8 801C--110-613
614 630 116 0245 SUPPORT 2 801C--110-614
616 630 114 8892 SUPPORT 3 801C--110-616
C-7

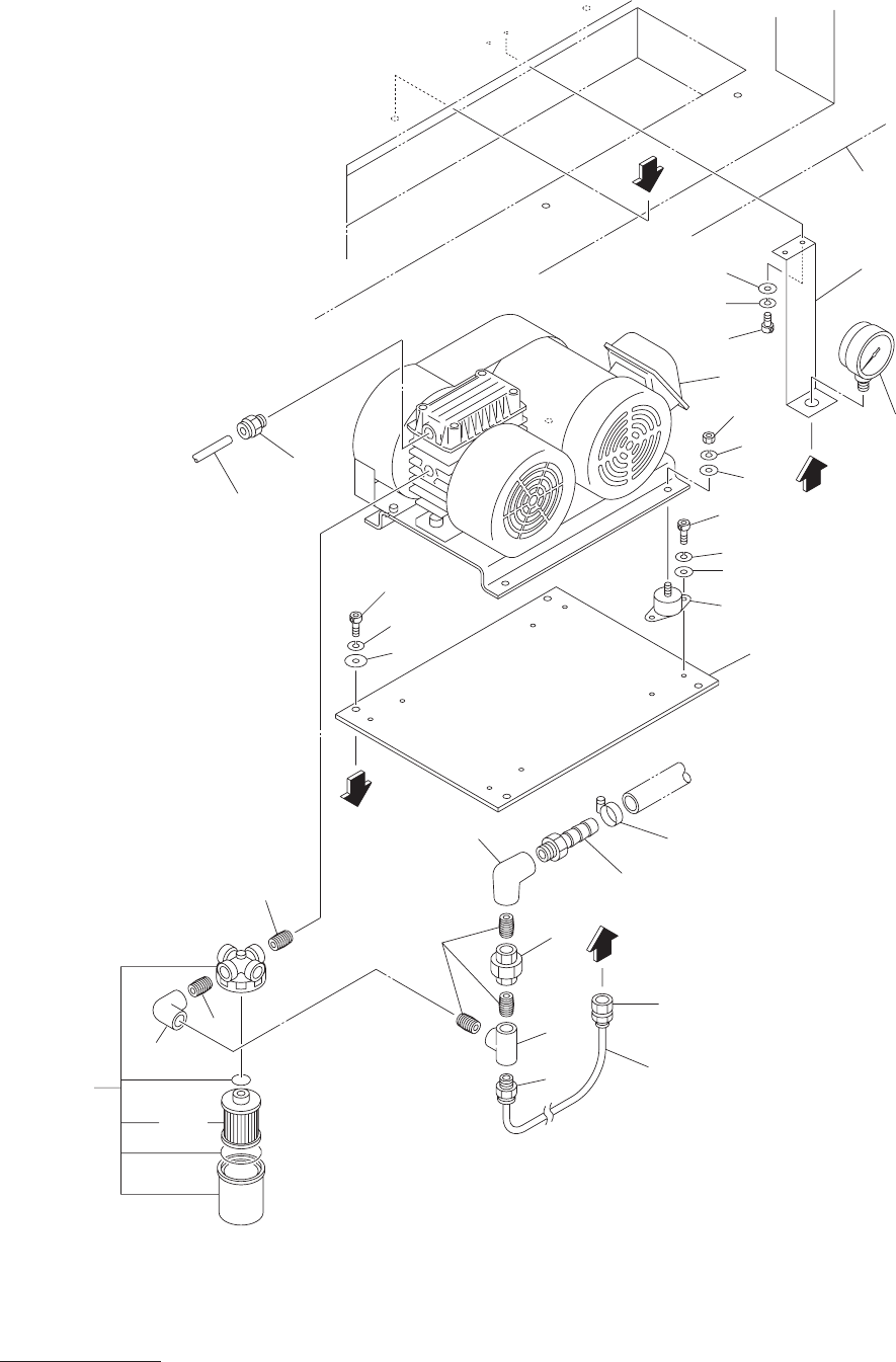
MODEL TCM-X210
0306-001
34
1
18
15
35
17
16
9-20
9
A
B
9-10
9-11
21
21
21
20
22
25
2
8
7
6
5
4
3
11
12
13
14
10
34
See Fig.L-1
Key No.9
23
24
29
B
A
See Fig.B-1
Key No.45
空圧制御部
PNEUMATIC SECTION
Fig. D-1
真空ポンプ
Vacuum Pump

Key No. PART No. PART NAME Q’ty REMARKS
NOTE
MODEL TCM-X210
0306-001
35
1 630 089 0419 PLATE 1 801D--110-001
2 630 003 6787 MECH PARTS(RUBBER DAMPER) 4 801D--110-002
3 411 141 4305 WASHER V 6X12.5X1.6 8 801D--110-003
4 411 141 3001 WASHER SPR 6 8 801D--110-004
5 630 000 7862 BOLT,HEX-SCT 8 801D--110-005
6 630 001 0220 WASHER 4 801D--110-006
7 411 141 6705 WASHER SPR 5 4 801D--110-007
8 630 000 7770 BOLT,HEX-SCT 4 801D--110-008
9 630 055 2195 VACUUM PUMP 1 M1,#3-040437-1 801D--110-009
9 -10 630 031 8593 AIR LINE EQPT(FILTER) 1 #3-037940
9 -11 630 012 1230 AIR LINE EQPT(FLT ELEM) 1 #XB401379743 4-410A302-4
9 -20 630 055 2171 VACUUM PARTS 1 #4-400A302-1
10 630 055 3062 PIPE FITTINGS 1 801D--110-010
11 630 086 8821 BRACKET 1 801D--110-011
12 411 141 4107 WASHER V 5X10X1 2 801D--110-012
13 411 141 6705 WASHER SPR 5 2 801D--110-013
14 630 000 7749 BOLT,HEX-SCT 2 801D--110-014
15 630 003 7074 PIPE FITTINGS 1 801D--110-015
16 411 141 4503 WASHER V 8X17X1.6 4 801D--110-016
17 411 141 3100 WASHER SPR 8 4 801D--110-017
18 411 141 0901 NUT HEX 8 4 801D--110-018
20 630 003 7845 PIPE FITTINGS 1 801D--110-020
21 630 003 8187 PIPE FITTINGS 5 801D--110-021
22 630 003 8088 PIPE FITTINGS 1 801D--110-022
23 630 003 8279 PIPE FITTINGS 1 801D--110-023
24 630 009 3520 PIPE FITTINGS 1 801D--110-024
25 630 003 7067 PIPE FITTINGS 1 801D--110-025
29 630 004 1026 PIPE FITTINGS 1 801D--110-029
34 630 116 9958 TUBE 1 801D--110-034
35 630 119 6848 TUBE 1 801D--110-035
D-1