P-185-003e.pdf - 第42页
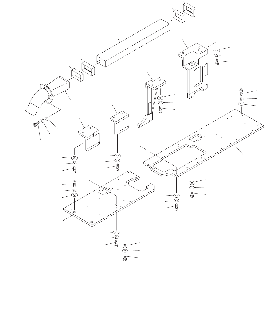
MODEL TCM-X210 0306-001 40 6 4 3 13 14 12 12 14 13 15 16 17 15 16 17 17 16 15 17 16 15 6 3 4 31 13 14 14 13 31 11 18 26 24 23 5 31 13 33 21 18 28 29 28 29 27 中間ベース部 MIDDLE BASE SECTION Fig. E-1 中間メインベース Middle Main Base

Key No. PART No. PART NAME Q’ty REMARKS
NOTE
MODEL TCM-X210
0306-001
39
201 -01 630 053 8540 SOLENOID VALVE 1 801D--110-201
201 -02 630 081 3593 SOLENOID VALVE 2 YSV15A,15B,YSV22A,22B
201 -03 630 003 6541 AIR LINE EQPT 2
201 -04 630 052 1993 PIPE FITTINGS 1
202 411 141 4008 WASHER V 4X9X0.8 2 801D--110-202
203 411 141 2905 WASHER SPR 4 2 801D--110-203
204 630 000 7688 BOLT,HEX-SCT 2 801D--110-204
205 630 093 6469 ASSY,SOLENOID VALVE 1 YSV21 801D--110-205
206 630 003 8163 PIPE FITTINGS 3 801D--110-206
207 630 003 8064 PIPE FITTINGS 2 801D--110-207
208 630 003 7821 PIPE FITTINGS 1 801D--110-208
209 630 003 6688 AIR LINE EQPT 3 801D--110-209
210 630 031 8579 PIPE FITTINGS 1 801D--110-210
211 411 141 4008 WASHER V 4X9X0.8 2 801D--110-211
212 411 141 2905 WASHER SPR 4 2 801D--110-212
213 630 000 7619 BOLT,HEX-SCT 2 801D--110-213
D-3

MODEL TCM-X210
0306-001
40
6
4
3
13
14
12
12
14
13
15
16
17
15
16
17
17
16
15
17
16
15
6
3
4
31
13
14
14
13
31
11
18
26
24
23
5
31
13
33
21
18
28
29
28
29
27
中間ベース部
MIDDLE BASE SECTION
Fig. E-1
中間メインベース
Middle Main Base

Key No. PART No. PART NAME Q’ty REMARKS
NOTE
MODEL TCM-X210
0306-001
41
3 411 141 3209 WASHER SPR 10 4 801E--110-003
4 630 001 0251 WASHER 4 801E--110-004
5 630 121 1114 BASE(R) 1 801E--110-005
6 630 000 8159 BOLT,HEX-SCT 4 801E--110-006
11 630 093 3864 SUPPORT 1 801E--110-011
12 630 000 7923 BOLT,HEX-SCT 4 801E--110-012
13 411 141 3001 WASHER SPR 6 11 801E--110-013
14 630 001 0237 WASHER 8 801E--110-014
15 630 000 7770 BOLT,HEX-SCT 8 801E--110-015
16 411 141 6705 WASHER SPR 5 8 801E--110-016
17 630 001 0220 WASHER 8 801E--110-017
18 630 117 0305 SUPPORT 1 801E--110-018
21 630 117 0640 PIPE(DUCT) 1 801E--110-021
23 630 122 0857 BASE(L) 1 801E--110-023
24 630 089 6916 SUPPORT 1 801E--110-024
26 630 089 2901 SUPPORT 1 801E--110-026
27 630 117 0657 PIPE(P2) 1 801E--110-027
28 630 114 9028 MECH PARTS(RUBBER GASKETS 2 801E--110-028
29 630 120 0477 BELT,FLAT 2 801E--110-029
31 630 000 7916 BOLT,HEX-SCT 7 801E--110-031
33 630 001 0237 WASHER 3 801E--110-033
E-1