9018-18076.pdf.pdf - 第14页
2-2 Site Preparation 2 Planning The System Plan Drawing Many things need to be done befo re the system can be installed. If you make a system plan drawing, you can use it to plan all aspects of site pr eparation. A compl…
2-2 Site Preparation
2 Planning
The System Plan Drawing
Many things need to be done before the system can be installed. If you make a system plan drawing,
you can use it to plan all aspects of site preparation. A complete drawing should detail power
availability, communications cabling, compressed air and vacuum lines, and system placement with
respect to other equipment. It can also serve to verify physical access.
Planning Aids
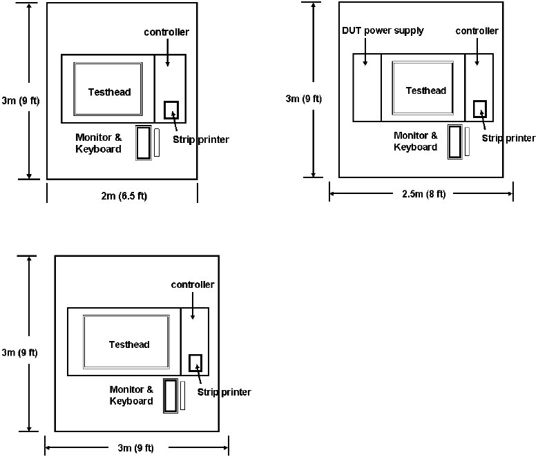
Use Figure 2-1 and Figure 2-2 to lay out your system on the system plan drawing.
Before installing the system you should determine whether the operator will stand or sit and whether
the operator will work from the right or left side of the testhead. These decisions will determine
whether the monitor and keyboard should be on the right or left. If you want the monitor and keyboard
to be in front of the testhead as shown, you should install them on the same side of the testhead as
the operator. However, if you want the monitor and keyboard to be above the testhead, you should
install them on the opposite side from the operator. It is important to make this decision correctly.
The figures show the systems with support bays. If your system does not have a support bay, modify
your layout accordingly. See Chapter 3, Structural Requirements for the exact dimensions of individual
testheads and support bays.
Always allow 1 meter (3 feet) of space behind the system so service personnel can access the
hardware inside the testhead and support bay and operators can access the red PDU mains
disconnect switch.
On your system plan, determine the location of the facility mains disconnect. It should be installed
within 3 meters of the system, where it can be easily reached by the system operator without requiring
the system to be moved to access the disconnect. See Mains Disconnect on page 6-4 for more
information.

Planning 2
Site Preparation 2-3
Figure 2-1 Recommended layouts for Medalist i3070 systems
(a) i327x 1-module system
(c) i327x 2-module system
(b) i327x plus
2-module small footprint system with support bay
