9018-18076.pdf.pdf - 第48页
6-16 Site Preparation 6 Power Requirements Figure 6-17 T wo-Mod ule System Option 3PN Figure 6-18 T wo-Mod ule System Option 3PN

Power Requirements 6
Site Preparation 6-15
Figure 6-15 Two-Module System Options 3PY, 3PD
Figure 6-16 Two-Module System Options 3PY, 3PD

6-16 Site Preparation
6 Power Requirements
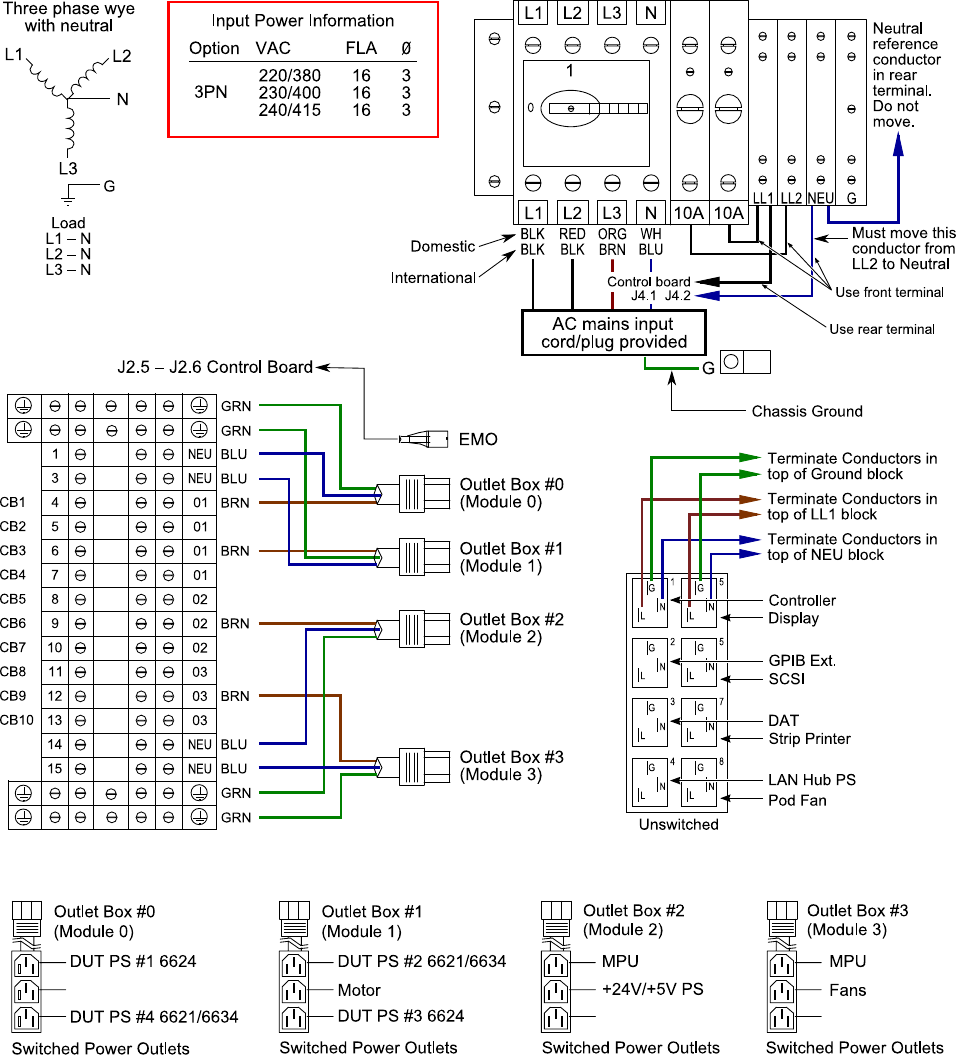
Figure 6-17 Two-Module System Option 3PN
Figure 6-18 Two-Module System Option 3PN

Power Requirements 6
Site Preparation 6-17
Four-Module System AC Outlets
Figure 6-19 Four-Module system
• UnMux Systems: Four-Module System Options 3PY, 3PD
• UnMux Systems: Four-Module System Option 3PN
• Mux Systems: Four-Module System Options 3PY, 3PD
• Mux Systems: Options 3PY, 3PD (Support Bay)
• Mux Systems: Four-Module System Option 3PN
• Mux Systems: Option 3PN (Support Bay)
Outlet 0
Outlet 1
PDU
Testhead (Rear View)
Outlet 2
Outlet 3
Outlet 4
Outlet 5
Support Bay
(Rear View)