9018-18076.pdf.pdf - 第55页
Power Requirements 6 Site Preparation 6-23 Figure 6-26 Mux Systems: Options 3PY , 3PD (Support Bay)

6-22 Site Preparation
6 Power Requirements
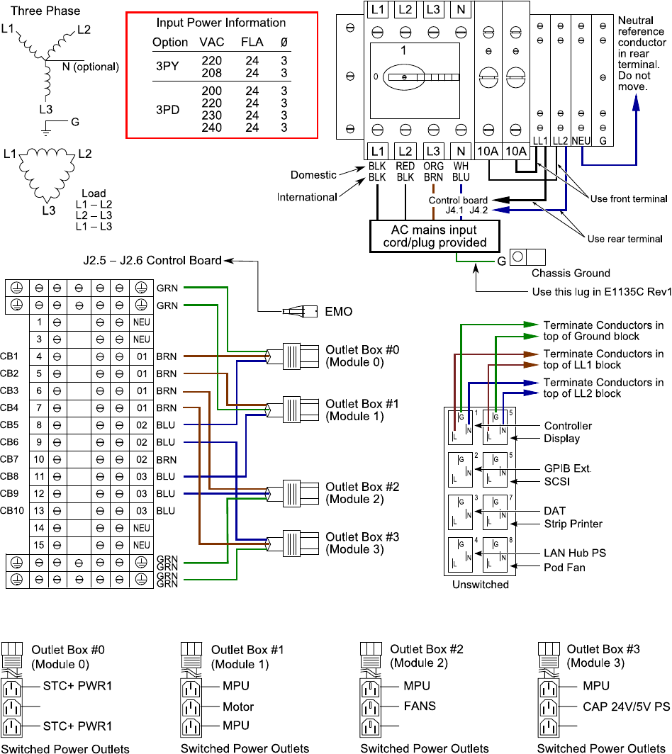
Figure 6-24 Mux Systems: Four-Module System Options 3PY, 3PD
Figure 6-25 Mux Systems: Four-Module System Options 3PY, 3PD

Power Requirements 6
Site Preparation 6-23
Figure 6-26 Mux Systems: Options 3PY, 3PD (Support Bay)

6-24 Site Preparation
6 Power Requirements
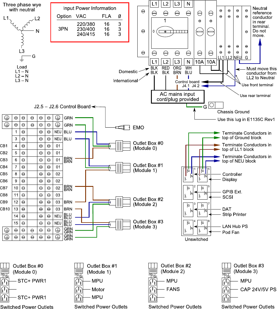
Figure 6-27 Mux Systems: Four-Module System Option 3PN
Figure 6-28 Mux Systems: Four-Module System Option 3PN