9018-18076.pdf.pdf - 第52页
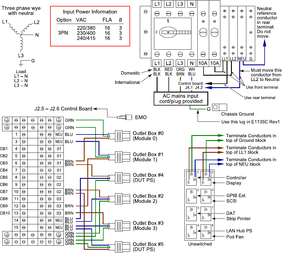
6-20 Site Preparation 6 Power Requirements Figure 6-22 UnMux Systems: Four -Module System Option 3PN

Power Requirements 6
Site Preparation 6-19
Figure 6-21 UnMux Systems: Four-Module System Options 3PY, 3PD

6-20 Site Preparation
6 Power Requirements
Figure 6-22 UnMux Systems: Four-Module System Option 3PN

Power Requirements 6
Site Preparation 6-21
Figure 6-23 UnMux Systems: Four-Module System Option 3PN