9018-18076.pdf.pdf - 第45页
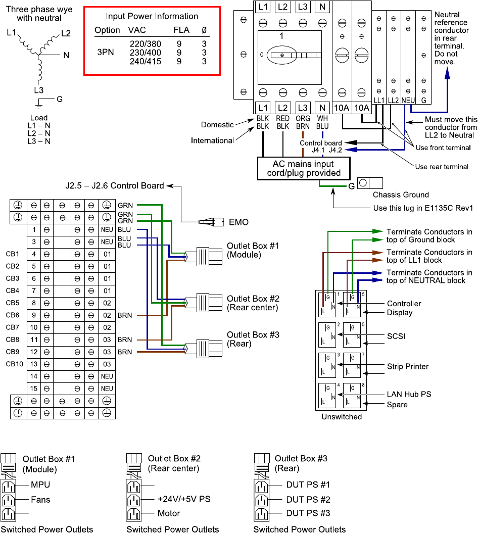
Power Requirements 6 Site Preparation 6-13 Figure 6-12 One-Module System Option 3PN Figure 6-13 One-Module System Option 3PN

6-12 Site Preparation
6 Power Requirements
Figure 6-10 One-Module System Options 3PY, 3PD
Figure 6-11 One-Module System Options 3PY, 3PD
,QSXW3RZHU,QIRUPDWLRQ
2SWLRQ
3<
3'
9$&
)/$
1(8
1(8
1(8
1(8
&%
&%
&%
&%
&%
&%
&%
&%
&%
&%
*51
*51
*51
%51
%51
%51
%/8
%/8
%/8
-±-&RQWURO%RDUG
(02
2XWOHW%R[
0RGXOH
2XWOHW%R[
5HDUFHQWHU
2XWOHW%R[
5HDU
*
/
1
*
/
1
*
/
1
*
/
1
*
/
1
*
/
1
*
/
1
*
/
1
&RQWUROOHU
'LVSOD\
6&6,
6WULS3ULQWHU
/$1+XE36
3RG)DQ
8QVZLWFKHG
7HUPLQDWH&RQGXFWRUVLQ
WRSRI*URXQGEORFN
7HUPLQDWH&RQGXFWRUVLQ
WRSRI//EORFN
7HUPLQDWH&RQGXFWRUVLQ
WRSRI//EORFN
/
/
/
/RDG
/±/
/±/
/±/
*
/
/
/
7KUHH3KDVH
$&PDLQVLQSXW
FRUGSOXJSURYLGHG
/ /
/
1
/ /
/
1
// //
1(8
*
$ $
1HXWUDO
UHIHUHQFH
FRQGXFWRU
LQUHDU
WHUPLQDO
'RQRW
PRYH
8VHIURQWWHUPLQDO
8VHUHDUWHUPLQDO
*
&KDVVLV*URXQG
8VHWKLVOXJLQ(&5HY
'RPHVWLF
,QWHUQDWLRQDO
%/.
%/.
25*
%51
:+
%/8
5('
%/.
&RQWUROERDUG
--
2XWOHW%R[
0RGXOH
2XWOHW%R[
5HDUFHQWHU
)DQV
0RWRU
6ZLWFKHG3RZHU2XWOHWV 6ZLWFKHG3RZHU2XWOHWV
2XWOHW%R[
5HDU
'8736
'8736
6ZLWFKHG3RZHU2XWOHWV
038
9936
'8736

Power Requirements 6
Site Preparation 6-13
Figure 6-12 One-Module System Option 3PN
Figure 6-13 One-Module System Option 3PN

6-14 Site Preparation
6 Power Requirements
Two-Module System AC Outlets
Figure 6-14 Two-Module System
Outlet 0
Outlet 3
Outlet 1
PDU
Testhead (Rear View)
Outlet 2