KE2020取扱説明書VER.2.01.和文Rev.08.pdf - 第60页
1 - 42 レディアウト(イン)信号と、ボードアベイラブル信号のインターフェイス回路を 図 1-4- 4 に示し ます。 SMEMA規格に準拠しています。 GND ( 24V ) + + 24 V _ 3.3K 1/4W READ Y OUT + BO AD A V AILABLE IN + READ Y OUT - BO AD A V AILABLE IN - N.C . 1 2 3 4 5 14 READ Y IN + BO AD…

1 - 41
表
表表
表 1-4-1
本体正面左側のコネクタ表
本体正面左側のコネクタ表本体正面左側のコネクタ表
本体正面左側のコネクタ表
信号名 搬送方向 右流れ 信号名 搬送方向 左流れ 使用コネクタ
1 READY OUT + READY IN +
2 READY OUT − READY IN − (GND) AMP
3 BOAD AVAILABLE IN + BOAD AVAILABLE OUT + 206043−1
4 BOAD AVAILABLE IN − (GND) BOAD AVAILABLE OUT −
5 N.C. N.C.
6 N.C. N.C. ケーブル側
7 N.C. N.C. 接続コネクタ
8 N.C. N.C. 206044−1
9 N.C. N.C.
10 N.C. N.C.
11 N.C. N.C.
12 N.C. N.C.
13 N.C. N.C.
14 N.C. N.C.
表
表表
表 1-4-2
本体正面右側のコネクタ表
本体正面右側のコネクタ表本体正面右側のコネクタ表
本体正面右側のコネクタ表
信号名 搬送方向 右流れ 信号名 搬送方向 左流れ 使用コネクタ
1 READY IN + READY OUT +
2 READY IN − (GND) READY OUT − AMP
3 BOAD AVAILABLE OUT + BOAD AVAILABLE IN + 206043−1
4 BOAD AVAILABLE OUT − BOAD AVAILABLE IN − (GND)
5 N.C. N.C.
6 N.C. N.C. ケーブル側
7 N.C. N.C. 接続コネクタ
8 N.C. N.C. 206044−1
9 N.C. N.C.
10 N.C. N.C.
11 N.C. N.C.
12 N.C. N.C.
13 N.C. N.C.
14 N.C. N.C.

1 - 42
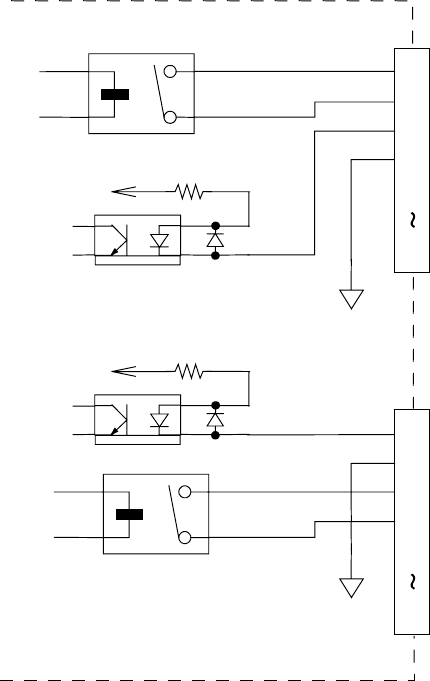
レディアウト(イン)信号と、ボードアベイラブル信号のインターフェイス回路を 図 1-4-4 に示し
ます。
SMEMA規格に準拠しています。
GND
(
24V
)
+
+ 24
V
_
3.3K 1/4W
READY OUT +
BOAD AVAILABLE IN +
READY OUT -
BOAD AVAILABLE IN -
N.C.
1
2
3
4
5
14
READY IN +
BOAD AVAILABLE OUT +
READY IN -
BOAD AVAILABLE OUT -
N.C.
1
2
3
4
5
14
+ 24
V
_
3.3K 1/4W
+
GND
(
24V
)
図
図図
図 1-4-4

1 - 43
表
表表
表 1-4-3
プリンタ用コネクタのピン配置
プリンタ用コネクタのピン配置プリンタ用コネクタのピン配置
プリンタ用コネクタのピン配置
信号名 使用コネクタ
1 STROBE
2 D0
3 D1
4 D2 D-SUB
5 D3 25P FEMALE
6 D4
7 D5
8 D6
9 D7
10 ACK
11 BUSY
12 PE
13 SLCT
14 AUTFD
15 ERROR
16 INIT
17 SLCT IN
18 GND
19 GND
20 GND
21 GND
22 GND
23 GND
24 GND
25 GND
表
表表
表 1-4-4
キーボード用コネクタのピン配置
キーボード用コネクタのピン配置キーボード用コネクタのピン配置
キーボード用コネクタのピン配置
信号名 使用コネクタ
1 DATA
2 N.C.
3 GND 日本圧着端子
4 +5V
5 CLOCK MD-S6000-13
6 N.C.