5OM-1321-005_w.pdf - 第102页
Tg 1301 -ID-MD 3 - 9 電源回路図 1 電源回路図 1 0607-002 A(M831WBB--1001)

Tg1301-ID-MD
3-8
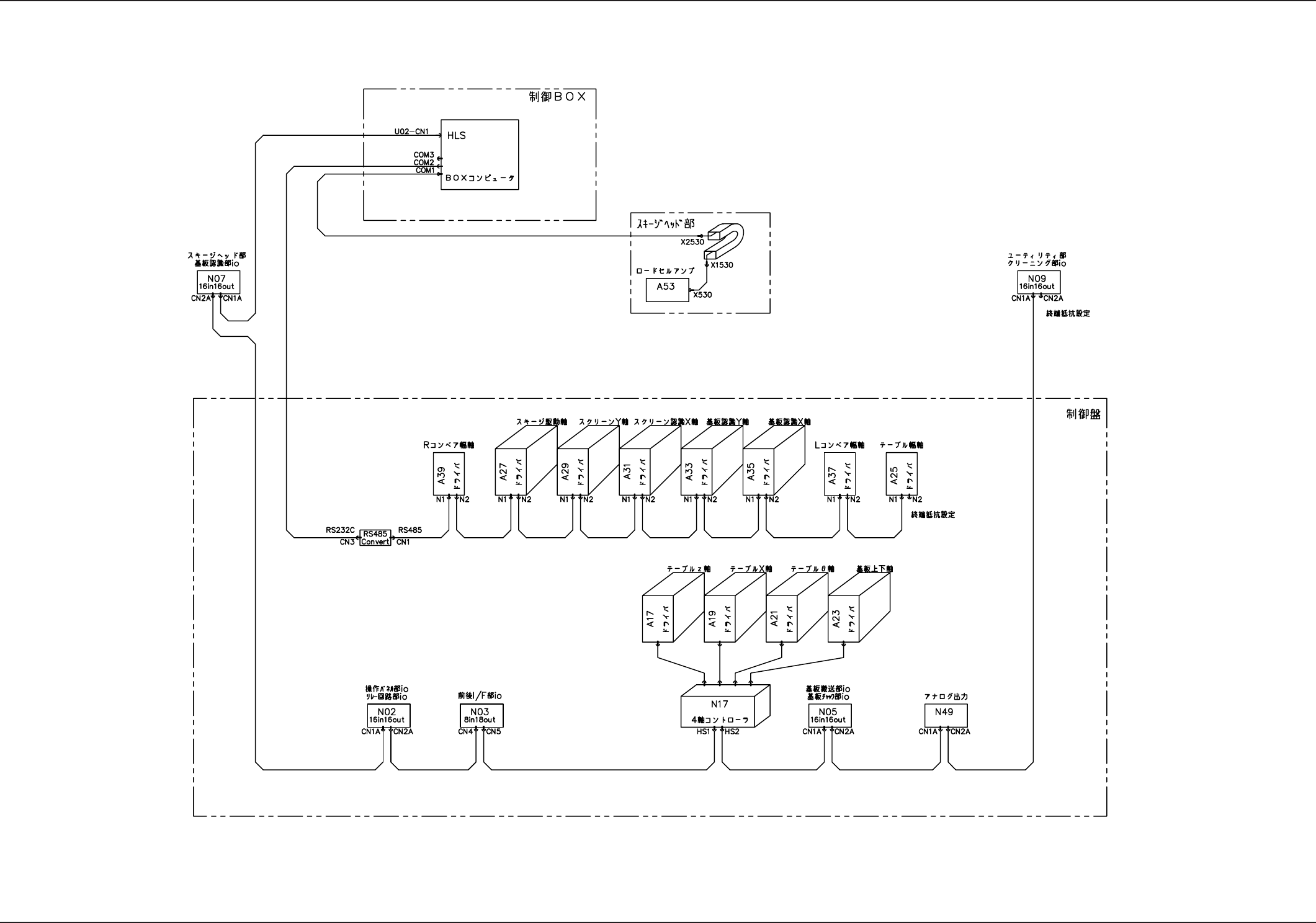
省配線ネットワーク図
省配線ネットワーク図
0602-001-(M831WA---1002)

Tg1301-ID-MD
3-9
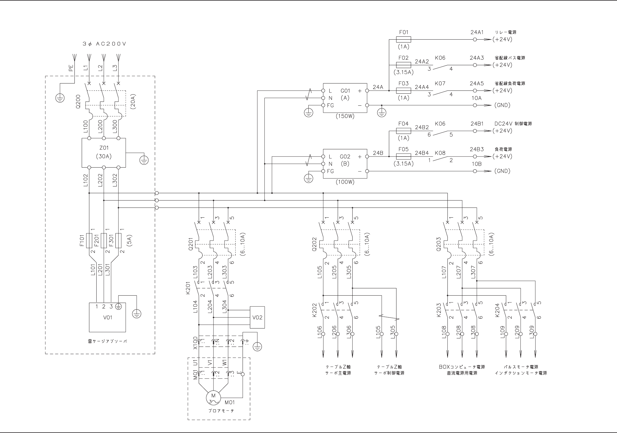
電源回路図 1
電源回路図 1
0607-002 A(M831WBB--1001)

Tg1301-ID-MD
3-10
電気回路図 2
電気回路図 2
0602-001-(M831WBB--1002)