5OM-1321-005_w.pdf - 第59页
Tg 1301 -ID-MD 1 - 2 0602-001

Tg1301-ID-MD
1-1
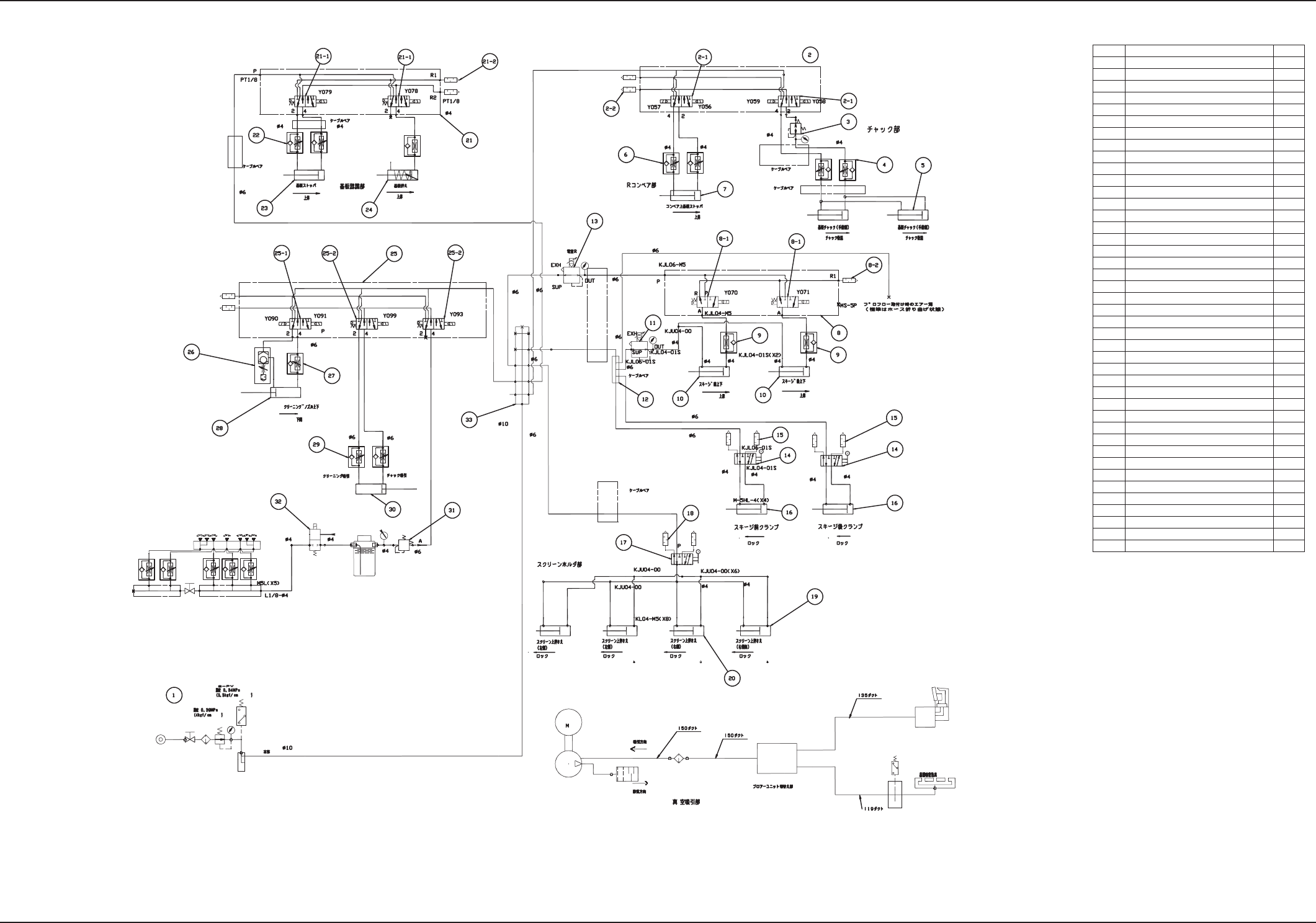
エア配管図
エア配管図
0709-002-(M831XA--0011)
No. 名 称 個数
1 コンビネーションユニット 1
2 電磁弁
ASSY 1
2-1
電磁弁 2
2-2 マフラ 2
3 レギュレータ 1
4 スピードコントローラ 2
5 エアシリンダ 2
6 スピードコントローラ 2
7 エアーシリンダ 1
8 電磁弁
ASSY 1
8-1
電磁弁 2
8-2 マフラ 1
9 スピードコンローラ 2
10 エアーシリンダ 2
11 レギュレータ 1
12 管継手 1
13 電空レギュレータ 1
14 サイレンサ 2
15 エアーシリンダ 4
16 メカバルブ 2
17 スピードコントローラ 1
18 サイレンサ 2
19 エアーシリンダ 1
20 エアーシリンダ 3
21 電磁弁
ASSY 1
21-1
電磁弁 2
21-2 マフラ 2
22 スピードコントローラ 2
23 エアーシリンダ 1
24 エアーシリンダ 1
25 電磁弁
ASSY 1
25-1
電磁弁 1
25-2 電磁弁 2
25-3 サイレンサ 2
26 スピードコンローラ 1
27 スピードコンローラ 1
28 エアーシリンダ 1
29 スピードコントローラ 2
30 エアーシリンダ 1
31 レギュレータ 1
32 電磁弁 1
33 管継手 1

Tg1301-ID-MD
1-2
0602-001

Tg1301-ID-MD
0602-001 2-A
2 章
部品配置図およびセンサ・負荷配置図
本章では、各部のレイアウトおよびセンサ・負荷配置図
を記載しています。
高度な内容を含みますので、参照する場合は、十分ご注
意ください。