5OM-1321-005_w.pdf - 第114页
Tg 1301 -ID-MD 3 - 21 テーブル部 X 軸サーボモータ テーブル部 X 軸サーボモータ 0602-001-(M831WBB--1013)

Tg1301-ID-MD
3-20
テーブル部 Z 軸サーボモータ
テーブル部 Z 軸サーボモータ
0602-001-(M831WBB--1012)

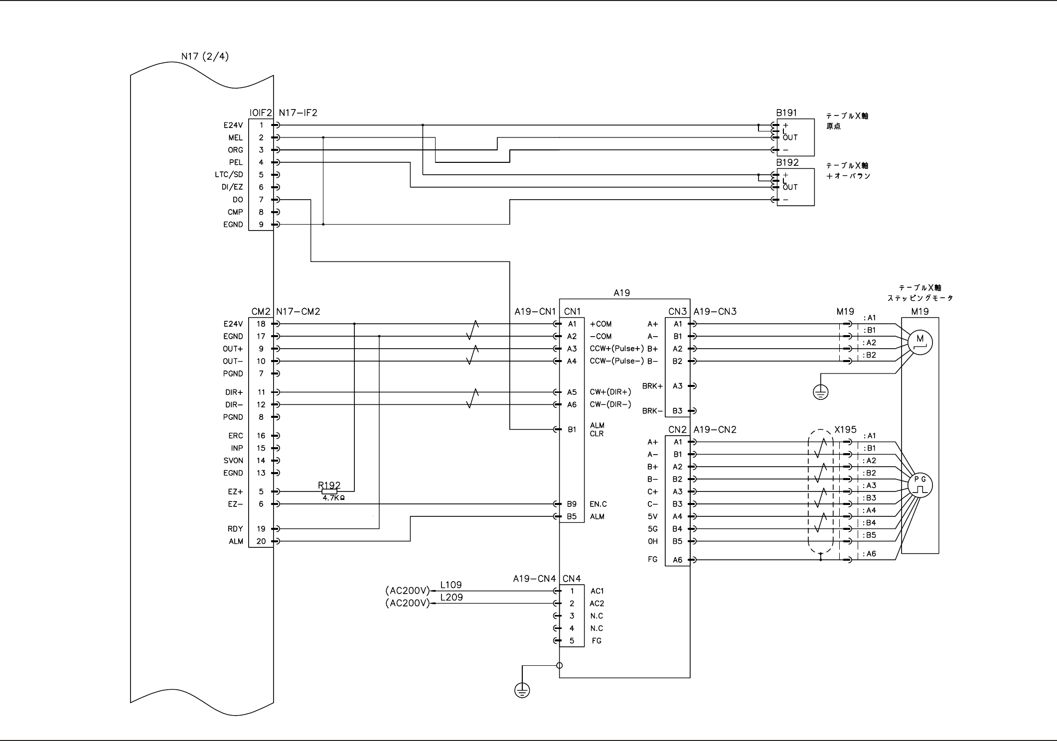
Tg1301-ID-MD
3-21
テーブル部 X 軸サーボモータ
テーブル部 X 軸サーボモータ
0602-001-(M831WBB--1013)

Tg1301-ID-MD
3-22
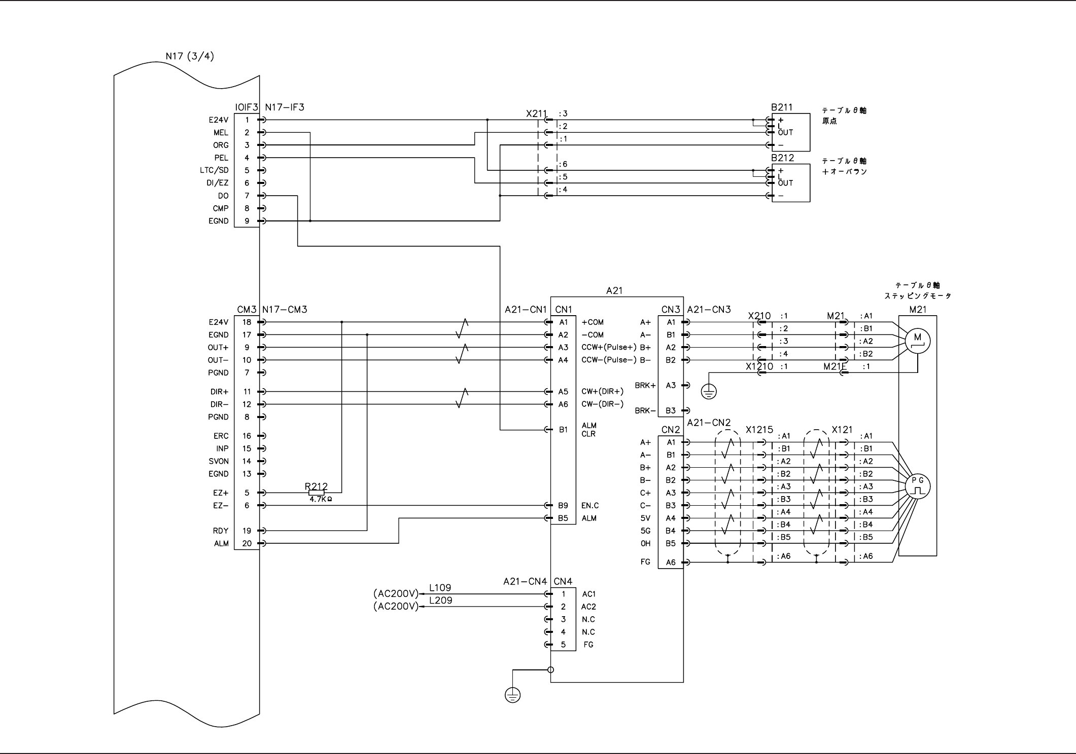
テーブル部
θ
軸サーボモータ
テーブル部
θ
軸サーボモータ
0602-001-(M831WBB--1014)