文档中心
/
5OM-1321-005_w.pdf
5OM-1321-005_w.pdf - 第99页
3 - 6 Tg 1301 -ID-MD 0602 - 001
目录
100%
显示:宽度
宽度
1 / 133
回到旧版
旧版
?
3
-
5
Tg
1301
-ID-MD
3.1 回路図で使用する記号
0602
-
001
3
-
6
Tg
1301
-ID-MD
0602
-
001
Tg
1301
-ID-MD
3
-
7
3.2
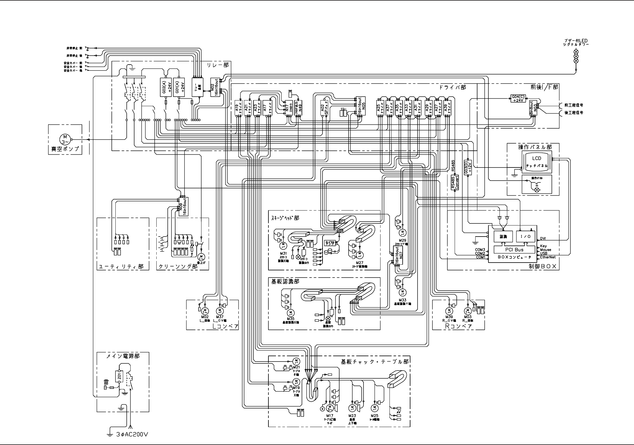
各部の電気回路図
総合ブロック図
3.2 各部の電気回路図
0602-001-(M831W
A---1001)
该页面需要启用 JavaScript 才能进行交互式预览。