5OM-1321-005_w.pdf - 第121页
Tg 1301 -ID-MD 3 - 28 基板認識 Y 軸パルスモータ 基板認識 Y 軸パルスモータ 0602-001-(M831WBB--1020)

Tg1301-ID-MD
3-27
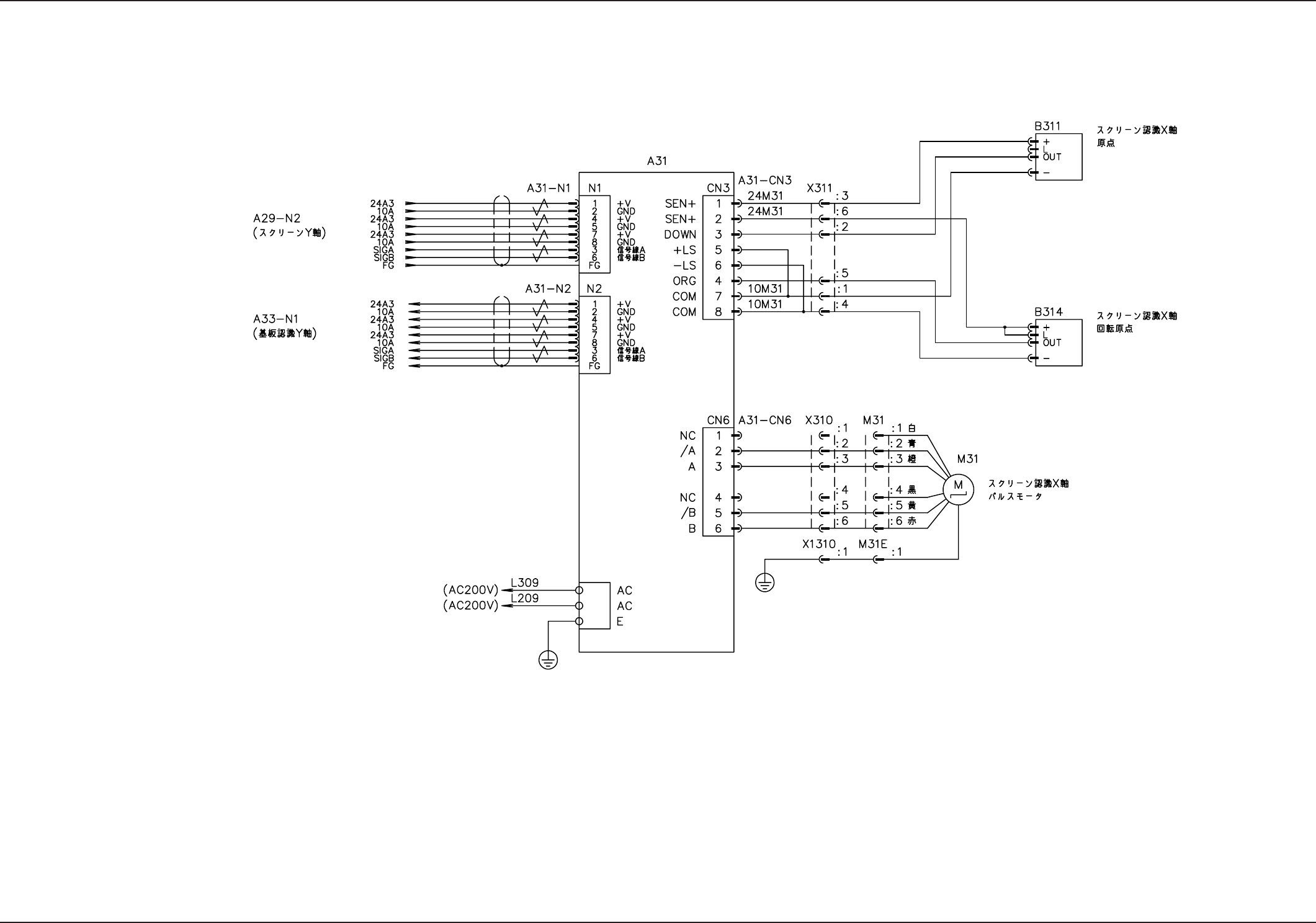
スクリーン認識 X 軸パルスモータ
スクリーン認識 X 軸パルスモータ
0602-001-(M831WBB--1019)

Tg1301-ID-MD
3-28
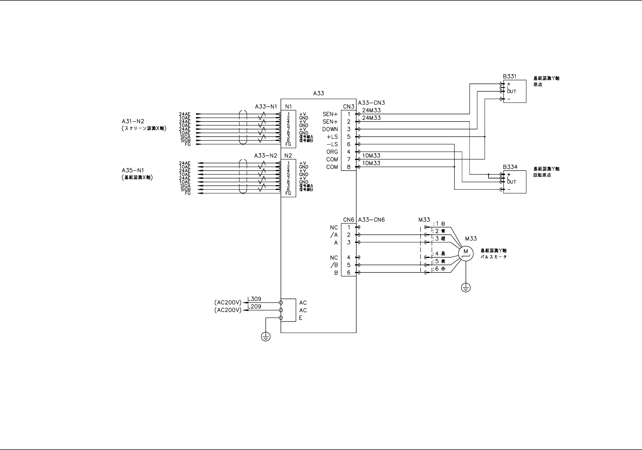
基板認識 Y 軸パルスモータ
基板認識 Y 軸パルスモータ
0602-001-(M831WBB--1020)

Tg1301-ID-MD
3-29
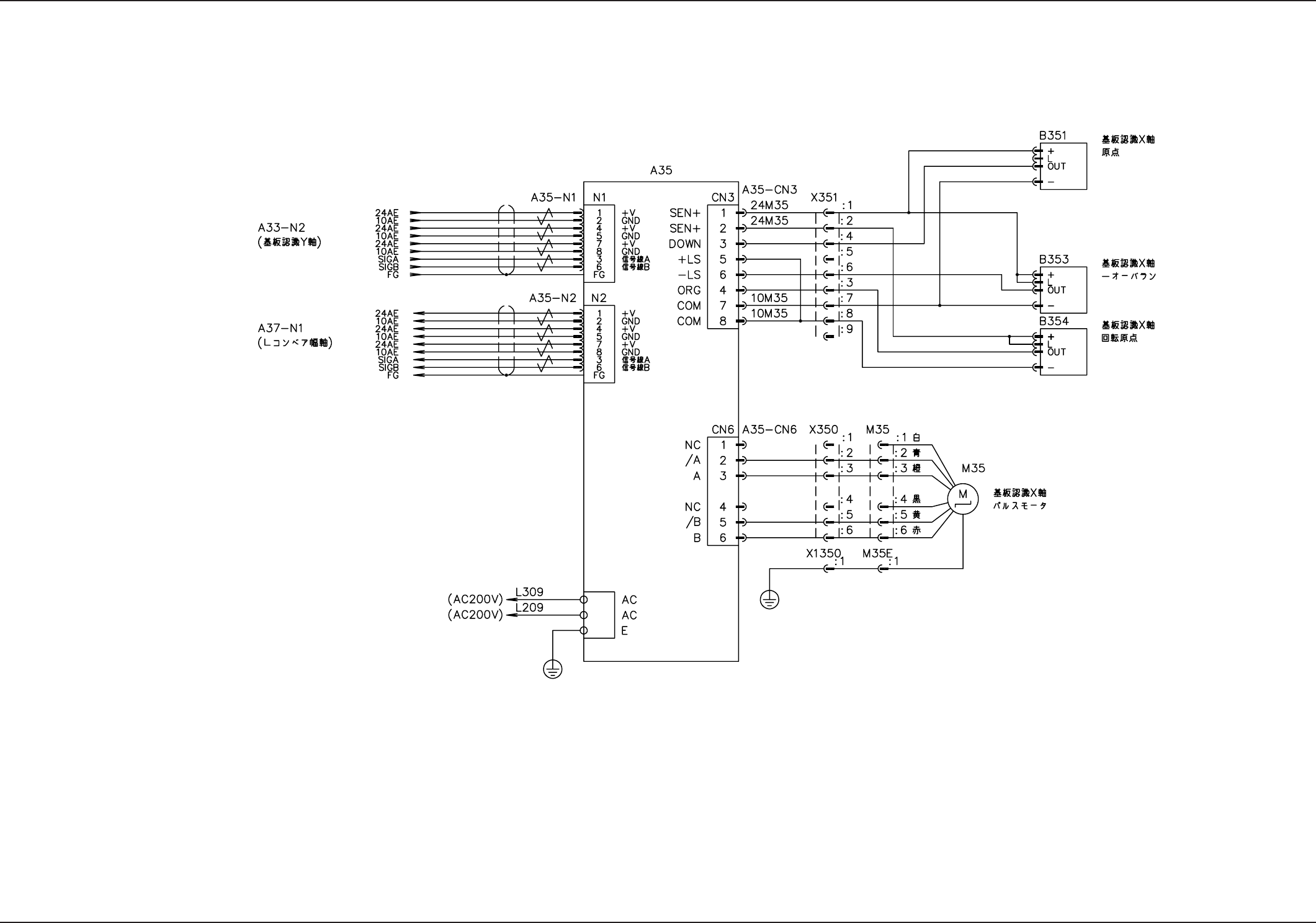
基板認識 X 軸パルスモータ
基板認識 X 軸パルスモータ
0602-001-(M831WBB--1021)