5OM-1321-005_w.pdf - 第112页
Tg 1301 -ID-MD 3 - 19 基板搬送モータ 基板搬送モータ 0602-001-(M831WBB--101 1)

Tg1301-ID-MD
3-18
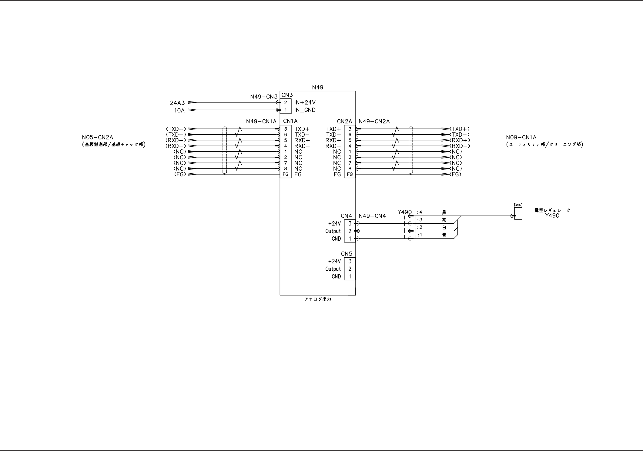
印圧制御部
印圧制御部
0602-001-(M831WBB--1010)

Tg1301-ID-MD
3-19
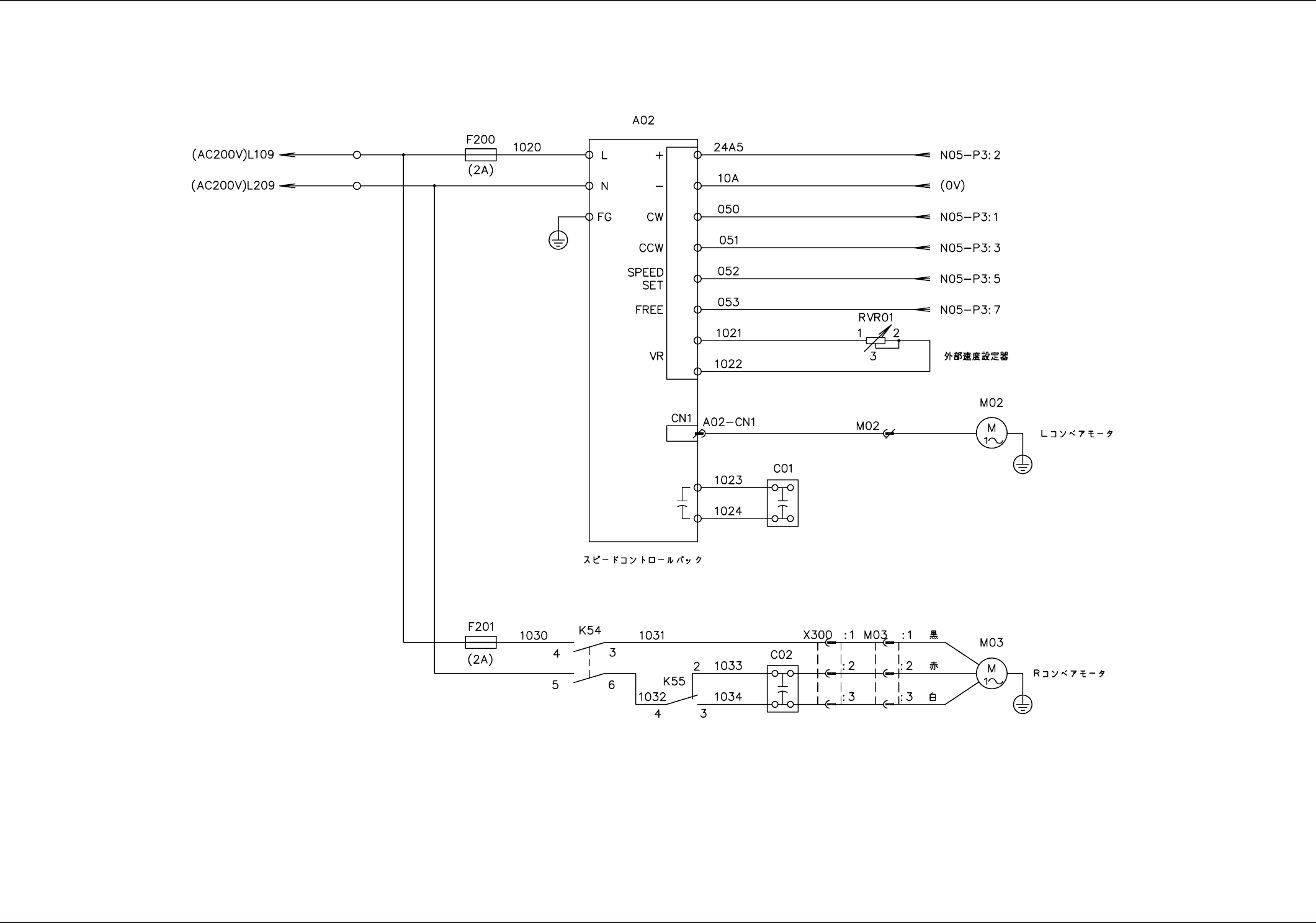
基板搬送モータ
基板搬送モータ
0602-001-(M831WBB--1011)

Tg1301-ID-MD
3-20
テーブル部 Z 軸サーボモータ
テーブル部 Z 軸サーボモータ
0602-001-(M831WBB--1012)