5OM-1321-005_w.pdf - 第130页
Tg 1301 -ID-MD 3 - 37 ユーティリティ部 I/O ユーティリティ部 I/O 0602-001-(M831WM---1002)

Tg1301-ID-MD
3-36
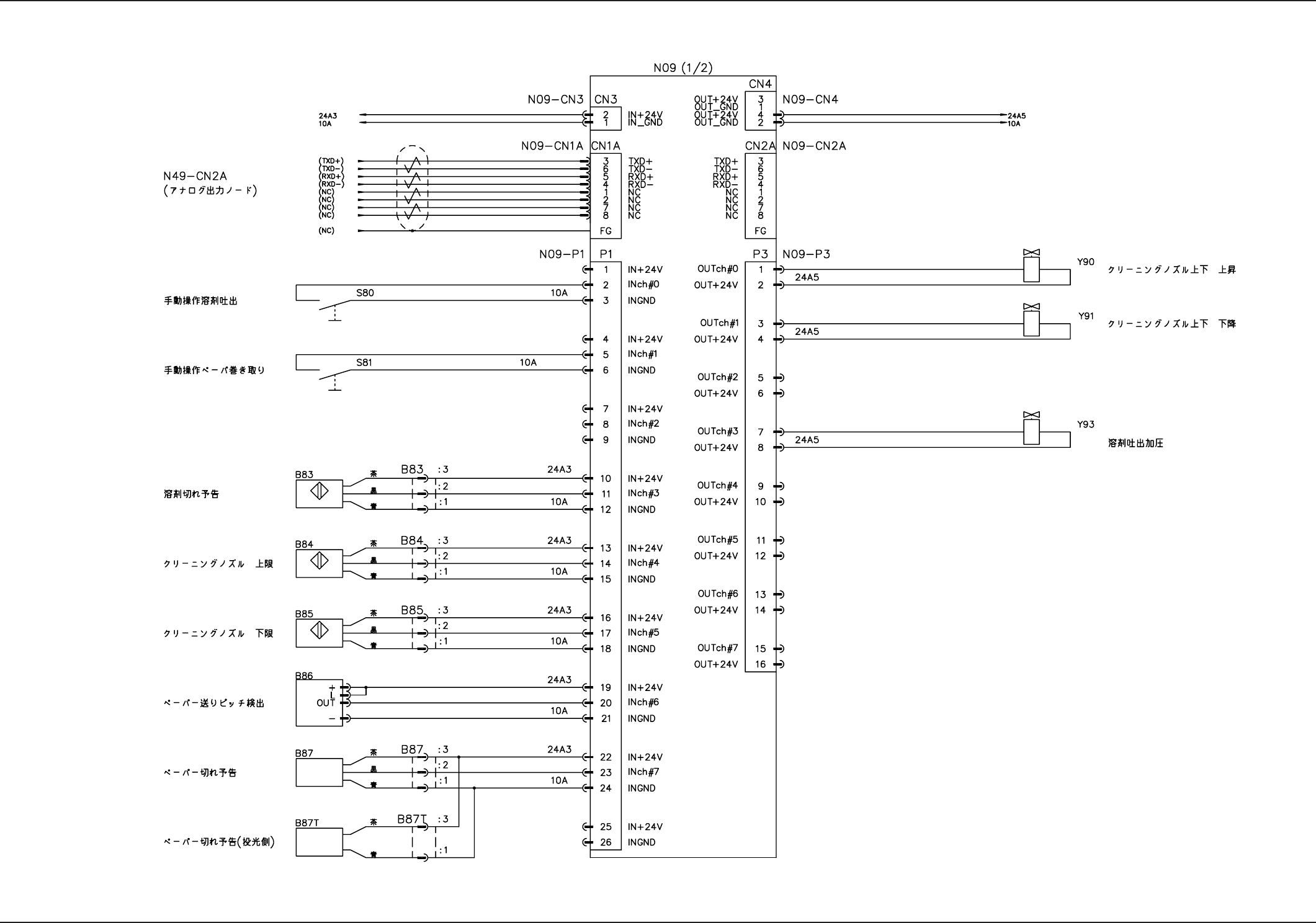
クリーニング部 I/O
クリーニング部 I/O
0602-001-(M831WM---1001)

Tg1301-ID-MD
3-37
ユーティリティ部 I/O
ユーティリティ部 I/O
0602-001-(M831WM---1002)

Tg1301-ID-MD
3-38
0602-001-(M831WM---1003)
クリーニング部巻取りモータ
クリーニング部巻取りモータ