5OM-1321-005_w.pdf - 第104页
Tg 1301 -ID-MD 3 - 1 1 リレー回路図 1 リレー回路図 1 0607-002 A(M831WBB--1003)

Tg1301-ID-MD
3-10
電気回路図 2
電気回路図 2
0602-001-(M831WBB--1002)

Tg1301-ID-MD
3-11
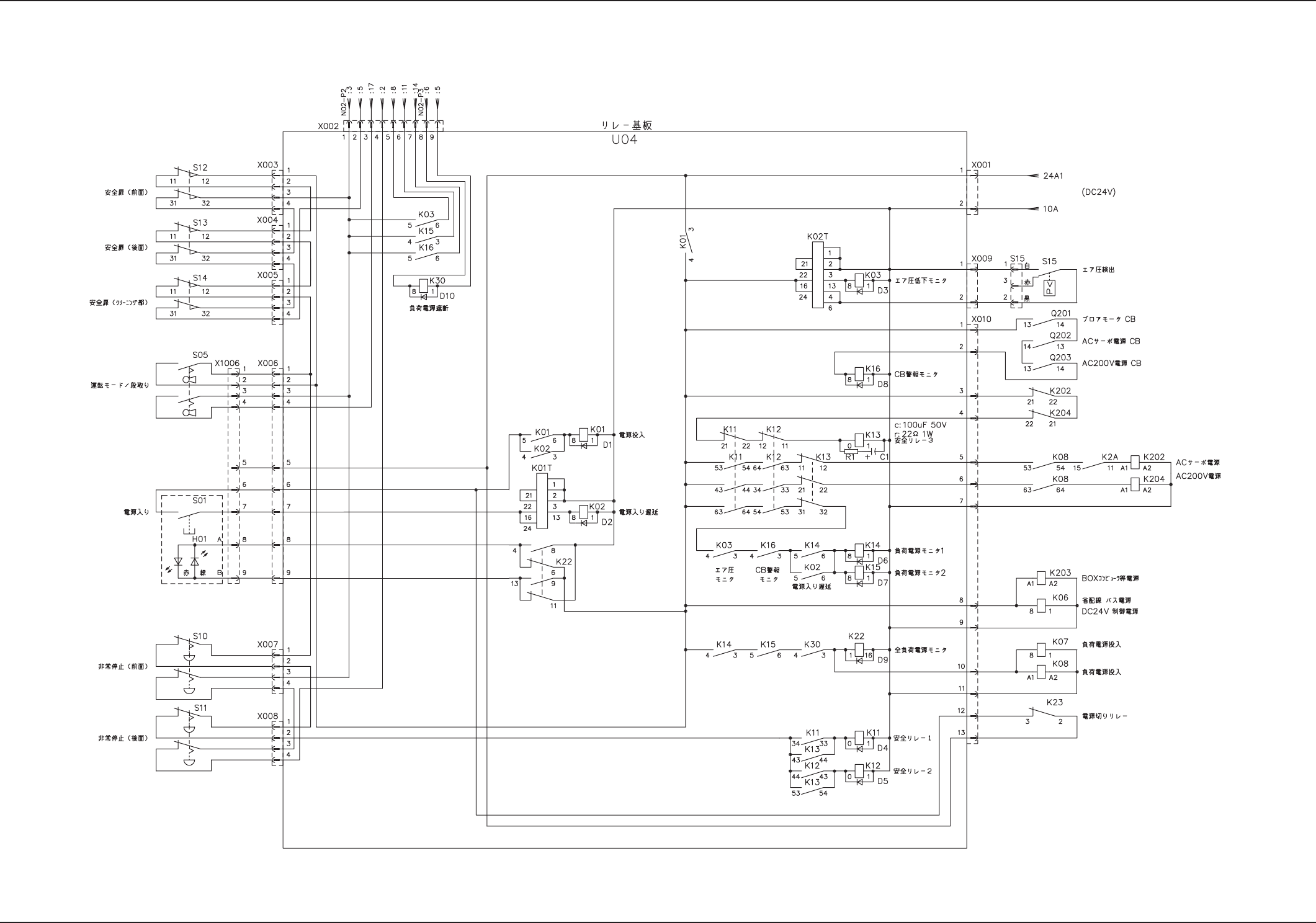
リレー回路図 1
リレー回路図 1
0607-002 A(M831WBB--1003)

Tg1301-ID-MD
3-12
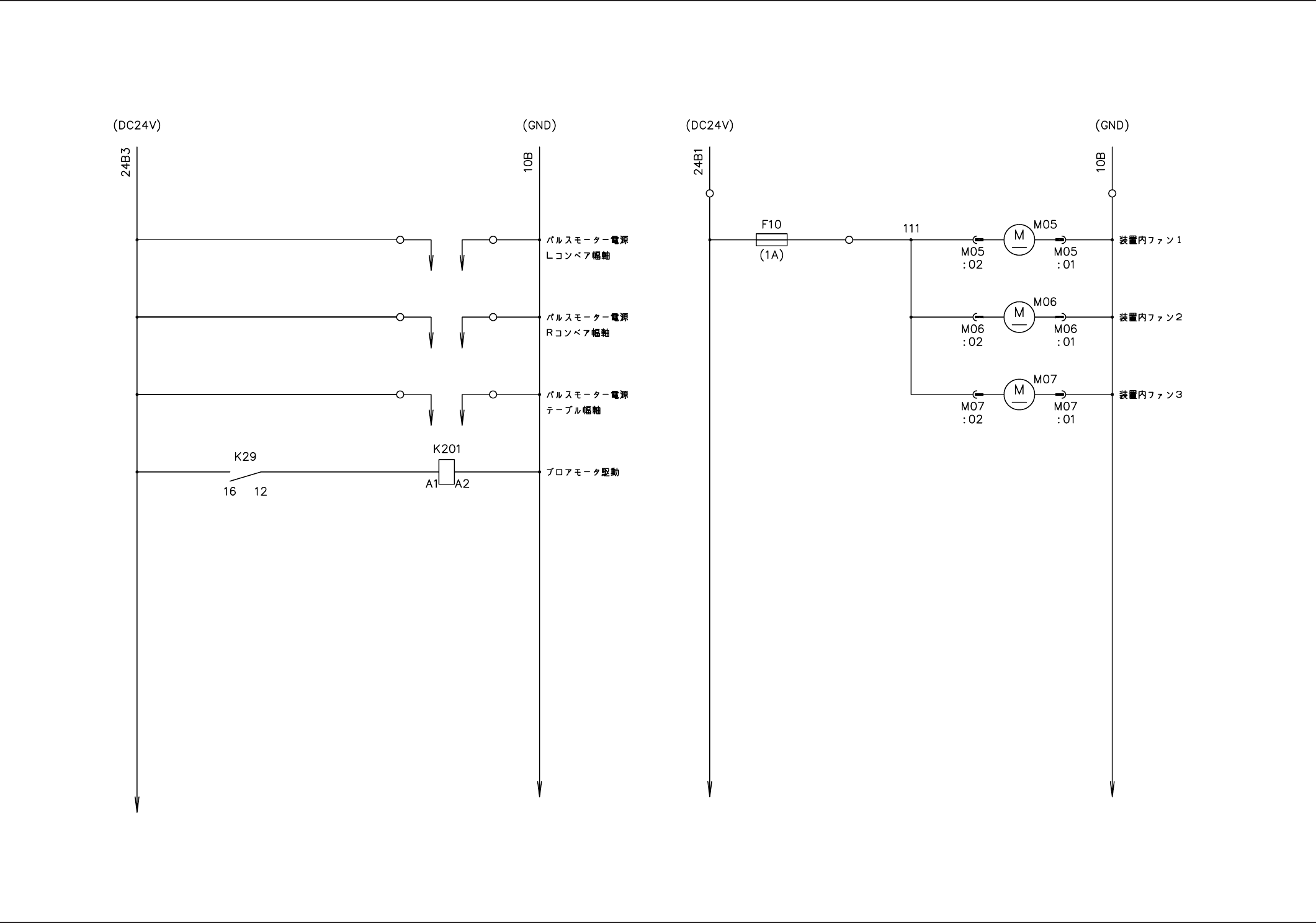
リレー回路図 2
リレー回路図 2
0602-001-(M831WBB--1004)