5OM-1321-005_w.pdf - 第117页
Tg 1301 -ID-MD 3 - 24 テーブル軸パルスモータ テーブル幅パルスモータ 0602-001-(M831WBB--1016)

Tg1301-ID-MD
3-23
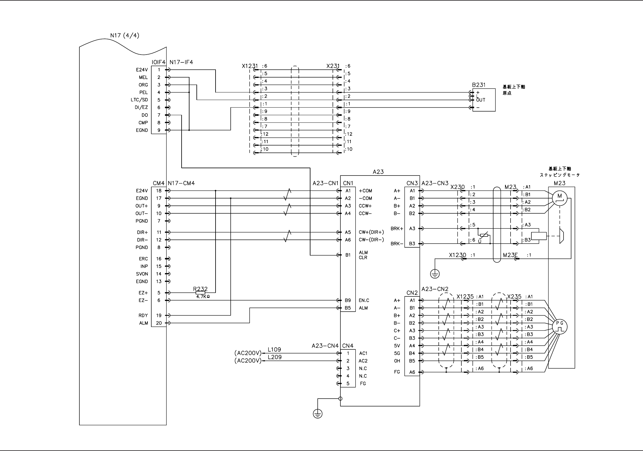
テーブル部基板上下軸モータ
テーブル部基板上下軸モータ
0602-001-(M831WBB--1015)

Tg1301-ID-MD
3-24
テーブル軸パルスモータ
テーブル幅パルスモータ
0602-001-(M831WBB--1016)

Tg1301-ID-MD
3-25
スキージ駆動軸パルスモータ
スキージ駆動軸パルスモータ
0602-001-(M831WBB--1017)