5OM-1321-005_w.pdf - 第118页
Tg 1301 -ID-MD 3 - 25 スキージ駆動軸パルスモータ スキージ駆動軸パルスモータ 0602-001-(M831WBB--1017)

Tg1301-ID-MD
3-24
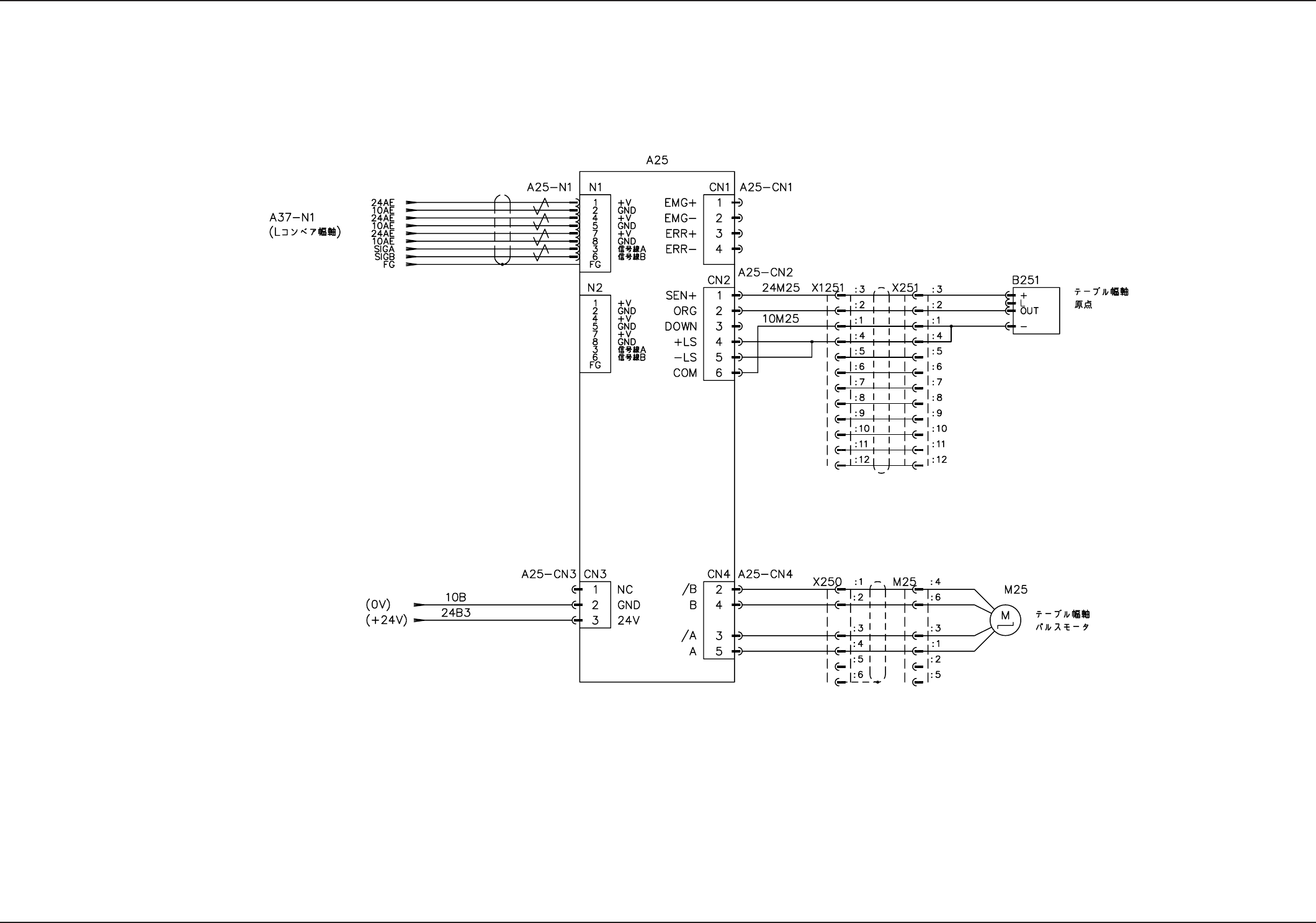
テーブル軸パルスモータ
テーブル幅パルスモータ
0602-001-(M831WBB--1016)

Tg1301-ID-MD
3-25
スキージ駆動軸パルスモータ
スキージ駆動軸パルスモータ
0602-001-(M831WBB--1017)

Tg1301-ID-MD
3-26
スクリーン Y 軸パルスモータ
スクリーン Y 軸パルスモータ
0602-001-(M831WBB--1018)