5OM-1321-005_w.pdf - 第108页
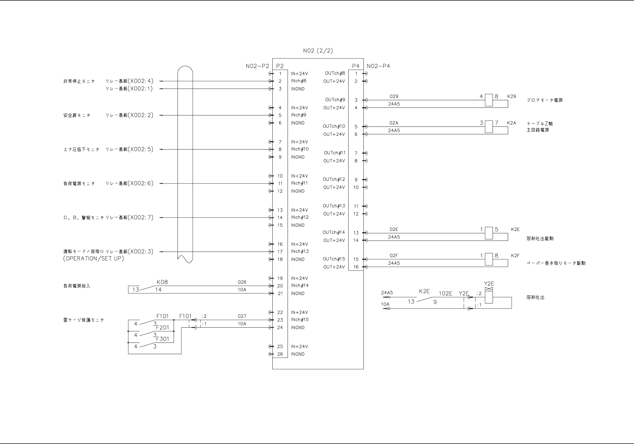
Tg 1301 -ID-MD 3 - 15 前後インターフェース I/O 前後インターフェース I/O 0602-001-(M831WBB--1007)

Tg1301-ID-MD
3-14
リレー回路部 I/O
リレー回路部 I/O
0607-002 A(M831WBB--1006)

Tg1301-ID-MD
3-15
前後インターフェース I/O
前後インターフェース I/O
0602-001-(M831WBB--1007)

Tg1301-ID-MD
3-16
基板搬送 I/O
基板搬送 I/O
0602-001-(M831WBB--1008)