5OM-1321-005_w.pdf - 第119页
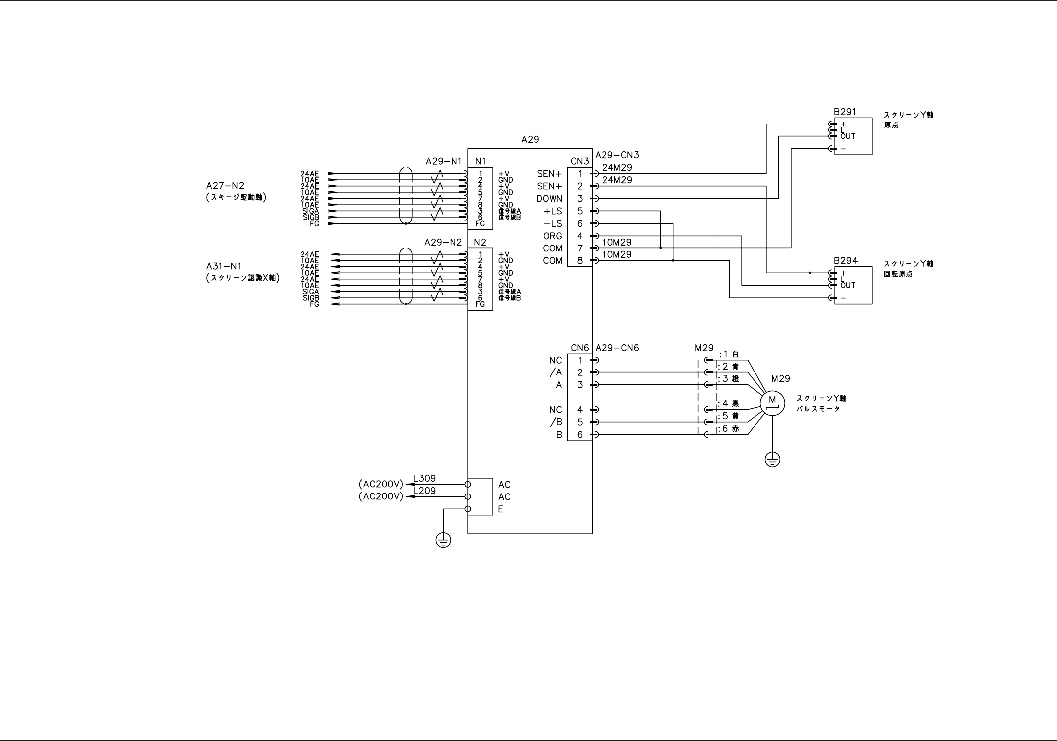
Tg 1301 -ID-MD 3 - 26 スクリーン Y 軸パルスモータ スクリーン Y 軸パルスモータ 0602-001-(M831WBB--1018)

Tg1301-ID-MD
3-25
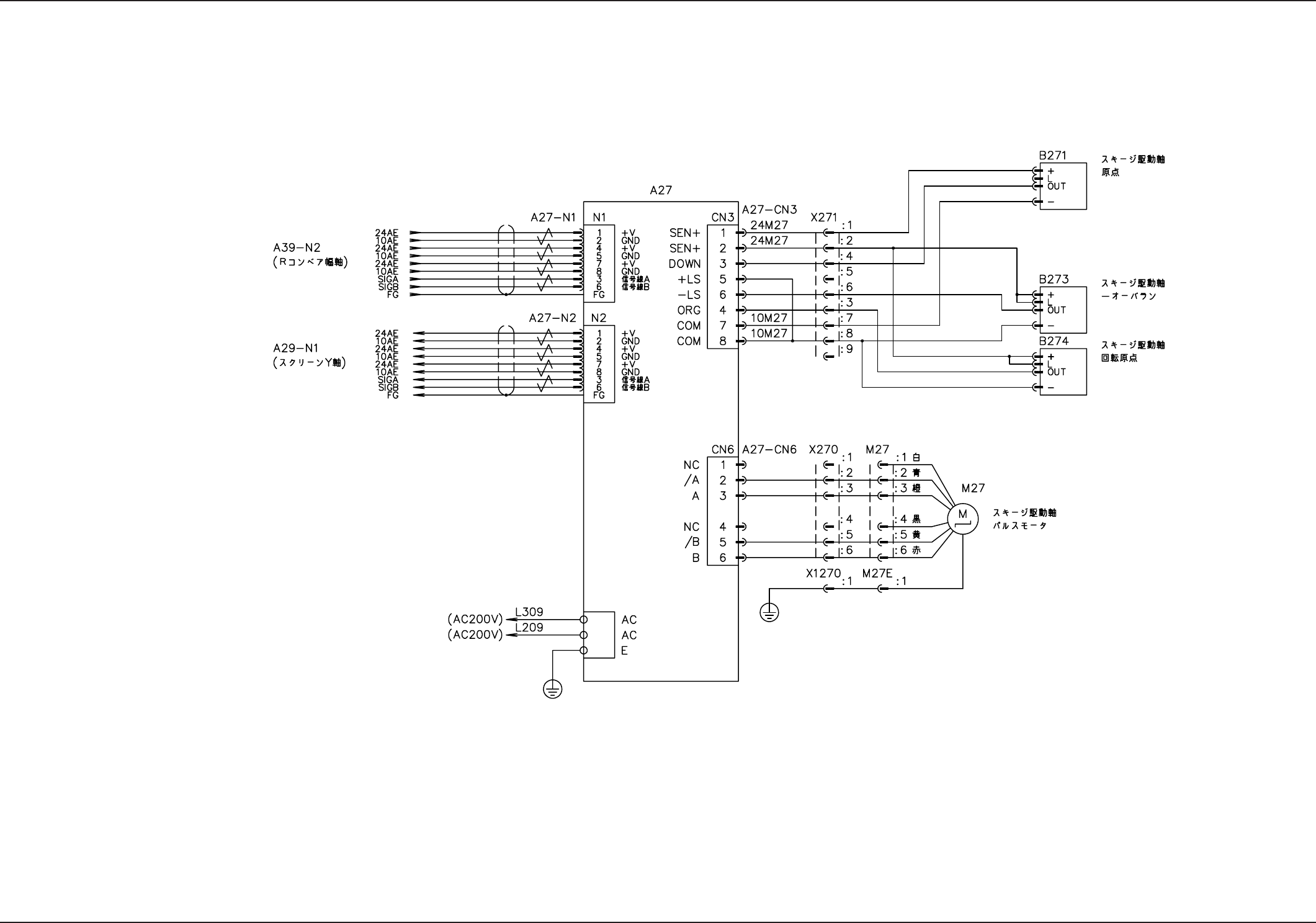
スキージ駆動軸パルスモータ
スキージ駆動軸パルスモータ
0602-001-(M831WBB--1017)

Tg1301-ID-MD
3-26
スクリーン Y 軸パルスモータ
スクリーン Y 軸パルスモータ
0602-001-(M831WBB--1018)

Tg1301-ID-MD
3-27
スクリーン認識 X 軸パルスモータ
スクリーン認識 X 軸パルスモータ
0602-001-(M831WBB--1019)