5OM-1321-005_w.pdf - 第129页
Tg 1301 -ID-MD 3 - 36 クリーニング部 I/O クリーニング部 I/O 0602-001-(M831WM---1001)

Tg1301-ID-MD
3-35
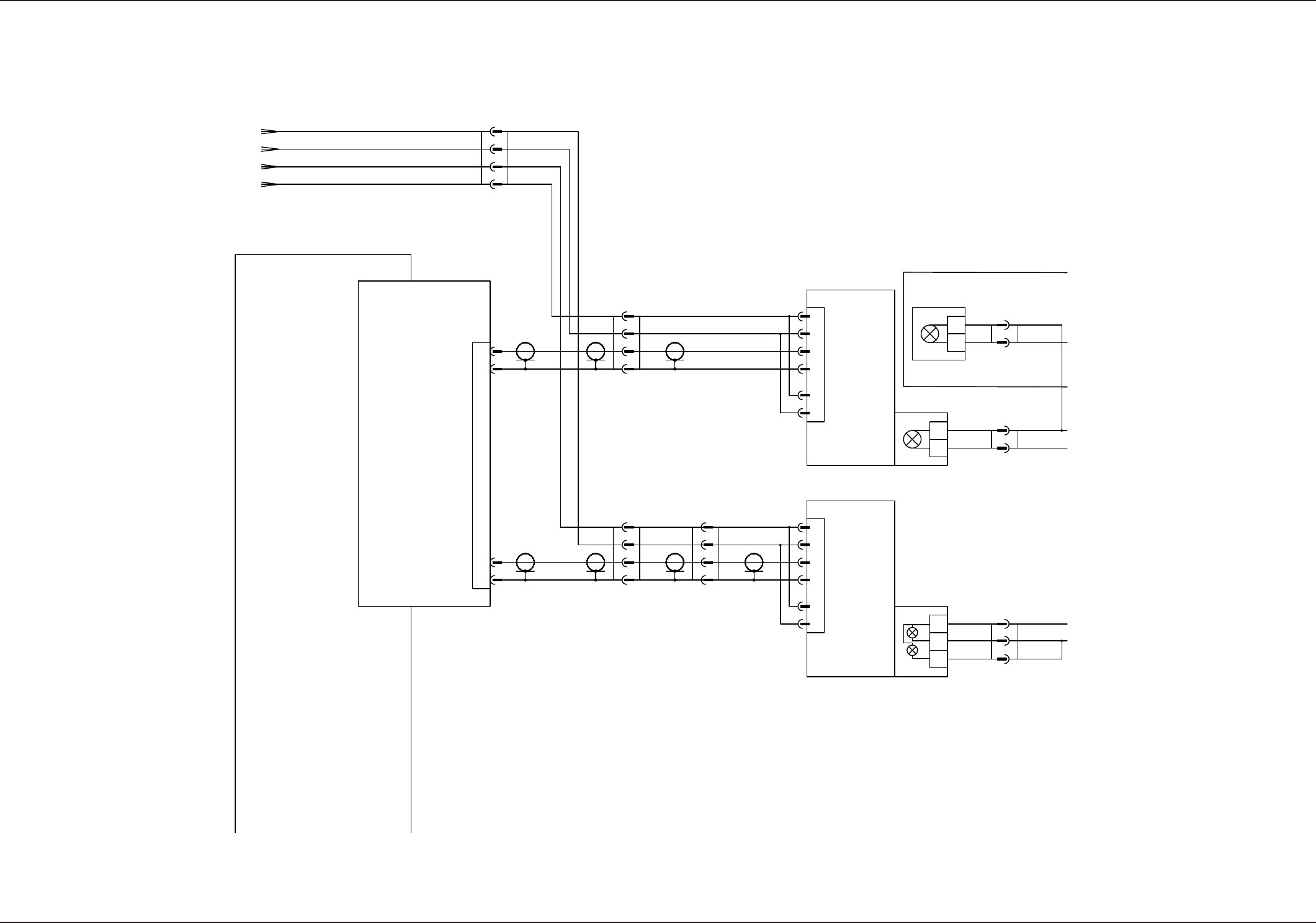
認識カメラ接続図
認識カメラ接続図
0709-003 B(M831WG---1001)
13
12
VID_IN0
GND
+12V
GND
VIDEO_OUT
GND
+12V
GND
1
2
4
3
11
10
VID_IN1
GND
23
24
10
11
GND
+12V
3
4
2
1
GND
VIDEO_OUT
GND
+12V
07B
24A5
07A
072
24A5
:2
+
12C
12C
10C
10C
X1B03
:3
:4
:1
:2
B03
B03
:2
:1
:4
:3
X2B03
-
-
E72
:1
:3
E72
X1G03
:1
:2
:3
:4
XU01
X1B04
:3
:4
:1
:2
+
-
E7B
:1
:2
E7B
E7A
:2
:1
U01
画像ボード
B04
E7A
-
+
B04
N00
BOXコンピュータ
スクリーン認識カメラ
スクリーン認識照明
印刷状態検査照明(オプション)
基板認識照明
基板認識カメラ

Tg1301-ID-MD
3-36
クリーニング部 I/O
クリーニング部 I/O
0602-001-(M831WM---1001)

Tg1301-ID-MD
3-37
ユーティリティ部 I/O
ユーティリティ部 I/O
0602-001-(M831WM---1002)