XP142E 系统手册 SYS-XP142-1.0S.pdf - 第190页
第 1 章 操作指令阶层 第 5 部 XP-142E 系统手册 5-1-2 Edition 1.0 XP1S5201S

第 5 部 第 1 章 操作指令阶层
Edition 1.0 5-1-1 XP-142E 系统手册
1. 操作指令阶层
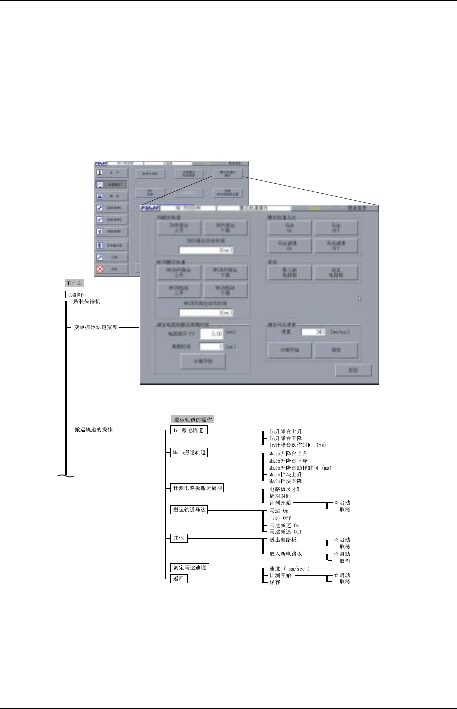
在本章中,用指令阶层树形图来说明机器上的所有的指令及其体系。通过参考指令阶层树形图,能够很
容易地理解在指令操作时,机器上表示的全部指令的概要。
· 机器的触摸屏中的各画面上显示出数个指令。在指令阶层树形图中这些指令看作为是一个指令群,
被归纳在分支(纵向粗线)的下面。
XP1S3100S
· 在指令阶层体系树形图中,各屏幕画面中的标题用网状线来表示 (例如: 主画面、搬运轨道的操作)。
· 在屏幕画面中的指令是以功能划分为群组的,各个指令群组的名称用带有方框的文字表示 (例如:IN
搬运轨道、MAIN 搬运轨道)。

第 1 章 操作指令阶层 第 5 部
XP-142E 系统手册 5-1-2 Edition 1.0
XP1S5201S

第 5 部 第 1 章 操作指令阶层
Edition 1.0 5-1-3 XP-142E 系统手册
XP1S5202S