00194931-20 Anleitung CAN Test Box-Error Frame Diagnoseeinheit_de.pdf - 第122页
1 - 122 SIPLACE CAN Bus Ausgabe 10/2018 122 4.15 CAN Bus Struktur Siplace X-Serie S X-Serie S Maschinen arbeiten mit zwei getren nten CAN Bus Netzen (CAN1 / CAN2). Beide Netze arbeiten mit einer Geschwindigkeit vo n 1MBi…

1 - 121
Ausgabe 10/2018 Siplace CAN Bus
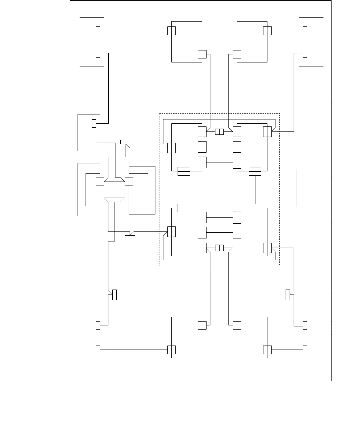
121
Abb. 4.14 - 3 CAN Bus Struktur SX4 und DX4 Stromlaufplan 90011267-01
X 6 b a
X 6 b a
T r a i l i n g i n t e r f a c e
g a n t r y 2 a n d 4
0 3 0 5 9 9 1 1 ( b a )
M C A N
G a n t r y 2
X 7 b a
X 7 b a
G C A N
D o c k i n g u n i t 2
X 1 2 5 X 1 2 6
C A N I N C A N O U T
S o P i n
0 3 0 7 6 5 0 5
M C A N - B u s 2 . 2
D o c k i n g u n i t 1
D o c k i n g u n i t 3
C A N I N C A N O U T
S o
P i n
T r a i l i n g i n t e r f a c e
g a n t r y 1 a n d 3
0 3 0 5 9 9 1 0 ( c a )
X 6 c a
M C A N
X 6 c a
0 3 0 7 6 5 0 6
M C A N - B u s 2 . 3
X 7 c a
G C A N
X 7 c a
G a n t r y 3
P l a c e m e n t a r e a 2
X 1 3 5 X 1 3 6
X 1 1 5X 1 1 6
C A N I NC A N O U T
S oP i n
D o c k i n g u n i t 4
C A N O U T C A N I N
P i n
S o
X 1 4 6 X 1 4 5
0 3 0 7 6 5 0 2
M C A N - B u s 1 . 3
0 3 0 7 6 5 0 3
M C A N - B u s 1 . 4
X 6 a a
X 6 a a
T r a i l i n g i n t e r f a c e
g a n t r y 2 a n d 4
0 3 0 5 9 9 1 1 ( d a )
M C A N
G a n t r y 1
X 7 a a
X 7 a a
G C A N
T r a i l i n g i n t e r f a c e
g a n t r y 1 a n d 3
0 3 0 5 9 9 1 0 ( a a )
X 6 d a
M C A N
X 6 d a
X 7 d a
G C A N
X 7 d a
G a n t r y 4
P l a c e m e n t a r e a 1
C A N b u s w i r i n g
w i r e n o . w i r i n g S u b - D - P I N
1 f r e e 1
2 G N D 6
3 C A N _ L 2
4 C A N _ H 7
5 G N D 3
6 R E S E T 8
7 P o w e r F a i l 4
8 f r e e 9
9 C A N _
I N T 5
X 1 O u c
X 1 O u c
X 1 U u c
X 1 U u c
0 3 0 7 7 0 4 4
G C A N - B u s 2 . 1
X 7 4 U u c
X 7 1 U u c
X 7 1 U u c
X 7 4 U u c
X 1 U t c
X 1 U t c
X 7 4 U t c
X 7 4 U t c
0 3 0 7 6 5 3 1
F D B G C U 2 - G C U 3
X 7 1 O t c
X 7 1 O t c
X 1 O t c
X 1 O t c
G C U 2
0 3 0 5 2 2 0 0 ( t c )
G a n t r y 2
G C U 3
0 3 0 5 2 2 0 0 ( u c )
G a n t r y 3
X 7 1 U t c
X 7 1 U t c
X 7 1 O u c
X 7 1 O u c
0 3 0 8 0 4 0 2
G C U D i a g n o s e R i n g
X 1 O v c
X 1 O v c
X 1 U v c
X 1 U v c
X 7 4 U v c
X 7 1 O v c
X 7 1 O v c
X 7 4 U v c
X 1 U s c
X 1 U s c
X 7 4 U s c
X 7 4 U s c
0 3 0 7 6 5 1 1
F D B G C U 1 - G C U 4
X 7 1 U s c
X 7 1 U s c
X 1 O s c
X 1 O s c
G C U 1
0 3 0 5 2 2 0 0 ( s c )
G a n t r y 1
G C U 4
0 3 0 5 2 2 0 0 ( v c )
G a n t r y 4
X 7 1 O s c
X 7 1 O s c
X 7 1 U v c
X 7 1 U v c
0 3 0 8 0 4 0 4
G C U D i a g n o s e R i n g
0 3 0 8 0 4 0 1
G C U D i a g n o s e R i n g
0 3 0 8 0 4 0 3
G C U D i a g n o s e R i n g
C o n t r o l c o n t r o l
0 3 0 7 7 4 6 8
G C U u n i t
D i s t r i b u t o r 0 3 0 7 5 2 3 9 ( q a )
X 2 q b
X 2 q b
X 1 q b
X 1 q b
C A N 2 C A N 1
C A N I / O m o d u l e
0 3 0 5 2 3 1 5 ( q b )
C o n t r o l c o m p u t e r ( p c )
C A N c a r d
C A N 2 C A N 1
X 7 p n
X 7 p n
X 6 p n
X 6 p n
I C c a m e r a
s e c t o r 3
0 3 0 7 6 5 0 4
M C A N - B u s 2 . 1
X 6 p n 2
S e r v i c e
X 7 a o
C A N I N
S o
X 7 a p
C A N O U T
P i n
0 3 0 7 6 5 0 1
M C A N - B u s 1 . 1
0 3 0 7 7 0 6 0
M C A N - B u s 1 . 2
S o
X 9 7
X 9 7
0 3 0 7 7 0 4 5
G C A N - B u s 2 . 2
0 3 0 7 6 5 0 9
G C A N - B u s 1 . 2
X 9 6
X 9 6
0 3 0 7 6 5 0 8
G C A N - B u s 1 . 1
X 1 0 b m
S o
I C c a m e r a
s e c t o r 2
X 1 0 c m
S o
X 7 p n 2
S e r v i c e
S o

1 - 122
SIPLACE CAN Bus Ausgabe 10/2018
122
4.15 CAN Bus Struktur Siplace X-Serie S
X-Serie S Maschinen arbeiten mit zwei getrennten CAN Bus Netzen (CAN1 / CAN2).
Beide Netze arbeiten mit einer Geschwindigkeit von 1MBit/s.
CAN Bus Karte im Box PC 827C 4
Die CAN Bus- Karte COM168V2-PCI (03079973) befindet sich als PCI- Steckkarte im BoxPC.
An beiden angeschlossenen CAN- Leitungen des Maschinen CAN Busses (CAN 1/ CAN 2) ist ein
Servicestecker SUB-D9 angebracht.
Abb. 4.15 - 1 CAN Bus Karte COM168V2-PCI (03079973-0x)
(1) L1- blinkt, wenn die Kanäle initialisiert wer-
den, danach ON (RUN Status)
(2) L2 - blinkt
(3) L3 - Anzeige Kommunikation CAN Bus 1 (4) L4 - Anzeige Kommunikation CAN Bus 2
(5) CAN 1 - Anschluß CAN Bus 1 für BB1 (6) CAN 2 - Anschluß CAN Bus 2 für BB2
Pin assignment of the SUB-D9
interface:
PIN 1 – not used
PIN 2 – CAN Low
PIN 3 – CAN Ground
PIN 4 – not used
PIN 5 – not used
PIN 6 – CAN Ground
PIN 7 – CAN High
PIN 8 – not used
PIN 9 – not used

1 - 123
Ausgabe 10/2018 Siplace CAN Bus
123
4.15.1 Maschinen CAN Bus Struktur X4 S und X4i S (Variante 1 bis Sept. 2013)
Mit dem Steuerungskonzept GCU (Gantry control unit) für die Hauptachsen und HCU/MHCU
(Head control unit) für die Kopfachsen, ergibt sich eine neue CAN Bus Struktur, die diese Subsys-
teme einbindet, auch bezeichnet als MCAN Bus (Maschinen CAN Bus) in den Stromlaufplänen.
Für die Synchronisation der HCU‘s und GCU‘s wurde ein weiterer CAN Bus eingeführt, der GCAN
Bus (Gantry CAN Bus).
.
Abb. 4.15 - 2 Maschinen CAN Bus X4i S und X4 S