FX-2-Rev03.pdf - 第119页
- 114 - NOTE( 注記 ) #01....FOR EN EN 用 #02....UNTIL MACH INE REV.E M / C REV.E まで #03....AFTER MACHINE REV.F M / C REV.F 以降 REF.NO NOTE PART NO D E S C R I P T I O N 品 名 Qty 1 L839E-021-0A0 POWER CAPACITOR ASM パワーコンデンサー 組…

- 113 -
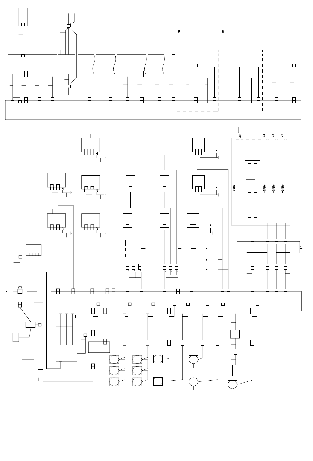
57.SYSTEM DIAGRAM (1)
SYSTEM DIAGRAM(1)
006:5B
A
(RR)
A
(RL)
A
A
CN BRKT RL
CN BRKT RR
FEEDER I/F PCB
CN670-1
CN10-1
CN669-1CN9-1
CN1CN661
CN2CN662
CN BRKT FL
FEEDER BANK PCB
(FL)
CN10
CN9
CN751
CN750
CN BRKT FR
COVER
(FR)
CNP1
ZTC SERVO
AMP R(1/3)
MR-MD100
002:5C
ZTCCNP1CNP1
ZTB SERVO
AMP R(1/3)
MR-MD100
002:5C
ZTBCNP1CNP1
RAMP3
RAMP2
RAMP1
PWR099CN099
PWR045CN045
ZTA SERVO
AMP R(1/3)
MR-MD100
002:5C
ZTACNP1
XYR-2 BEAR CABLE
ASM 1/4
04-1A
CN806
PWR010
CN010
03-1A
PWR009
CN009
04-1A
03-1A
CN805A
CN803A
TB3
PWR041A
G3RZ-201SLN
(DC24V)
OMRON
SSR1
PWR047
CN047
PWR043
CN043
PWR046
CN046
PWR042
CN042
FG
06-5D
CN018PWR072CN072
(REAR MONITOR OP)
FG
(06-5C)
06-5B
CN017
PWR071
CN071
HOUR METER
PWR021CN021
002:2A
SCALE I/F
PCB(1/2)
SIF2C N2
PWR014CN014
POSC1 CN1PWR024CN024
002:3D
POSITION I/F
PCB (POS-CNN
PCB)(1/3)
005:5C
005:4A
OPERATION
PCB(1/4)
CN11OP11
PWR030
CONVEYOR
PCB(1/2)
PWR018
PWR033
CV1
CV2
CN1
CN2
CN030
CN018
CN033
AWS-FG
005:2D
AWS DRV(1/2)
AWC-FG
005:2C
AWC DRV(1/2)
PWR013CN013
PWR012CN012
PWR011CN011
005:2C
BU DRV(1/2)
BU-FG
PWR039 VME3 CN3CN039
PWR038 VME2 CN2CN038
PWR041 VME1 CN1CN041
TB2
CNP1
ZTC SERVO
AMP L(1/3)
MR-MD100
002:5B
ZTCCNP1
CNP1
ZTB SERVO
AMP L(1/3)
MR-MD100
002:5B
ZTBCNP1
CNP1
LAMP3
LAMP2
LAMP1
PWR098CN098
PWR040CN040
ZTA SERVO
AMP L(1/3)
MR-MD100
002:5A
ZTACNP1
XYL-2 BEAR CABLE
ASM 1/4
FAN
VACUUM PUMP FAN
FG
CN032PWR032
TB01
CN100 CN100
VACUUM
PUMP
FAN
BASE FAN R
FG
CN008PWR008CN005
FG
CN007PWR007
FAN
CN003
BASE FAN L
FAN
BASE FAN (RL)
FG
CN006PWR006CN004
FG
CN003PWR003
FAN
CN002
FG
FAN
CN002PWR002
CONTRL TOP FAN
FAN FAN
CN006
CN069PWR069
100
PWR065CN065
(F4E)
E
CNP2
CNP1
002:3C
E
CNP2
CNP1
PWR064CN064
PWR063CN063
(F2E)(F1E)
E
CNP2
CNP1
E
CNP2
CNP1
FG
006:5A
001:2A
005:3D
002:3B002:3B
002:3C002:3A
VAC-FAN
CPCI BACK BOARD
VME BACK BOARD(1/2)
TB1
001:4A
FG
INPUT
YBR SERVO AMP(1/2)
MR-J3-70B-RJ024
YBL SERVO AMP(1/2)
MR-J3-70B-RJ024
PWR062CN062
YA SERVO AMP(1/2)
MR-J3-200B-RJ024
BASE FAN (FL)
FAN
CN001PWR001
COVER TOP FAN
FAN FAN
CN021
UPS OUT
CN037
UPS
(1/2)
CN067PWR067
FG
CN066PWR066
FG
FG FG
CN070PWR070
PWR068
FG
34
PE
CAPACITOR
NF
PWR061
POWER UNIT(2/3)
UPS SW
CN061
(F5E)
XR SERVO AMP(1/2)
MR-J3-200B-KM084V500
(F3E)
XL SERVO AMP(1/2)
MR-J3-200B-KM084V500
E
CNP2
CNP1
CN068
POWER UNIT(1/3)
TF1
220
CN001
PWRONLAMP
AC INPUT UNIT
TB1
C&N KH20B T103/17
MAIN SW
FUJI SA33C/30
NFB1 50A
L3
L2
L1
1
2
36
4
5
7
8
9
10
11
12
13
14
15
16 17
18 19 20 21
22
23 25 27 31
28
32
37
24 26 29 30 33 34
36
35
38
39 41
40 42
47
48
45
46
49 50
51
52
53
54
43
44
55
56
57
58
59
60
61
62
63
66
64
67
65
73
72
70
68
71
69
74
75
77
76
7978 80 81
82
83
99 100
969594939291
9089
84
85
86
87 88
CP19 5A
101
M/C Rev.E
97 98
CN025
PWR025
CN027
06-5C
(06-5C)
FG
(REAR MONITOR OP)
CN026
PWR026
CN028
06-5D
FG
M/C Rev.F

- 114 -
NOTE( 注記 ) #01....FOR EN EN 用
#02....UNTIL MACHINE REV.E M / C REV.E まで
#03....AFTER MACHINE REV.F M / C REV.F 以降
REF.NO NOTE PART NO D E S C R I P T I O N
品 名
Qty
1 L839E-021-0A0 POWER CAPACITOR ASM
パワーコンデンサー 組
1
2 L800E-521-0A0 NF FG CABLE ASM
NF FG 束線組
1
3 L800E-721-0A0 POWER ON LAMP RELAY CABLE ASM
パワーオンランプリレー束線組
1
4 401-06608 POWER LAMP 200V CABLE ASM
パワーランプ 200 V 束線組
1
5 401-06609 POWER LAMP 400V CABLE ASM
パワーランプ 400 V 束線組
1
6 L800E-221-0A0 NF OUTPUT CABLE ASM
NF 出力束線組
1
7 400-31103 MAIN SW OUTPUT CABLE ASM
メインスイッチ出力ケーブル組
1
8 400-30689 AC POWER INPUT UNIT FG CABLE ASM
AC パワー入力ユニット FG ケーブル組
1
9 L800E-321-0A0 UPS SWITCH CABLE ASM
UPS スイッチ束線組
1
10 400-30688 AC POWER INPUT UNIT OUTPUT CABLE ASM
AC パワー入力ユニット出力ケーブル組
1
11 400-58524 TRANSFORMER
トランスフォーマー
1
12 L822E-621-0A0 TF1 OUTPUT CABLE (200V) ASM
TF 1 出力束線(200 V)組
1
13 L822E-721-0A0 TF1 OUTPUT CABLE (34V) ASM
TF 1 出力束線(34 V) 組
1
14 L822E-821-0A0 TF1 OUTPUT CABLE (100V) ASM
TF 1 出力束線(100 V)組
1
15 L800E-621-0A0 TF1 FG CABLE ASM
TF 1 FG 束線組
1
16 L803E-721-0A0 UPS POWER INPUT CABLE ASM
UPS パワー入力束線組
1
17 L803E-821-0A0 UPS POWER OUTPUT CABLE ASM
UPS パワー出力束線組
1
18 400-77096 XL PWR CABLE ASM
XL パワーケーブル組
1
19 400-77097 XR PWR CABLE ASM
XR パワーケーブル組
1
20 400-77098 YL PWR CABLE ASM
YL パワーケーブル組
1
21 400-77099 YR PWR CABLE ASM
YR パワーケーブル組
1
22 400-77100 YA PWR CABLE ASM
YA パワーケーブル組
1
23 L804E-821-0A0 COVER TOP FAN ASM
カバートップファン組
1
24 L804E-721-0A0 COVER TOP FAN CABLE ASM
カバートップファン束線組
1
25 L801E-821-0A0 CONTROL UNIT TOP FAN CABLE ASM
コントロールユニットトップファン束線組
1
26 L804E-521-0A0 BASE FAN (RR) ASM
ベースファン(RR)組
1
27 L801E-721-0A0 BASE FAN (RL) ASM
ベースファン(RL)組
1
28 L801E-621-0A0 BASE FAN (FL) ASM
ベースファン(FL)組
1
29 L838E-721-0A0 BASE FAN RELAY CABLE (FL) ASM
ベースファンリレー束線(FL)組
1
30 L838E-821-0A0 BASE FAN RELAY CABLE (RL) ASM
ベースファンリレー束線(RL)組
1
31 L804E-521-0A0 BASE FAN (RR) ASM
ベースファン(RR)組
1
32 L804E-421-0A0 BASE FAN (FR) ASM
ベースファン(FR)組
1
33 L804E-221-0A0 BASE FAN RELAY CABLE (FR) ASM
ベースファンリレー束線(FR)組
1
34 L804E-321-0A0 BASE FAN RELAY CABLE (RR) ASM
ベースファンリレー束線(RR)組
1
35 401-02717 VACUUM PUMP POWER CABLE ASM
バキュームポンプパワーケーブル組
1
36 401-02716 VACUUM PUMP POWER CP OUT CABLE
バキュームポンプパワー CP OUT ケーブル組
1
37 401-02718 VAC PUMP FAN ASM
バキュームポンプファン組
1
38 400-77080 VAC PUMP FAN CABLE ASM
バキュームポンプファンケーブル組
1
39 400-77101 LZT PWR RELAY CABLE ASM
LZT パワーリレーケーブル組
1
40 400-77022 XYL-2 BEAR CABLE
XYL −2ベアケーブル
1
41 400-77102 RZT PWR RELAY CABLE ASM
RZT パワーリレーケーブル組
1
42 400-77023 XYR-2 BEAR CABLE
XYR −2ベアケーブル
1
43 400-76980 BU DRV POWER CABLE ASM
BU ドライバパワーケーブル組
1
44
#01
400-76981 BU DRV POWER CABLE ASM(EN)
BU ドライバパワーケーブル組(EN)
1
45 400-76983 AWCC DRV POWER CABLE ASM
AWCC ドライバパワーケーブル組
1
46
#01
400-76984 AWCC DRV POWER CABLE ASM(EN)
AWCC ドライバパワーケーブル組(EN)
1
47 400-76986 AWCS DRV POWER CABLE ASM
AWCS ドライバパワーケーブル組
1
48
#01
400-76987 AWCS DRV POWER CABLE ASM(EN)
AWCS ドライバパワーケーブル組(EN)
1
49 400-98363 LINEAR SERVO AMP
リニアサーボアンプ
1
50 400-44538 SERVO AMP 750W
X 軸サーボアンプ750 W
1
51 400-44539 SERVO AMP 2000W
Y 軸サーボアンプ2000 W
1
52 400-44535 4AXIS SERVO AMP
4軸一体型サーボアンプ
1
53 400-76982 BU DRV FG CABLE ASM
BU ドライバ FG ケーブル組
1
54
#01
400-77126 BU DRV FG CABLE ASM(EN)
BU ドライバ FG ケーブル組(EN)
1
55 400-76985 AWCC DRV FG CABLE ASM
AWCC ドライバ FG ケーブル組
1
56
#01
400-77127 AWCC DRV FG CABLE ASM(EN)
AWCC ドライバ FG ケーブル組(EN)
1
57 400-76988 AWCS DRV FG CABLE ASM
AWCS ドライバ FG ケーブル組
1
58
#01
400-77128 AWCS DRV FG CABLE ASM(EN)
AWCS ドライバ FG ケーブル組(EN)
1
59 400-77105 YL DRV FG CABLE ASM
YL ドライバ FG ケーブル組
1
60 400-77106 YR DRV FG CABLE ASM
YR ドライバ FG ケーブル組
1
61 400-77107 YA DRV FG CABLE ASM
YA ドライバ FG ケーブル組
1
62 400-77106 YR DRV FG CABLE ASM
YR ドライバ FG ケーブル組
1
63 400-77104 XR DRV FG CABLE ASM
XR ドライバ FG ケーブル組
1
64 400-29828 CONNECTOR BRKT POWER CABLE (FL) ASM
コネクタブラケット電源束線 FL 組
1
65 400-29833 BANK CNCT BRKT CABLE ASM
コネクタブラケット電源束線組
1
66 400-29829 CONNECTOR BRKT POWER CABLE (FR) ASM
コネクタブラケット電源束線 FR 組
1
67 400-29833 BANK CNCT BRKT CABLE ASM
コネクタブラケット電源束線組
1
68 400-29830 CONNECTOR BRKT POWER CABLE (RL) ASM
コネクタブラケット電源束線 RL 組
1
69 400-29833 BANK CNCT BRKT CABLE ASM
コネクタブラケット電源束線組
1
70 400-29831 CONNECTOR BRKT POWER CABLE (RR) ASM
コネクタブラケット電源束線 RR 組
1
71 400-29833 BANK CNCT BRKT CABLE ASM
コネクタブラケット電源束線組
1
72 L822E-521-0A0 FEEDER CHANGE TROLLEY CABLE FL ASM
フィーダチェンジトロリー束線組
1
73 L822E-521-0A0 FEEDER CHANGE TROLLEY CABLE FL ASM
フィーダチェンジトロリー束線組
1
74 L822E-521-0A0 FEEDER CHANGE TROLLEY CABLE FL ASM
フィーダチェンジトロリー束線組
1
75 L822E-521-0A0 FEEDER CHANGE TROLLEY CABLE FL ASM
フィーダチェンジトロリー束線組
1
76 E9378-721-0A0 FEEDER BANK CABLE 5 ASM
フィーダバンクケーブル5組
1
77 E9384-721-0A0 FEEDER BANK DC CABLE 5 ASM.
フィーダバンク DC ケーブル5組
1
78 L800E-921-0A0 VME BOARD POWER CABLE ASM
VME ボードパワー束線組
1
79 L801E-121-0A0 FEEDER BANK DATA CABLE (F) ASM
フィーダバンクデータ束線(F)組
1
80 L801E-221-0A0 FEEDER BANK DATA CABLE (R) ASM
フィーダバンクデータ束線(R)組
1
81 400-77072 POWER MONITOR CABLE ASM
パワーモニタケーブル組
1
82 L801E-921-0A0 CPCI BOARD POWER ASM
CPCI ボードパワー組
1
83 400-77075 HEAD SVON CABLE ASM
ヘッド SVON ケーブル組
1
84 HB-0016300-00 SSR
SSR
1
85 400-77076 TB3 24V CABLE ASM
TB 3 24 V ケーブル組
1
86 400-77077 TB3 RESISTOR CABLE ASM
TB 3 レジスターケーブル組
1
87 400-77073 HEAD L SVON CABLE ASM
ヘッド L SVON ケーブル組
1
88 400-77074 HEAD R SVON CABLE ASM
ヘッド R SVON ケーブル組
1
89 L805E-121-0A0 SCALE I/F PCB POWER CABLE ASM
スケールI/F基板パワー束線組
1
90 L811E-021-0A0 POSITION I/F PCB POWER CABLE ASM
ポジションI/F基板パワー束線組
1
91 L822E-921-0A0 CONVEYOR MOTOR POWER CABLE ASM
コンベアモータパワー束線組
1
92 L823E-021-0A0 CONVEYOR PCB POWER CABLE ASM
コンベア PCB パワー束線組
1
93 L833E-321-0A0 OPERATION PCB POWER CABLE ASM
オペレーション基板パワー束線組
1
94 L805E-021-0A0 HOUR METER CABLE ASM
アワーメーター束線組
1
95
#02
L806E-621-0A0 LCD POWER CABLE (F) ASM
LCD パワー束線(F)組
1
96
#02
L806E-721-0A0 LCD POWER CABLE (R) ASM
LCD パワー束線(R)組
1
97
#03
401-24822 F_LCD POWER CABLE ASM
前面液晶電源中継束線組
1
98
#03
401-24823 R_LCD POWER CABLE ASM
背面液晶電源中継束線組
1
99 L817E-721-0A0 L-HEAD POWER CABLE ASM
L−HEADパワー束線組
1
100 L819E-621-0A0 R-HEAD POWER CABLE ASM
R−HEADパワー束線組
1
101 401-02715 VACUUM PUMP POWER CP IN CABLE
バキュームポンプパワー CP IN ケーブル組
1

- 115 -
58.SYSTEM DIAGRAM (2)
SYSTEM DIAGRAM(2)
CH2
POS2DIPOSC3CN3 CH2 DI/EMG
POS1DIPOSC2CN2 CH1 DI/EMG
CH1
POSITION BOARD
MR-MC-121-S01
MR-J3BUS015M
MR-J3BUS015M
001:4B
003:5A
CN1B
CN1A
001:3B
003:3A
CN1B
CN1A
001:3B
003:2A
CN1B
CN1A
MR-J3BUS015M
CN146 POSC23CN23
YA +LIMIT SENSOR
CN145 POSC22CN22
YA -LIMIT SENSOR
CN144 POSC21 CN21
YA NEAR SENSOR
CN134 POSC16 CN16
YBL +LIMIT SENSOR
CN133 POSC15 CN15
YBL -LIMIT SENSOR
XYL-2 BEAR CABLE ASM 3/4
CN141 CN139 POSC19CN140
CN135 POSC17
CN19
CN17
XC LIMIT SENSOR
YBL NEAR SENSOR
005:3B
001:5B
POSITION I/F PCB
(2/3)(POS-CNN PCB)
CN29
POSC29
SIF10
CN10
CN9
SIF9
814E3
CN160
YBR ORG SENSOR
CN8
SIF8CN159
YBL ORG SENSOR
XS5 CN5CN143
XR +LIMIT SENSOR
XS3 CN3
XL -LIMIT SENSOR
YR YR
YR SCALE HEAD
YR(SIF17)YR(CN17)
YL YL
YL SCALE HEAD
YL(SIF16)YL(CN16)
XYR-1 BEAR CABLE ASM 1/3
XR-L S XR-SIF
XR SCALE HEAD
XR(SIF15)XR(CN15)
XYL-1 BEAR CABLE ASM 1/3
XL-L S XL-SIF
XL SCALE HEAD
XL(SIF14)XL(CN14)
SIF11
CN11
XS2 CN2
XL NEAR SENSOR
XS4 CN4CN142
XR NEAR SENSOR
XS1CN1
SENSOR
RELAY
PCB
YL CN136
YBRCN2L CN2L
CN7 SIF7
YBLCN2L CN2LCN6 SIF6
XRCN2L CN2L
CN5 SIF5 40077122
XLCN2L CN2L
CN4 SIF4
001:5A
SCALE I/F
PCB(2/2)
MR-J3BUS015M
001:3C
004:2A
ZTA SERVO AMP R(2/3)
MR-MR100
CN1B
CN1A
001:3C
004:3A
ZTB SERVO AMP R(2/3)
MR-MR100
CN1B
CN1A
001:4C
004:5A
ZTC SERVO AMP R(2/3)
MR-MR100
CN1B
CN1A
MR-J3BUS7M-B
XY BEAR CABLE(R)
YACNENC
YA SERVO
MOTOR
HC-RP153D-S3
CN1B
UVW
YACN2
(YA FG)
YA
CN2
YACNMTR
MOTOR
001:4B
YA SERVO AMP(2/2)
MR-J3-200B-RJ024
CN1A
001:3A
XYR-2 BEAR CABLE ASM 2/4
XRUVW
(XR FG)
MR-J3BUS015M
CN103
CN020
CN104
MOTOR
XR
PE
CN1B
CN1A
MR-J3BUS2M-B
XR SERVO AMP(2/2)
MR-J3-200B-KM084V500
ZTC SERVO AMP L(2/3)
MR-MR100
ZTB SERVO AMP L(2/3)
MR-MR100
CN1B
YBL
UVW
YBLCN2
(YBR FG)
YBL
CN2
CN110
CN109
ENCODER
MOTOR
MR-J3BUS7M-B
001:3B
YBL SERVO AMP(2/2)
MR-J3-70B-RJ024
CN1A
CN1B
YBR
UVW
YBRCN2
(YBR FG)
YBR
CN2
CN112
CN111
ENCODER
MOTOR
001:3A
XYL-2 BEAR CABLE ASM 2/4
XLUVW
(XL FG)
MR-J3BUS015M
MR-J3BUS015M
001:3B
YBR SERVO AMP(2/2)
MR-J3-70B-RJ024
CN1A
CN101
CN102
MOTOR
XL
PE
XL SERVO AMP(2/2)
MR-J3-200B-KM084V500
CN1B
CN1A
XY BEAR CABLE(L)
ZTA SERVO AMP L(2/3)
MR-MR100
MR-J3BUS2M-B
1234
56 79
810
11 13
12 14 16 18
15 17
19
20
21 23
22 24
25
26 29
32 34
35
28 31 33 36
37 39
27 30 38
40
57
58
59
60
61
62 65
64
63
66 67
68
69
71
74
75
70
72 73
41
51
43 45 484947
52
53
54
42
44
46
50
55
56
CN019CN2
XL CN2
76
UVW
XR CN2
77