FX-2-Rev03.pdf - 第128页
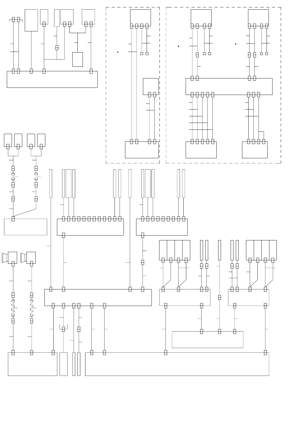
- 123 - 62. SYSTEM DIAGRAM (6) SYSTEM DIAGRAM (6) 006:4A 001: 5A REAR MONITOR OP NON R EAR M ONITOR IO2 CN2 C N 1 BANK/FPI PCB(R) RRR C N1 LED PCB( RR-R) RRL BKF _R3 C N 1 CN 3 LED PCB( RR-L) RLR C N1 LED PCB( RL-R) RLL …

- 122 -
REF.NO NOTE PART NO D E S C R I P T I O N
品 名
Qty
1 L828E-821-0A0 IN SENSOR ASM
IN センサ組
1
2 L828E-721-0A0 IN SENSOR CABLE ASM
IN センサ束線組
1
3 L828E-921-0A0 WAIT SENSOR ASM
ウェイトセンサ組
1
4 400-63746 BU PIN EMITTER SENS ASM
BU ピン投光センサ組
1
5 L829E-021-0A0 SPT PIN EMITTER SENSOR CABLE ASM
SPT ピン投光センサケーブル組
1
6 L828E-421-0A0 IN CHECK SENSOR (M) ASM
IN チェックセンサ(M)組
1
7 L828E-321-0A0 IN CHECK SENSOR CABLE (F) ASM
IN チェックセンサ束線(F)組
1
8 L828E-621-0A0 IN CHECK SENSOR (S) ASM
IN チェックセンサ(S)組
1
9 L828E-521-0A0 IN CHECK SENSOR CABLE (R) ASM
IN チェックセンサ束線(R)組
1
10 L825E-621-0A0 FF EMITTER SENSOR (FL-F) ASM
FF 投光センサ(FL − F)組
1
11 L825E-521-0A0 FF EMITTER SENSOR CABLE (FL-F) ASM
FF 投光センサ束線(FL − F)組
1
12 L826E-021-0A0 FF EMITTER SENSOR (FL-R) ASM
FF 投光センサ(FL − R)組
1
13 L825E-921-0A0 FF EMITTER SENSOR CABLE (FL-R) ASM
FF 投光センサ束線(FL − R)組
1
14 L826E-421-0A0 FF EMITTER SENSOR (RL-F) ASM
FF 投光センサ(RL − F)組
1
15 L826E-321-0A0 FF EMITTER SENSOR CABLE (RL-F) ASM
FF 投光センサ束線(RL − F)組
1
16 L826E-821-0A0 FF EMITTER SENSOR (RL-R) ASM
FF 投光センサ(RL − R)組
1
17 L826E-721-0A0 FF EMITTER SENSOR CABLE (RL-R) ASM
FF 投光センサ束線(RL − R)組
1
18 400-77058 ATC OPEN SENSOR (FL) ASM
ATC オープンセンサ(FL)組
1
19 400-77059 ATC CLOSE SENSOR (FL) ASM
ATC クローズセンサ(FL)組
1
20 400-77060 ATC OPEN SENSOR (RL) ASM
ATC オープンセンサ(RL)組
1
21 400-77061 ATC CLOSE SENSOR (RL) ASM
ATC クローズセンサ(RL)組
1
22 L827E-921-0A0 BANK UP SENSOR CABLE (FL) ASM
バンクアップセンサ束線(FL)組
1
23 L828E-021-0A0 BANK UP SENSOR (FL) ASM
バンクアップセンサ(FL)組
1
24 L828E-121-0A0 BANK UP SENSOR CABLE (RL) ASM
バンクアップセンサ束線(RL)組
1
25 L828E-221-0A0 BANK UP SENSOR (RL) ASM
バンクアップセンサ(RL)組
1
26 L825E-721-0A0 FF RECEIVER SENSOR CABLE FL-F ASM
FF 受光センサ束線 FL − F 組
1
27 L825E-821-0A0 FF RECEIVER SENSOR (FL-F) ASM
FF 受光センサ(FL − F)組
1
28 L826E-121-0A0 FF RECEIVER SENSOR CABLE FL-R ASM
FF 受光センサ束線 FL − R 組
1
29 L826E-221-0A0 FF RECEIVER SENSOR (FL-R) ASM
FF 受光センサ(FL − R)組
1
30 L826E-521-0A0 FF RECEIVER SENSOR CABLE RL-F ASM
FF 受光センサ束線 RL − F 組
1
31 L826E-621-0A0 FF RECEIVER SENSOR (RL-F) ASM
FF レシバーセンサ(RL − F)
1
32 L826E-921-0A0 FF RECEIVER SENSOR CABLE RL-R ASM
FF 受光センサ束線 RL − R 組
1
33 L827E-021-0A0 FF RECEIVER SENSOR (RL-R) ASM
FF 受光センサ(RL − R)組
1
34 L832E-321-0A0 OUT SENSOR ASM
OUT センサ組
1
35 L832E-221-0A0 OUT SENSOR CABLE ASM
OUT センサ束線組
1
36 L832E-721-0A0 C.OUT2 SENSOR ASM
C.OUT 2センサ組
1
37 400-63747 BU PIN RECEIVER SENS ASM
BU ピン受光センサ組
1
38 L832E-421-0A0 SPT PIN RECEIVER SENSOR CABLE ASM
SPT ピン受光センサ束線組
1
39 400-77066 PCB CHECK SENSOR ASM
PCB チェックセンサ組
1
40 400-77067 PCB CHECK SENSOR CABLE ASM
PCB チェックセンサケーブル組
1
41 L829E-321-0A0 FF EMITTER SENSOR (FR-F) ASM
FF 投光センサ(FR − F)組
1
42 L829E-221-0A0 FF EMITTER SENSOR CABLE (FR-F) ASM
FF 投光センサ束線(FR − F)組
1
43 L829E-721-0A0 FF EMITTER SENSOR (FR-R) ASM
FF 投光センサ(FR − R)組
1
44 L829E-621-0A0 FF EMITTER SENSOR CABLE (FR-R) ASM
FF 投光センサ束線(FR − R)組
1
45 L830E-121-0A0 FF EMITTER SENSOR (RR-F) ASM
FF 投光センサ(RR − F)組
1
46 L830E-021-0A0 FF EMITTER SENSOR CABLE (RR-F) ASM
FF 投光センサ束線(RR − F)組
1
47 L830E-521-0A0 FF EMITTER SENSOR (RR-R) ASM
FF 投光センサ(RR − R)組
1
48 L830E-421-0A0 FF EMITTER SENSOR CABLE (RR-R) ASM
FF 投光センサ束線(RR − R)組
1
49 400-77062 ATC OPEN SENSOR (FR) ASM
ATC オープンセンサ(FR)組
1
50 400-77063 ATC CLOSE SENSOR (FR) ASM
ATC クローズセンサ(FR)組
1
51 400-77064 ATC OPEN SENSOR (RR) ASM
ATC オープンセンサ(RR)組
1
52 400-77065 ATC CLOSE SENSOR (RR) ASM
ATC クローズセンサ(RR)組
1
53 L831E-621-0A0 BANK UP SENSOR CABLE (FR) ASM
FF 受光センサ束線(FR)組
1
54 L831E-721-0A0 BANK UP SENSOR (FR) ASM
バンクアップセンサ(FR)組
1
55 L831E-821-0A0 BANK UP SENSOR CABLE (RR) ASM
FF 受光センサ束線(RR)組
1
56 L831E-921-0A0 BANK UP SENSOR (RR) ASM
バンクアップセンサ(RR)組
1
57 L829E-421-0A0 FF RECEIVER SENSOR CABLE FR-F ASM
FF 受光センサ束線 FR − F 組
1
58 L829E-521-0A0 FF RECEIVER SENSOR (FR-F) ASM
FF 受光センサ(FR − F)組
1
59 L829E-821-0A0 FF RECEIVER SENSOR CABLE FR-R ASM
FF 受光センサ束線 FR − R 組
1
60 L829E-921-0A0 FF RECEIVER SENSOR (FR-R) ASM
FF 受光センサ(FR − R)組
1
61 L830E-221-0A0 FF RECEIVER SENSOR CABLE RR-F ASM
FF 受光センサ束線 RR − F 組
1
62 L830E-321-0A0 FF RECEIVER SENSOR (RR-F) ASM
FF 受光センサ(RR − F)組
1
63 L830E-621-0A0 FF RECEIVER SENSOR CABLE RR-R ASM
FF 受光センサ束線 RR − R 組
1
64 L830E-721-0A0 FF RECEIVER SENSOR (RR-R) ASM
FF 受光センサ(RR − R)組
1
65 400-77026 BU/CNV/AWC CABLE ASM
BU / CNV / AWC ケーブル組
1
66 400-76138 CONNECTOR TERMINAL
コネクタターミナル
1
67 400-77027 BU MOTOR PULSE CABLE ASM
BU モータパルスケーブル組
1
68 400-77028 BU MOTOR CABLE ASM
BU モータケーブル組
1
69 400-77125 YA BEAR CABLE ASM
YA ベアケーブル組
1
70 E9432-729-0A0 BU MOTOR ASM.
BU モータ組
1
71 400-77029 BU ENC CABLE ASM
BU エンコーダケーブル組
1
72 E9433-729-0A0 BU ENC ASM.
BU ENC 組
1
73 400-77033 AWC MOTOR PULSE CABLE ASM
AWC モータパルスケーブル組
1
74 400-77034 AWCC MOTOR CABLE ASM
AWCC モータケーブル組
1
75 E9434-729-0A0 WIDTH ADJUST MOTOR ASM.
自動幅調モータ組
1
76 400-77035 AWC ENC CABLE ASM
AWC エンコーダケーブル組
1
77 400-77037 BU/AWC SENSOR CABLE ASM
BU / AWC センサケーブル組
1
78 L812E-821-0A0 SUPPORT TABLE NEAR SENSOR ASM
サポートテーブルニアセンサ組
1
79 L812E-921-0A0 AWCC NEAR SENSOR ASM
AWCC ニアセンサ組
1
80 400-77030 CENT MOTOR PULSE CABLE ASM
CENT モータパルスケーブル組
1
81 400-77031 CENTOR MOTOR CABLE ASM
CENTOR モータケーブル組
1
82 E9431-729-0A0 CENT MOTOR ASM.
CENT モータ組
1
83 400-77032 CENTOR MOTOR PWR CABLE ASM
CENTOR モータパワーケーブル組
1
84 400-77036 NEAR SENSOR PWR CABLE ASM
ニアセンサパワーケーブル組
1
85 400-77038 AWS CABLE ASM
AWS ケーブル組
1
86 400-76139 CONNECTOR TERMINAL
コネクタターミナル
1
87 400-77039 AWS MOTOR PULSE CABLE ASM
AWS モータパルスケーブル組
1
88 400-77040 AWCS MOTOR CABLE ASM
AWCS モータケーブル組
1
89 E9434-729-0A0 WIDTH ADJUST MOTOR ASM.
自動幅調モータ組
1
90 400-77041 AWS ENC CABLE ASM
AWS エンコーダケーブル組
1
91 400-77042 AWS NEAR SENSOR CABLE ASM
AWS ニアセンサケーブル組
1
92 L813E-121-0A0 AWCS NEAR SENSOR ASM
AWCS ニアセンサ組
1
93 L823E-121-0A0 BASE FEEDER SENSOR CONNECTION CABLE ASM
ベースフィーダセンサコネクション束線組
1
94 L823E-321-0A0 CAL BLOCK PCB CABLE ASM
CAL ブロック PCB 束線組
1
95 L823E-221-0A0 TEMP/VAC CABLE ASM
TEMP / VAC 束線組
1
96 400-77069 CAL VAC SENS CABLE ASM
CAL VAC センサケーブル組
1
97 L823E-621-0A0 L-CARRY-SENS CABLE ASM
L − CARRY − SENS 束線組
1
98 400-77068 AIR PRESSURE SW CABLE ASM
AIR プレッサー SW ケーブル組
1
99 400-45499 AIR PRESSURE METER ASM
AIR プレッサーメーター組
1
100 L824E-121-0A0 CONVEYOR-SV-CABLE (LR) ASM
コンベア SV 束線(LR)組
1
101 400-77150 SV CONNECTOR CABLE ASM
SV コネクタケーブル組
1
102 400-77149 ATC R CABLE ASM
ATC R ケーブル組
1
103 L823E-721-0A0 R-CARRY-SENS CABLE ASM
R − CARRY − SENS 束線組
1
104 L824E-421-0A0 CONVEYOR PCB FG CABLE ASM
コンベア PCB FG 束線組
1
105 L823E-921-0A0 NON STOP SIGNAL RELAY CABLE ASM
ノンストップシグナルリレー束線
1
106 E9819-729-0A0 MINI PAT CABLE ASM
ミニパトケーブル組
1
107 L824E-021-0A0 NON STOP SIGNAL RELAY CABLE ASM
ノンストップシグナルリレー束線
1
108 E9819-729-0A0 MINI PAT CABLE ASM
ミニパトケーブル組
1
109 L838E-521-0A0 L MOTOR CABLE ASM
L モータ束線組
1
110 E9454-729-MA0 IN MOTOR ASM.
IN モータ組
1
111 L838E-621-0A0 R MOTOR CABLE ASM
R モータ束線組
1
112 E9456-729-MA0 OUT MOTOR ASM.
OUT モータ組
1
113 L823E-521-0A0 POSC-CONVEYOR CABLE ASM
POSC − CONVEYOR 束線
1
114 400-78770 TS RELAY CABLE ASM
TS リレーケーブル組
1
115 400-77023 XYR-2 BEAR CABLE
XYR −2 ベアケーブル
1
116 400-78771 TS CABLE ASM
TS ケーブル組
1
117 L824E-721-0A0 YA SENSOR RELAY CABLE ASM
YA センサリレーケーブル束線組
1
118 400-77125 YA BEAR CABLE ASM
YA ベアケーブル組
1
119 L824E-821-0A0 STOP SENSOR CABLE ASM
ストップセンサ束線組
1
120 L825E-121-0A0 STOP SENSOR ASM
ストップセンサ組
1
121 L824E-921-0A0 T.PIN SENSOR CABLE ASM
T.PIN センサ束線組
1
122 L825E-221-0A0 T.PIN SENSOR ASM
T.PIN センサ組
1
123 L823E-021-0A0 CONVEYOR PCB POWER CABLE ASM
コンベア PCB パワー束線組
1
124 L832E-121-0A0 C.OUT SENSOR ASM
C.OUT センサ組
1
125 L833E-221-0A0 POSC SAFETYY CABLE ASM
POSC セーフティ束線組
1
126 L832E-921-0A0 OPERATION SAFETY CABLE ASM
オペレーションセーフティ束線組
1
127 400-77091 POSITION RELAY SAFETY CABLE ASM
ポジションリレーセーフティケーブル組
1
128 L833E-021-0A0 SMEMA CABLE (L) ASM
スメマ束線(L)組
1
129 L833E-121-0A0 SMEMA CABLE (R) ASM
スメマ束線(R)組
1

- 123 -
62.SYSTEM DIAGRAM (6)
SYSTEM DIAGRAM(6)
006:4A
001:5A
REAR MONITOR OP
NON REAR MONITOR
IO2CN2 CN1
BANK/FPI PCB(R)
RRR CN1
LED PCB(RR-R)
RRLBKF_R3 CN1CN3
LED PCB(RR-L)
RLR CN1
LED PCB(RL-R)
RLLBKF_R2 CN1CN2
LED PCB(RL-L)
FRR CN1
LED PCB(FR-R)
FRLBKF_F2 CN1CN2
LED PCB(FR-L)
IO2 BKF_F1
003:1A
CN1CN2
FLR CN1
LED PCB(FL-R)
FLLBKF_F3 CN1CN3
LED PCB(FL-L)
BANK/FPI PCB(F)
BKFR7 CN502
FEEDER(RR)
CN7
BS4R
BKFR5
BKFR6 CN501
FEEDER(RL)
CN6
CN5
CN4R
BKFF7 CN502
FEEDER(FR)
CN7
BS4F
BKFF5
BKFF6 CN501
FEEDER(FL)
CN6
CN5
CN4F
CN483BS2CN2
SIGNAL LIGHT
005: 3A
BASE-FEEDER PCB(3/3)
FDPWR
FDDIFFDD I/F FDD
FDD
LPTLPT
HDD_LAMP
LANLANLAN
HARD DISK
ACCESS LAMP
HDDIF
CDR
HDD I/F HDD
CD-ROM
HDD
(TOUCH PANEL OP)
LCDRS
LCD
LCD1 CN1
01-5B
LCD
CN017
LCD(F)
TOUCH
PANEL(F)
CN23OP23MS
006: 2A
CN22OP22
OPERATION PCB(4/4)
KB
(TOUCH PANEL OP)
LCDRS
LCD
LCD1 CN1
RS(R)
01-5C
RS2RS2
CRT2CRT2
CN018
TOUCH
PANEL(R)
(TOUCH PANEL OP)
COM2 RS PCCOM2
VGA CRT PCVGA
CN20 OP20 CNCEX EX
CN25 OP25 MS2 MS2
CN24 OP24 KB2 KB2
CN23 OP23 MS1 MS1 LCDRS
LCD
LCD
LCD1 CN1
LCD(R)
RS(F)
006:4A
006:2A
01-5B
RS1RS1
LCDCRT1
CN017
LCD(R)
LCD(F)
TOUCH
PANEL(F)
CN22 OP22
OPERATION PCB(4/4)
KB1 KB1
MS
KB KB/MS PC
MOUSE
KEYBOARD
CONSOLE SPLITTER
CPU PCB(2/2)
COM2
VGA
MOUSE
KEYBOARD
CPU PCB(2/2)
CDPWR
VME BACK
BOARD
(2/2)
001:1B
006:4B
(006:4D)
UPS(2/2)
COM1
CPU PCB(1/2)
XYR-1 BEAR CABLE
ASM 2/3
CN820
IPX5
CN812
OCC-R
CN5
OCC(R)
XYL-1 BEAR CABLE
ASM 2/3
CN819
IPX4
CN811 OCC- L
IP-X PCB
CN4
OCC(L)
OCCLA CN1
OCC
LIGHT
A(R)
CN818
OCCLV
CN810
CN1
XYR-1 BEAR CABLE
ASM 3/3
OCC
LIGHT
V(R)
CN809
OCCLA CN1
OCC
LIGHT
A(L)
CN817LC1CN1
OCCLV
CN808
CN1
XYL-1 BEAR CABLE
ASM 3/3
OCC
LIGHT
V(L)
CN807
LIGHT CNTL
PCB
OP_CN7
COVER OPEN SW(R)
CN701
TB TB
TRACK BALL(R)
SW6
SW5
SW4
SW3
CN4
BANK ENABLE SW(R)
(NON-STOP OPERATION)
CN3
EMG SW(RL)
OP6
EMG SW(RR)
CN6
KB KB
KEYBOARD(R)
CN3 OP3 CN1RS1
OPERATION SW(R) PCB
CYCLE SW
SW2
CN719
CN718
OP-R-SW
SERVO SW
STOP SW
START SW
CN2
TB TB
TRACK BALL(F)
SW7
SW6
SW5
SW4
SW3
SW2
SW1
CN4
BANK ENABLE SW(F)
(NON-STOP OPERATION)
CN3
EMG SW(FR)
CN1OP1IO4CN4
OP5
EMG SW(FL)
CN5
CN708
(006:4C)
006:4B
OP21 CN21IPX2CN2
FX-1 HOD
KB
KEY SW(CE)
KB
KEYBOARD(F)
CN10 OP10 CN1FS1OP2 CN2
OP_CN7
COVER OPEN SW(F)
CN7
OPERATION SW(F) PCB
OP8 CN8
CYCLE SW
SW2
CN719
CN718
005:5C
OP-F-SW
SERVO SW
STOP SW
START SW
ORIGIN SW
ON LINE SW
CN2
CN15
OP15IO6CN6
OPERATION PCB(3/4)
I/O CONTROL PCB(2/2)
1
25
36
4
7
8
9
11
10
12 13 14
15 16 17
18
19
20 21
22
23
24
26 27
25
28
29
30
31
32
33
34
35 38
36
37
39
40 41
42
43
44
45
46 47
48
49
73
50
51
60
62
69
61 64
67
71
66
65
52
53
54
55
56
57
58
59
CN027
01-5C
74
75
70
63
CN027
01-5C
72
68
01-5C
CN028

- 124 -
NOTE( 注記 ) #01....UNTIL MACHINE REV.E M / C REV.E まで
#02....AFTER MACHINE REV.F M / C REV.F 以降
REF.NO NOTE PART NO D E S C R I P T I O N
品 名
Qty
1 400-77084 OCC CAMERA L CABLE ASM
OCC カメラ L ケーブル組
1
2 400-77020 XYL-1 BEAR CABLE
XYL −1 ベアケーブル
1
3 L820E-721-0A0 OCC L CABLE ASM
OCC L 束線組
1
4 400-77085 OCC CAMERA R CABLE ASM
OCC カメラ R ケーブル組
1
5 400-77021 XYR-1 BEAR CABLE
XYR −1 ベアケーブル
1
6 L820E-821-0A0 OCC R CABLE ASM
OCC R 束線組
1
7 E9623-721-000 PORTRAIT MONITOR CABLE
画像モニタケーブル
1
8 L834E-321-0A0 HOD - OPERATION I/F CABLE ASM
HOD−OPERATION I/F束線組
1
9 400-02254 COVER OPEN SWITCH CABLE ASM
カバーオープン SW ケーブル組
1
10 400-02254 COVER OPEN SWITCH CABLE ASM
カバーオープン SW ケーブル組
1
11 L834E-121-0A0 COVER OPEN SW CABLE (R) ASM
カバーオープン SW 束線(R)組
1
12 L833E-421-0A0 I/O OPERATION RS232C CABLE ASM
I / O オペレーション RS 232 C 束線組
1
13 L833E-521-0A0 OPERATION SERI/PARA CABLE ASM
オペレーション SERI / PARA 束線組
1
14 L822E-121-0A0 FPI-F I/O CABLE ASM
FPI−F I/O束線組
1
15 L821E-121-0A0 BANK F CABLE ASM
バンクF束線組
1
16 L821E-721-0A0 SIGNAL LIGHT CABLE ASM
シグナルライト束線組
1
17 L821E-421-0A0 BANK R CABLE ASM
バンクR束線組
1
18 L822E-121-0A0 FPI-F I/O CABLE ASM
FPI−F I/O束線組
1
19 L834E-421-0A0 EMG SW (FL) ASM
EMG SW (FL)組
1
20 L834E-221-0A0 F-OPERATION SW PCB CABLE ASM
F − OPERATION SW 基板束線組
1
21 L834E-521-0A0 EMG SW (RR) ASM
EMG SW (RR)組
1
22 L833E-921-0A0 R-OPERATION SW PCB CABLE (1) ASM
R − OPERATION SW 基板束線組
1
23 L834E-621-0A0 R-OPERATION SW PCB CABLE (2) ASM
R − OPERATION SW 基板束線組
1
24 L821E-921-0A0 FPI LED CABLE (FL) ASM
FPI LED 束線(FL)組
1
25 L822E-021-0A0 FPI LED CABLE (FR) ASM
FPI LED 束線(FR)組
1
26 L821E-221-0A0 BANK FL CABLE ASM
バンクFL束線組
1
27 L821E-321-0A0 BANK FR CABLE ASM
バンクFR束線組
1
28 L821E-821-0A0 SIGNAL LIGHT ASM
シグナルライト組
1
29 L821E-521-0A0 BANK RL CABLE ASM
バンクRL束線組
1
30 L821E-621-0A0 BANK RR CABLE ASM
バンクRR束線組
1
31 L822E-221-0A0 FPI LED CABLE (RL) ASM
FPI LED 束線(RL)組
1
32 L822E-321-0A0 FPI LED CABLE (RR) ASM
FPI LED 束線(RR)組
1
33 L820E-421-0A0 OCC LIGHT DISTRIBUTION CABLE ASM
OCC ライト分配ケーブル組
1
34 L820E-021-0A0 OCC LIGHT L CABLE ASM
OCCライトL束線組
1
35 400-77020 XYL-1 BEAR CABLE
XYL −1 ベアケーブル
1
36 L820E-521-0A0 OCC LIGHT L CABLE (2) ASM
OCC ライト L 束線(2)組
1
37 L820E-121-0A0 OCC LIGHT R CABLE ASM
OCCライトR束線組
1
38 400-77021 XYR-1 BEAR CABLE
XYR −1 ベアケーブル
1
39 L820E-621-0A0 OCC LIGHT R CABLE (2) ASM
OCC ライト R 束線(2)組
1
40 L833E-721-0A0 EMG SW ASM
EMG SW 組
1
41 L833E-721-0A0 EMG SW ASM
EMG SW 組
1
42 HW-0018100-80 LAN CABLE
LAN ケーブル
1
43 L835E-021-0A0 PRINTER I/F CABLE ASM
プリンタI/F束線組
1
44 L834E-821-0A0 CD-HDD I/F CABLE ASM
CD − HDD I / F 束線組
1
45 L835E-221-0A0 HDD ACCESS LAMP ASM
HDD アクセスランプ組
1
46 400-25313 CD FDD POWER CABLE ASM
CD FDD パワーケーブル組
1
47 L834E-921-0A0 FDD I/F CABLE ASM
FDD I/F束線組
1
48 L839E-121-0A0 VGA CABLE (3) ASM
VGA 束線(3)組
1
49
#01
400-26003 TP RS232C CABLE ASM
TP RS 232 C ケーブル組
1
50 L837E-121-0A0 KEYBOARD CABLE ASM
キーボード束線組
1
51 L837E-221-0A0 MOUSE CABLE ASM
マウス束線組
1
52 L837E-921-0A0 KEYBOARD CABLE (F) ASM
キーボード束線(F)組
1
53 L838E-021-0A0 MOUSE CABLE (F) ASM
マウス束線(F)組
1
54 L838E-121-0A0 KEYBOARD CABLE (R) ASM
キーボード束線(R)組
1
55 L838E-221-0A0 MOUSE CABLE (R) ASM
マウス束線(R)組
1
56 L833E-621-0A0 CONSOLE SELECT CABLE ASM
コンソールセレクト束線組
1
57 L837E-721-0A0 VGA CABLE (2) ASM
VGA 束線(2)組
1
58 L837E-821-0A0 RS-232C CABLE (2) ASM
RS −232 C 束線(2)組
1
59 400-03282 MOUSE/KEYBOARD SELECTOR CABLE ASM
マウス/キーボード切換器ケーブル組
1
60 L839E-121-0A0 VGA CABLE (3) ASM
VGA 束線(3)組
1
61 L837E-421-0A0 RS-232C EXTENSION CABLE (F) ASM
RS −232 C 延長束線組
1
62
#01
400-26003 TP RS232C CABLE ASM
TP RS 232 C ケーブル組
1
63
#01
L806E-021-0A0 F-LCD POWER CABLE ASM
F − LCD パワー束線組
1
64 L837E-521-0A0 VGA EXTENSION CABLE (R) ASM
VGA 延長束線(R)組
1
65 L839E-121-0A0 VGA CABLE (3) ASM
VGA 束線(3)組
1
66 L837E-621-0A0 RS-232C EXTENSION CABLE ASM
RS −232 C 延長束線組
1
67 400-26003 TP RS232C CABLE ASM
TP RS 232 C ケーブル組
1
68 L806E-121-0A0 R-LCD POWER CABLE ASM
R − LCD パワー束線組
1
69
#02
401-24824 TOUCH PANEL CABLE ASM
タッチパネル束線組
1
70
#02
401-24821 LCD POWER CABLE ASM
液晶電源束線組
1
71
#02
401-24824 TOUCH PANEL CABLE ASM
タッチパネル束線組
1
72
#02
401-24821 LCD POWER CABLE ASM
液晶電源束線組
1
73
#02
401-24824 TOUCH PANEL CABLE ASM
タッチパネル束線組
1
74
#02
401-24821 LCD POWER CABLE ASM
液晶電源束線組
1
75
#01
L806E-021-0A0 F-LCD POWER CABLE ASM
F − LCD パワー束線組
1