FX-2-Rev03.pdf - 第121页

- 116 - REF.NO NOTE PART NO D E S C R I P T I O N 品 名 Qty 1 400-44531 MAGNETIC SCALE X SENSOR UNIT マグネチックスケール X センサユニット 1 2 400-44531 MAGNETIC SCALE X SENSOR UNIT マグネチックスケール X センサユニット 1 3 400-44418 SENSOR_UNIT_PSLH017 セン…

100%1 / 132
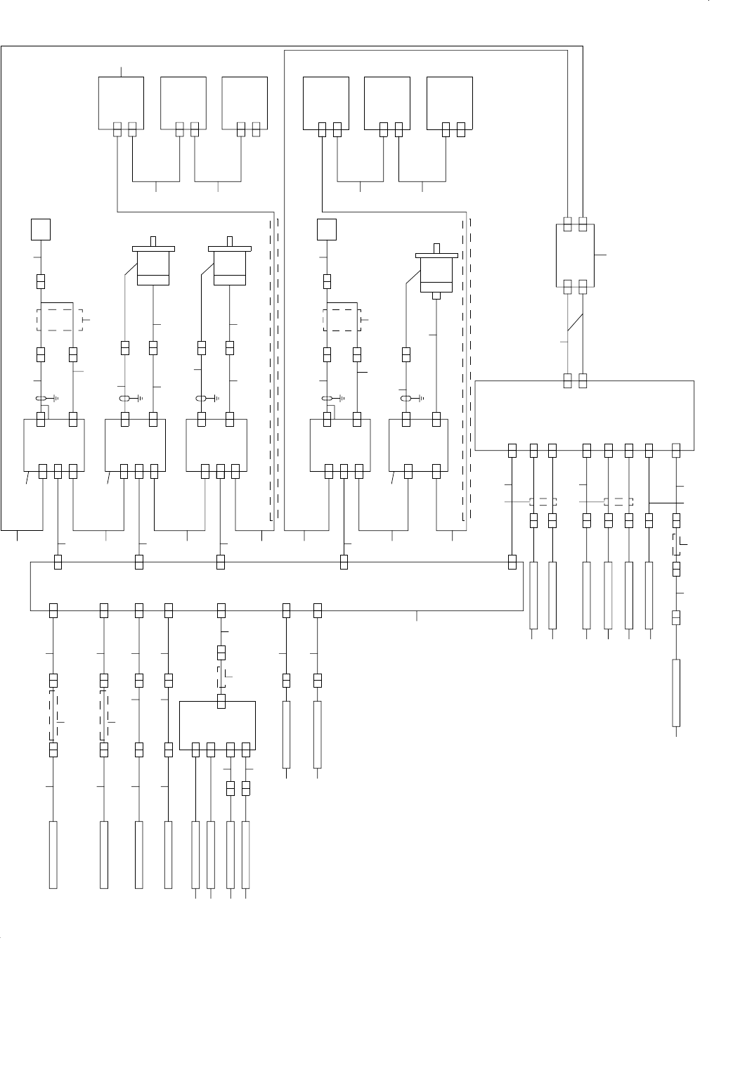
- 115 -
58.SYSTEM DIAGRAM (2)
SYSTEM DIAGRAM(2)
CH2
POS2DIPOSC3CN3 CH2 DI/EMG
POS1DIPOSC2CN2 CH1 DI/EMG
CH1
POSITION BOARD
MR-MC-121-S01
MR-J3BUS015M
MR-J3BUS015M
001:4B
003:5A
CN1B
CN1A
001:3B
003:3A
CN1B
CN1A
001:3B
003:2A
CN1B
CN1A
MR-J3BUS015M
CN146 POSC23CN23
YA +LIMIT SENSOR
CN145 POSC22CN22
YA -LIMIT SENSOR
CN144 POSC21 CN21
YA NEAR SENSOR
CN134 POSC16 CN16
YBL +LIMIT SENSOR
CN133 POSC15 CN15
YBL -LIMIT SENSOR
XYL-2 BEAR CABLE ASM 3/4
CN141 CN139 POSC19CN140
CN135 POSC17
CN19
CN17
XC LIMIT SENSOR
YBL NEAR SENSOR
005:3B
001:5B
POSITION I/F PCB
(2/3)(POS-CNN PCB)
CN29
POSC29
SIF10
CN10
CN9
SIF9
814E3
CN160
YBR ORG SENSOR
CN8
SIF8CN159
YBL ORG SENSOR
XS5 CN5CN143
XR +LIMIT SENSOR
XS3 CN3
XL -LIMIT SENSOR
YR YR
YR SCALE HEAD
YR(SIF17)YR(CN17)
YL YL
YL SCALE HEAD
YL(SIF16)YL(CN16)
XYR-1 BEAR CABLE ASM 1/3
XR-L S XR-SIF
XR SCALE HEAD
XR(SIF15)XR(CN15)
XYL-1 BEAR CABLE ASM 1/3
XL-L S XL-SIF
XL SCALE HEAD
XL(SIF14)XL(CN14)
SIF11
CN11
XS2 CN2
XL NEAR SENSOR
XS4 CN4CN142
XR NEAR SENSOR
XS1CN1
SENSOR
RELAY
PCB
YL CN136
YBRCN2L CN2L
CN7 SIF7
YBLCN2L CN2LCN6 SIF6
XRCN2L CN2L
CN5 SIF5 40077122
XLCN2L CN2L
CN4 SIF4
001:5A
SCALE I/F
PCB(2/2)
MR-J3BUS015M
001:3C
004:2A
ZTA SERVO AMP R(2/3)
MR-MR100
CN1B
CN1A
001:3C
004:3A
ZTB SERVO AMP R(2/3)
MR-MR100
CN1B
CN1A
001:4C
004:5A
ZTC SERVO AMP R(2/3)
MR-MR100
CN1B
CN1A
MR-J3BUS7M-B
XY BEAR CABLE(R)
YACNENC
YA SERVO
MOTOR
HC-RP153D-S3
CN1B
UVW
YACN2
(YA FG)
YA
CN2
YACNMTR
MOTOR
001:4B
YA SERVO AMP(2/2)
MR-J3-200B-RJ024
CN1A
001:3A
XYR-2 BEAR CABLE ASM 2/4
XRUVW
(XR FG)
MR-J3BUS015M
CN103
CN020
CN104
MOTOR
XR
PE
CN1B
CN1A
MR-J3BUS2M-B
XR SERVO AMP(2/2)
MR-J3-200B-KM084V500
ZTC SERVO AMP L(2/3)
MR-MR100
ZTB SERVO AMP L(2/3)
MR-MR100
CN1B
YBL
UVW
YBLCN2
(YBR FG)
YBL
CN2
CN110
CN109
ENCODER
MOTOR
MR-J3BUS7M-B
001:3B
YBL SERVO AMP(2/2)
MR-J3-70B-RJ024
CN1A
CN1B
YBR
UVW
YBRCN2
(YBR FG)
YBR
CN2
CN112
CN111
ENCODER
MOTOR
001:3A
XYL-2 BEAR CABLE ASM 2/4
XLUVW
(XL FG)
MR-J3BUS015M
MR-J3BUS015M
001:3B
YBR SERVO AMP(2/2)
MR-J3-70B-RJ024
CN1A
CN101
CN102
MOTOR
XL
PE
XL SERVO AMP(2/2)
MR-J3-200B-KM084V500
CN1B
CN1A
XY BEAR CABLE(L)
ZTA SERVO AMP L(2/3)
MR-MR100
MR-J3BUS2M-B
1234
56 79
810
11 13
12 14 16 18
15 17
19
20
21 23
22 24
25
26 29
32 34
35
28 31 33 36
37 39
27 30 38
40
57
58
59
60
61
62 65
64
63
66 67
68
69
71
74
75
70
72 73
41
51
43 45 484947
52
53
54
42
44
46
50
55
56
CN019CN2
XL CN2
76
UVW
XR CN2
77
- 116 -
REF.NO NOTE PART NO D E S C R I P T I O N
品 名
Qty
1 400-44531 MAGNETIC SCALE X SENSOR UNIT
マグネチックスケール センサユニット
1
2 400-44531 MAGNETIC SCALE X SENSOR UNIT
マグネチックスケール センサユニット
1
3 400-44418 SENSOR_UNIT_PSLH017
センサユニット
1
4 400-44418 SENSOR_UNIT_PSLH017
センサユニット
1
5 L811E-721-0A0 XL NEAR SENSOR ASM
XL ニアセンサ組
1
6 L811E-821-0A0 XL -LIMIT SENSOR ASM
XL マイナスリミットセンサ組
1
7 L812E-021-0A0 XR NEAR SENSOR ASM
XR ニアセンサ組
1
8 L813E-321-0A0 XR NEAR SENSOR CABLE ASM
XR ニアセンサ束線組
1
9 L812E-121-0A0 XR PLUS LIMIT SENSOR ASM
XR プラスリミットセンサ組
1
10 L813E-421-0A0 XR PLUS LIMIT SENSOR CABLE ASM
XR プラスリミットセンサ束線組
1
11 400-77020 XYL-1 BEAR CABLE
XYL −1ベアケーブル
1
12 400-77024 XL LINEAR SENS CABLE ASM
XL リニアセンサケーブル組
1
13 400-77021 XYR-1 BEAR CABLE
XYR −1 ベアケーブル
1
14 400-77025 XR LINEAR SENS CABLE ASM
XR リニアセンサケーブル組
1
15 400-24265 YL P-P LINEAR SENS CABLE ASM
YL P リニアセンサケーブル組
1
16 400-24261 YL P-S LINEAR SENS CABLE ASM
YL P リニアセンサケーブル組
1
17 400-24266 YR P-P LINEAR SENS CABLE ASM
YR P リニアセンサケーブル組
1
18 400-24262 YR P-S LINEAR SENS CABLE ASM
YR P リニアセンサケーブル組
1
19 L836E-121-0A0 YL-2 CABLE ASM
YL −2束線組
1
20 L813E-921-0A0 X SENSORS CABLE (1) ASM
センサ束線(1)組
1
21 L814E-121-0A0 YBL ORG SENSOR ASM
YBL ORG センサ組
1
22 L814E-221-0A0 YBL ORG SENSOR CABLE ASM
YBL ORG センサ束線組
1
23 L814E-321-0A0 YBR ORG SENSOR ASM
YBR ORG センサ組
1
24 L814E-421-0A0 YBR ORG SENSOR CABLE ASM
YBR ORG センサ束線組
1
25 400-24254 SCALE PCB ASM
スケール基板組
1
26 401-18621 OPTICAL FIBER CABLE 2M
光ファイバケーブル2
1
27 400-98363 LINEAR SERVO AMP
リニアサーボアンプ
1
28 400-77121 XL L-ENC CABLE ASM
XL L ENC ケーブル組
1
29 400-44541 OPTICAL FIBER CABLE 0.15M
光ファイバケーブル0.15
1
30 400-44538 SERVO AMP 750W
軸サーボアンプ750
1
31 400-77124 YBR L-ENC CABLE ASM
YBR L ENC ケーブル組
1
32 400-44541 OPTICAL FIBER CABLE 0.15M
光ファイバケーブル0.15
1
33 400-77123 YBL L-ENC CABLE ASM
YBL L ENC ケーブル組
1
34 400-48070 OPTICAL FIBER CABLE 7M
光ファイバケーブル7
1
35 401-18621 OPTICAL FIBER CABLE 2M
光ファイバケーブル2
1
36 400-77122 XR L-ENC CABLE ASM
XR L ENC ケーブル組
1
37 400-44541 OPTICAL FIBER CABLE 0.15M
光ファイバケーブル0.15
1
38 400-44539 SERVO AMP 2000W
軸サーボアンプ2000
1
39 400-48070 OPTICAL FIBER CABLE 7M
光ファイバケーブル7
1
40 L814E-021-0A0 X SENSORS CABLE (2) ASM
X センサ束線(2)組
1
41 L811E-521-0A0 YBL NEAR SENSOR ASM
YBL ニアセンサ組
1
42 L811E-421-0A0 YB NEAR SENSOR CABLE ASM
YB ニアセンサ束線組
1
43 L811E-121-0A0 YBL -LIMIT SENSOR ASM
YBL マイナスリミットセンサ組
1
44 L811E-221-0A0 YBL PLUS LIMIT SENSOR CABLE ASM
YBL プラスリミットセンサ束線組
1
45 L811E-321-0A0 YBL PLUS LIMIT SENSOR ASM
YBL プラスリミットセンサ組
1
46 L812E-221-0A0 YA NEAR SENSOR CABLE ASM
YA ニアセンサ束線組
1
47 L812E-321-0A0 YA NEAR SENSOR ASM
YA ニアセンサ組
1
48 L812E-421-0A0 YA -LIMIT SENSOR ASM
YA マイナスリミットセンサ組
1
49 L812E-621-0A0 YA PLUS LIMIT SENSOR ASM
YA プラスリミットセンサ組
1
50 L812E-521-0A0 YA PLUS LIMIT SENSOR CABLE ASM
YA プラスリミットセンサ束線組
1
51 L811E-921-0A0 XC LIMIT SENSOR ASM
XC リミットセンサ組
1
52 L813E-521-0A0 XC LIMIT SENSOR CABLE (2) ASM
XC リミットセンサ束線(2)組
1
53 400-77022 XYL-2 BEAR CABLE
XYL −2 ベアケーブル
1
54 L811E-621-0A0 XC LIMIT SENSOR CABLE (1) ASM
XC リミットセンサ束線(1)組
1
55 400-77088 POSITION BOARD DI CABLE ASM
ポジションボード DI ケーブル組
1
56 400-44540 16AXIS 2CH SERVO CONTROLLER
16軸2 CH ポジションボード
1
57 400-77114 XL MOTOR POWER RELAY CABLE ASM
XL モータパワーリレーケーブル組
1
58 400-77022 XYL-2 BEAR CABLE
XYL −2 ベアケーブル
1
59 400-77070 XL LINEAR MOTOR ASM
XL リニアモータ組
1
60 400-77116 YBR MOTOR POWER RELAY CABLE ASM
YBR モータパワーリレーケーブル
1
61 400-77120 YBR ENCODER CABLE ASM
YBR エンコーダケーブル組
1
62 L808E-221-0A0 YBR MOTOR ASM
YBR モータ組
1
63 400-77115 YBL MOTOR POWER RELAY CABLE ASM
YBL モータパワーリレーケーブル
1
64 400-77119 YBL ENCODER CABLE ASM
YBL エンコーダケーブル組
1
65 L803E-321-0A0 YBL DRV FG CABLE ASM
YBL DRV FG 束線組
1
66 400-44541 OPTICAL FIBER CABLE 0.15M
光ファイバケーブル0.15
1
67 400-44541 OPTICAL FIBER CABLE 0.15M
光ファイバケーブル0.15
1
68 400-44535 4AXIS SERVO AMP
4軸一体型サーボアンプ
1
69 400-77117 XR MOTOR POWER RELAY CABLE ASM
XR モータパワーリレーケーブル組
1
70 400-77023 XYR-2 BEAR CABLE
XYR −2ベアケーブル
1
71 400-77071 XR LINEAR MOTOR ASM
XR リニアモータ組
1
72 400-44541 OPTICAL FIBER CABLE 0.15M
光ファイバケーブル0.15
1
73 400-44541 OPTICAL FIBER CABLE 0.15M
光ファイバケーブル0.15
1
74 400-77118 YA MOTOR POWER RELAY CABLE ASM
YA モータパワーリレーケーブル組
1
75 400-76989 YA ENCODER CABLE ASM
YA エンコーダケーブル組
1
76 400-77078 XL THERMISTOR CABLE ASM
XL サーミスタケーブル組
1
77 400-77079 XR THERMISTOR CABLE ASM
XR サーミスタケーブル組
1
- 117 -
59.SYSTEM DIAGRAM (3)
SYSTEM DIAGRAM(3)
004:3C
XY BEAR CABLE (L)
LNC60L-CN1
ZTAL-CN5CN5
LNC60 L
LNC60CH2CH1
IEEE1394a
REPEATER L
CN1
CH1
IEEE1394a
BOARD
CN34
CN21
CN6 HDRL-6
Z6L BLW SV
CN13 HDRL-13
Z6L VAC SV
CN5 HDRL-5
Z5L BLW SV
CN12 HDRL-12
Z5L VAC SV
CN4 HDRL-4
Z4L BLW SV
CN11 HDRL-11
Z4L VAC SV
CN3 HDRL-3
Z3L BLW SV
CN10 HDRL-10
Z3L VAC SV
CN2 HDRL-2
Z2L BLW SV
CN9 HDRL-9
Z2L VAC SV
CN1 HDRL-1
Z1L BLW SV
HDRL-18 CN18
NOZZLE DOWN
SENSOR R(L)
HDRL-32 CN32
Z6L VAC SENSOR
HDRL-31 CN31
Z5L VAC SENSOR
HDRL-30 CN30
Z4L VAC SENSOR
HDRL-29 CN29
Z3L VAC SENSOR
HDRL-28 CN28
Z2L VAC SENSOR
CN19 HDRL-19
CN8 HDRL-8
HDRL-16 CN16
HDRL-27 CN27
NOZZLE DOWN
SENSOR L(L)
Z1L VAC SENSOR
NZLUPSV(L)
Z1L VAC SV
HEAD RELAY PCB (L)
01-5C
CN804
01-5A
CN803A
05-4C
LZLMT
XYL-2 BEAR CABLE
ASM 4/4
CN12
CN8
CN1
CN852
HIGHT
MEASURE
SENSOR
AMP
HDML-8
HDML -1
006:1B
CN803IO5CN5
I/O CONTROL PCB(1/2)
ZTAL-CNP2D
ZTAL-CN2D
Z2PL
003:4A
CN8
CN2
MRL1-2
MOTOR RELAY
PCB(L1)
CNP2D
CN2D
Z2 MOTOR L
HC-BH0336LW4-S1
ZTAL-CNP2C
ZTAL-CN2C
T2PL
003:4A
CN8
CN2
MRL2-2
MOTOR RELAY
PCB(L2)
CNP2C
CN2C
ZTAL-CNP2B
ZTAL-CN2B
Z1PL
003:3B
CN7
CN1
MRL1-1
MOTOR RELAY
PCB(L1)
CNP2B
CN2B
Z1 MOTOR L
HC-BH0336LW4-S1
CN4DZTAL-CN4D
CN25HDRL-25
Z6L NEAR SENSOR
CN24HDRL-24
Z5L NEAR SENSOR
CN23HDRL-23
Z4L NEAR SENSOR
CN22HDRL-22
Z3L NEAR SENSOR
CN21HDRL-21
Z2L NEAR SENSOR
CN20HDRL-20
Z1L NEAR SE NSOR
003:3A
003:3A
ZTAL-CNP2A
ZTAL-CN2A
002:5A
T1PL
003:3B
CN7
CN1
MRL2-1
MOTOR RELAY
PCB(L2)
CNP2A
CN2A
T1 MOTOR L
HC-BP0136D-S1
ZTA SERVO
AMP L(3/3)
MR-MD100
CN4BZTAL-CN4BHDML-13CN13
HEAD MAIN PCB (L)
1
23
4
5
6
17
11 14
15
16
12
T2 MOTOR L
HC-BP0136D-S1
13
9
108
7
19
ZTBL-CN4B CN4B
ZTB SERVO
AMP L(3/3)
MR-MD100
T3 MOTOR L
HC-BP0136D-S1
CN2A
CNP2A
MOTOR RELAY
PCB(L2)
MRL2-3
CN3
CN9
003:4B
002:5B
ZTBL-CN2A
003:4A
003:4A
ZTBL-CN4D CN4D
Z3 MOTOR L
HC-BH0336LW4-S1
CN2B
CNP2B
MOTOR RELAY
PCB(L1)
MRL1-3
CN3
CN9
003:4B
Z3PL
ZTBL-CN2B
ZTBL-CNP2B
CN2C
CNP2C
MOTOR RELAY
PCB(L2)
MRL2-4
CN4
CN10
003:5A
ZTBL-CN2C
Z4 MOTOR L
HC-BH0336LW4-S1
CN2D
CNP2D
MOTOR RELAY
PCB(L1)
MRL1-4
CN4
CN10
003:5A
Z4PL
ZTBL-CN2D
ZTBL-CNP2D
CN5 ZTBL-CN5
2321
18
22
26
25
27
24
T4 MOTOR L
HC-BP0136D-S1
20
003:3B
003:3B
29
003:4B
ZTCL-CN4B CN4B
ZTC SERVO
AMP L(3/3)
MR-MD100
T5 MOTOR L
HC-BP0136D-S1
CN2A
CNP2A
MOTOR RELAY
PCB(L2)
MRL2-5
CN5
CN11
003:5B
002:5B
ZTCL-CN2A
003:5A
003:5A
ZTCL-CN4D CN4D
Z5 MOTOR L
HC-BH0336LW4-S1
CN2B
CNP2B
MOTOR RELAY
PCB(L1)
MRL1-5
CN5
CN11
003:5B
Z5PL
ZTCL-CN2B
ZTCL-CNP2B
CN2C
CNP2C
MOTOR RELAY
PCB(L2)
MRL2-6
CN6
CN12
ZTCL-CN2C
Z6 MOTOR L
HC-BH0336LW4-S1
CN2D
CNP2D
MOTOR RELAY
PCB(L1)
MRL1-6
CN6
CN12
Z6PL
ZTCL-CN2D
ZTCL-CNP2D
CN5 ZTCL-CN5
34
003:4B
32
28
31
37
35
36
33
T6 MOTOR L
HC-BP0136D-S1
30
38
40 41
42 4344454647
39
48
49
50
54
51
52
53
55